Operation CHARM: Car repair manuals for everyone.
Manuals through 2025 now available!

Our trusted friends have launched a new website named LEMON, which has newer manuals. It also contains all the CHARM manuals.

LEMON is the spiritual successor to CHARM, I recommend you try it!

Link: lemon-manuals.la or lemon-manuals.org.ua

(Some people have issue connecting. LEMON is investigating. For now, use Firefox or change your DNS server)

Or, hide this message: temporarily or permanently

Pinpoint Test A: The PCM Does Not Respond To The Scan Tool




Communications Network

Pinpoint Tests

Pinpoint Test A: The PCM Does Not Respond To The Scan Tool

Refer to Wiring Diagram Set 14, Module Communications Network for schematic and connector information. Diagrams By Number

Refer to Wiring Diagram Set 25, Electronic Engine Controls - 3.5L GTDI for schematic and connector information. Diagrams By Number

Refer to Wiring Diagram Set 26, Electronic Engine Controls - 3.7L for schematic and connector information. Diagrams By Number

Normal Operation

The PCM communicates with the scan tool through the High Speed Controller Area Network (HS-CAN).

This pinpoint test is intended to diagnose the following:

- Wiring, terminals or connectors
- PCM



PINPOINT TEST A: THE PCM DOES NOT RESPOND TO THE SCAN TOOL

NOTICE: Use the correct probe adapter(s) when making measurements. Failure to use the correct probe adapter(s) may damage the connector.

NOTE: Failure to disconnect the battery when instructed will result in false resistance readings. Refer to Battery.

NOTE: Most faults are due to connector and/or wiring concerns. Carry out a thorough inspection and verification before proceeding with the Pinpoint Test. Inspection and Verification

-------------------------------------------------
A1 VERIFY WHETHER OTHER HS-CAN MODULES PASS THE NETWORK TEST


- Enter the following diagnostic mode on the scan tool: Network Test .
- In the LH pane of the Integrated Diagnostic System (IDS) network test display screen, verify whether any HS-CAN modules passed the network test.
- Is the text "pass" or a DTC listed next to any of the following modules (if equipped): 4X4 control module, ABS module, Accessory Protocol Interface Module (APIM), Cruise-Control Module (C-CM), Headlamp Control Module (HCM), Head Up Display (HUD) module, Instrument Panel Cluster (IPC), Occupant Classification System Module (OCSM), Parking Aid Module (PAM), PCM, Power Steering Control Module (PSCM), Remote Function Actuator (RFA) module,Restraints Control Module (RCM) or Steering Angle Sensor Module (SASM)?

Yes
If "pass" or a DTC was listed next to the PCM, a network fault is not currently present. GO to Pinpoint Test AE to diagnose an intermittent HS-CAN fault condition. Pinpoint Test AE: Intermittent No High Speed Controller Area Network (HS-CAN) Communication, Communication Can Be Intermittentl

If "pass" or a DTC was listed next to one or more modules other than the PCM, GO to A2.

No
No modules are currently communicating on the HS-CAN. GO to Pinpoint Test AF to diagnose no HS-CAN communication. Pinpoint Test AF: No High Speed Controller Area Network (HS-CAN) Communication, All Modules Are Not Responding

-------------------------------------------------
A2 COMPUTERS AND CONTROL SYSTEMS INFORMATION PINPOINT TEST QA VERIFICATION


- Verify that Computers and Control Systems Information pinpoint test QA has been carried out.
- Has pinpoint test QA been carried out?

Yes
GO to A3.

No
REFER to Computers and Control Systems Information, Pinpoint Tests, pinpoint test QA to diagnose no communication with the PCM.

-------------------------------------------------
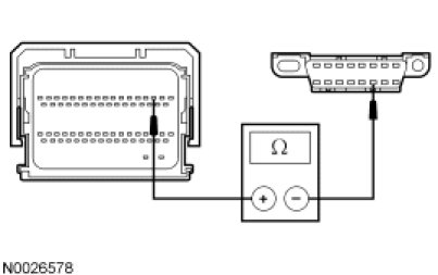
A3 CHECK THE HS-CAN TERMINATION RESISTANCE


- Ignition OFF.
- Disconnect: Negative Battery Cable .
- Disconnect the scan tool from the DLC.
- Measure the resistance between the DLC C251-6, circuit VDB04 (WH/BU), harness side and the DLC C251-14, circuit VDB05 (WH), harness side.




- Is the resistance between 54 and 66 ohms?

Yes
GO to A6.

No
For 3.7L engine, GO to A4.

For 3.5L GTDI engine, GO to A5.

-------------------------------------------------
A4 CHECK THE HS-CAN CIRCUITS BETWEEN THE PCM AND THE DLC FOR AN OPEN - 3.7L


- Disconnect: PCM C175b .
- Measure the resistance between the PCM C175b-2, circuit VDB04 (WH/BU), harness side and the DLC C251-6, circuit VDB04 (WH/BU), harness side.




- Measure the resistance between the PCM C175b-3, circuit VDB05 (WH), harness side and the DLC C251-14, circuit VDB05 (WH), harness side.




- Are the resistances less than 5 ohms?

Yes
CONNECT the negative battery cable. GO to A6.

No
REPAIR the circuit in question. CONNECT the negative battery cable. CLEAR the DTCs. REPEAT the network test with the scan tool.

-------------------------------------------------
A5 CHECK THE HS-CAN CIRCUITS BETWEEN THE PCM AND THE DLC FOR AN OPEN -
3.5L GTDI



- Disconnect: PCM C1381b .
- Measure the resistance between the PCM C1381b-59, circuit VDB04 (WH/BU), harness side and the DLC C251-6, circuit VDB04 (WH/BU), harness side.




- Measure the resistance between the PCM C1381b-58, circuit VDB05 (WH), harness side and the DLC C251-14, circuit VDB05 (WH), harness side.




- Are the resistances less than 5 ohms?

Yes
CONNECT the negative battery cable. GO to A6.

No
REPAIR the circuit in question. CONNECT the negative battery cable. CLEAR the DTCs. REPEAT the network test with the scan tool.

-------------------------------------------------
A6 CHECK FOR CORRECT PCM OPERATION


- Disconnect all the PCM connectors.
- Check for:
- corrosion
- damaged pins
- pushed-out pins
- Connect all the PCM connectors and make sure they seat correctly.
- Operate the system and verify the concern is still present.
- Is the concern still present?

Yes
INSTALL a new PCM. REFER to Computers and Control Systems. CLEAR the DTCs. REPEAT the network test with the scan tool.

No
The system is operating correctly at this time. The concern may have been caused by a loose or corroded connector.

-------------------------------------------------