Operation CHARM: Car repair manuals for everyone.
Manuals through 2025 now available!

Our trusted friends have launched a new website named LEMON, which has newer manuals. It also contains all the CHARM manuals.

LEMON is the spiritual successor to CHARM, I recommend you try it!

Link: lemon-manuals.la or lemon-manuals.org.ua

(Some people have issue connecting. LEMON is investigating. For now, use Firefox or change your DNS server)

Or, hide this message: temporarily or permanently

Pinpoint Test P: The PCSM Does Not Respond To The Scan Tool




Communications Network

Pinpoint Tests

Pinpoint Test P: The PCSM Does Not Respond To The Scan Tool

Refer to Wiring Diagram Set 14, Module Communications Network for schematic and connector information. Diagrams By Number

Refer to Wiring Diagram Set 119, Climate Controlled Seat for schematic and connector information. Diagrams By Number

Normal Operation

The Passenger Climate Controlled Seat Module (PCSM) communicates with the scan tool through the Medium Speed Controller Area Network (MS-CAN).

This pinpoint test is intended to diagnose the following:

- Fuse
- Wiring, terminals or connectors
- PCSM



PINPOINT TEST P: THE PCSM DOES NOT RESPOND TO THE SCAN TOOL

NOTICE: Use the correct probe adapter(s) when making measurements. Failure to use the correct probe adapter(s) may damage the connector.

NOTE: Failure to disconnect the battery when instructed will result in false resistance readings. Refer to Battery.

-------------------------------------------------
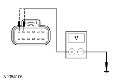
P1 CHECK THE PCSM VOLTAGE SUPPLY CIRCUIT FOR AN OPEN


- Ignition OFF.
- Disconnect: PCSM C3365a .
- Ignition ON.
- Measure the voltage between the PCSM C3365a-E, circuit SBB07 (WH/RD), harness side and ground; and between the PCSM C3365a-F, circuit SBB07 (WH/RD)), harness side and ground.




- Is the voltage greater than 10 volts?

Yes
GO to P2.

No
VERIFY the Battery Junction Box (BJB) fuse 7 (30A) is OK. If OK, REPAIR the circuit in question. If not OK, REFER to the Wiring Diagrams to identify the possible causes of the circuit short. CLEAR the DTCs. REPEAT the network test with the scan tool. Diagrams By Number

-------------------------------------------------
P2 CHECK THE PCSM GROUND CIRCUIT FOR AN OPEN


- Ignition OFF.
- Disconnect: Negative Battery Cable .
- Measure the resistance between the PCSM C3365a-M, circuit GD133 (BK), harness side and ground.




- Is the resistance less than 5 ohms?

Yes
GO to P3.

No
REPAIR the circuit. CONNECT the negative battery cable. CLEAR the DTCs. REPEAT the network test with the scan tool.

-------------------------------------------------
P3 CHECK THE MS-CAN CIRCUITS BETWEEN THE PCSM AND THE DLC FOR AN OPEN


- Disconnect: PCSM C3365c .
- Measure the resistance between the PCSM C3365c-1, circuit VDB06 (GY/OG), harness side and the DLC C251-3, circuit VDB06 (GY/OG), harness side.




- Measure the resistance between the PCSM C3365c-2, circuit VDB07 (VT/OG), harness side and the DLC C251-11, circuit VDB07 (VT/OG), harness side.




- Are the resistances less than 5 ohms?

Yes
CONNECT the negative battery cable. GO to P4.

No
REPAIR the circuit in question. CONNECT the negative battery cable. CLEAR the DTCs. REPEAT the network test with the scan tool.

-------------------------------------------------
P4 CHECK FOR CORRECT PCSM OPERATION


- Disconnect the PCSM connector.
- Check for:
- corrosion
- damaged pins
- pushed-out pins
- Connect the PCSM connector and make sure it seats correctly.
- Operate the system and verify the concern is still present.
- Is the concern still present?

Yes
INSTALL a new PCSM. REFER to Seats. CLEAR the DTCs. REPEAT the network test with the scan tool.

No
The system is operating correctly at this time. The concern may have been caused by a loose or corroded connector.

-------------------------------------------------