Pinpoint Test X: The Driver Door Module (DDM) Does Not Respond To The Scan Tool
Communications Network
Pinpoint Tests
Pinpoint Test X: The Driver Door Module (DDM) Does Not Respond To The Scan Tool
Refer to Wiring Diagram Set 14, Module Communications Network for schematic and connector information. Diagrams By Number
Refer to Wiring Diagram Set 124, Power Mirrors for schematic and connector information. Diagrams By Number
Normal Operation
The Driver Door Module (DDM) communicates with the scan tool through the Medium Speed Controller Area Network (MS-CAN).
This pinpoint test is intended to diagnose the following:
- Fuse
- Wiring, terminals or connectors
- DDM
PINPOINT TEST X: THE DDM DOES NOT RESPOND TO THE SCAN TOOL
NOTICE: Use the correct probe adapter(s) when making measurements. Failure to use the correct probe adapter(s) may damage the connector.
NOTE: Failure to disconnect the battery when instructed will result in false resistance readings. Refer to Battery.
-------------------------------------------------
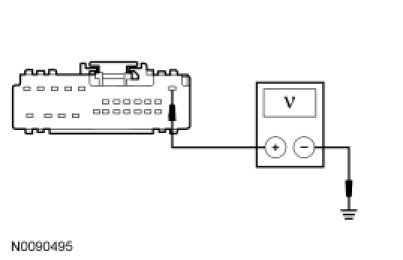
X1 CHECK THE DDM VOLTAGE SUPPLY CIRCUIT FOR AN OPEN
- Ignition OFF.
- Disconnect: DDM C501a .
- Ignition ON.
- Measure the voltage between the DDM C501a-1, circuit SBP13 (GY/RD), harness side and ground.
- Is the voltage greater than 10 volts?
Yes
GO to X2.
No
VERIFY the Smart Junction Box (SJB) fuse 13 (5A) is OK. If OK, REPAIR the circuit. If not OK, REFER to the Wiring Diagrams to identify the possible causes of the circuit short. CLEAR the DTCs. REPEAT the network test with the scan tool. Diagrams By Number
-------------------------------------------------
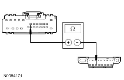
X2 CHECK THE DDM GROUND CIRCUIT FOR AN OPEN
- Ignition OFF.
- Disconnect: Negative Battery Cable .
- Measure the resistance between the DDM C501a-24, circuit GD133 (BK), harness side and ground.
- Is the resistance less than 5 ohms?
Yes
GO to X3.
No
REPAIR the circuit. CONNECT the negative battery cable. CLEAR the DTCs. REPEAT the network test with the scan tool.
-------------------------------------------------
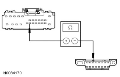
X3 CHECK THE MS-CAN CIRCUITS BETWEEN THE DDM AND THE DLC FOR AN OPEN
- Measure the resistance between the DDM C501a-19, circuit VDB06 (GY/OG), harness side and the DLC C251-3, circuit VDB06 (GY/OG), harness side.
- Measure the resistance between the DDM C501a-7, circuit VDB07 (VT/OG), harness side and the DLC C251-11, circuit VDB07 (VT/OG), harness side.
- Are the resistances less than 5 ohms?
Yes
CONNECT the negative battery cable. GO to X4.
No
REPAIR the circuit in question. CONNECT the negative battery cable. CLEAR the DTCs. REPEAT the network test with the scan tool.
-------------------------------------------------
X4 CHECK FOR CORRECT DDM OPERATION
- Disconnect all the DDM connectors.
- Check for:
- corrosion
- damaged pins
- pushed-out pins
- Connect all the DDM connectors and make sure they seat correctly.
- Operate the system and verify the concern is still present.
- Is the concern still present?
Yes
INSTALL a new DDM. REFER to Body Control Systems. CLEAR the DTCs. REPEAT the network test with the scan tool.
No
The system is operating correctly at this time. The concern may have been caused by a loose or corroded connector.
-------------------------------------------------