Operation CHARM: Car repair manuals for everyone.
Manuals through 2025 now available!

Our trusted friends have launched a new website named LEMON, which has newer manuals. It also contains all the CHARM manuals.

LEMON is the spiritual successor to CHARM, I recommend you try it!

Link: lemon-manuals.la or lemon-manuals.org.ua

(Some people have issue connecting. LEMON is investigating. For now, use Firefox or change your DNS server)

Or, hide this message: temporarily or permanently

Fluid Pan: Service and Repair




Main Control Cover - 3.7L













Removal

1. With the vehicle in NEUTRAL, position it on a hoist. For additional information, refer to Vehicle Jacking and Lifting.

2. Remove the Air Cleaner (ACL) assembly and outlet pipe. For additional information, refer to Fuel Delivery and Air Induction.

3. Remove the transmission fluid drain plug and allow the transmission fluid to drain.





4. Install the transmission fluid drain plug.
- Tighten to 9 Nm (80 lb-in).





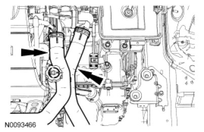
5. Position aside the coolant hoses from the transaxle filler tube.





6. NOTE: Coolant hoses removed for clarity.

Remove the transmission fluid level indicator.





7. NOTE: Coolant hoses removed for clarity.

Remove the nut, rotate the transaxle filler tube counterclockwise 90 degrees and remove the transaxle filler tube.





8. Loosen the transmission fluid cooler tube fitting from the thermal bypass valve.





9. Remove and discard the transmission fluid cooler tube bolt and remove the transmission fluid cooler tube.





10. Inspect the transaxle case to make sure that the transmission fluid cooler tube seal and backing ring were removed with the transmission fluid cooler tube and are not stuck in the transaxle case. If the transmission fluid cooler tube seal or backing ring are stuck in the transaxle case, remove the seal and backing ring.





11. Disconnect the transaxle electrical connector and remove the wiring harness fastener from the main control cover stud.





12. Remove the 2 nuts, pull the transmission fluid cooler thermal bypass valve straight up and position it aside.





13. NOTE: Note the location of the studbolts for assembly.

Remove the 14 bolts and the main control cover.





Installation

1. Inspect the transaxle side cover seal for damage and install new if necessary.





2. NOTICE: Inspect the 20-pin solenoid body connector seal to make sure that the seal is on the inside of the main control cover or a transmission fluid leak will occur.

NOTE: Install the studbolts in the locations noted during disassembly.

Install the main control cover and loosely install the 14 bolts.

1. Bolt location

2. Studbolt location





3. Tighten the main control cover bolts in the sequence shown.
- Tighten to 12 Nm (106 lb-in).





4. Position the transmission fluid cooler thermal bypass valve and transmission fluid cooler tube assembly in place and install the 2 nuts.
- Tighten to 9 Nm (80 lb-in).





5. Connect the transaxle electrical connector and install the wiring harness fastener on the main control cover stud.





6. Inspect the transmission fluid cooler tube backing ring and seal for damage and install a new backing ring or seal if necessary. Lubricate the transmission fluid cooler tube seal with clean transmission fluid and install the backing ring and seal on the transmission fluid cooler tube.












7. Position the transmission fluid cooler tube in place and install a new bolt.
- Tighten to 9 Nm (80 lb-in).





8. Tighten the transmission fluid cooler tube fitting.
- Tighten to 25 Nm (18 lb-ft).





9. Install the transaxle filler tube and the nut.
- Tighten to 11 Nm (97 lb-in).





10. Install the transmission fluid level indicator.





11. Route the coolant hoses to their position on the transaxle filler tube.





12. Install the ACL assembly and outlet pipe. For additional information, refer to Fuel Delivery and Air Induction.

13. Fill the transaxle with clean transmission fluid, refer to Transmission Fluid Drain and Refill Transmission Fluid Drain and Refill.