Operation CHARM: Car repair manuals for everyone.
Manuals through 2025 now available!

Our trusted friends have launched a new website named LEMON, which has newer manuals. It also contains all the CHARM manuals.

LEMON is the spiritual successor to CHARM, I recommend you try it!

Link: lemon-manuals.la or lemon-manuals.org.ua

(Some people have issue connecting. LEMON is investigating. For now, use Firefox or change your DNS server)

Or, hide this message: temporarily or permanently

Pinpoint Test A: All Power Windows Are Inoperative




Glass, Frames and Mechanisms

Pinpoint Tests

Pinpoint Test A: All Power Windows are Inoperative

Refer to Wiring Diagram Set 100, Power Windows for schematic and connector information. Diagrams By Number

Normal Operation

Under normal operation, the LH front power window control switch receives power from the accessory delay relay through circuit CBP41 (BU) to provide up/down commands to all the window motors and passenger window control switches when the LH front window control switch is in the UNLOCK position.

This pinpoint test is intended to diagnose the following:
- Wiring, terminals or connectors
- LH front window control switch
- Smart Junction Box (SJB)



PINPOINT TEST A: ALL POWER WINDOWS ARE INOPERATIVE

NOTICE: Use the correct probe adapter(s) from the Flex Probe Kit when making measurements. Failure to use the correct probe adapter(s) may damage the connector.

-------------------------------------------------
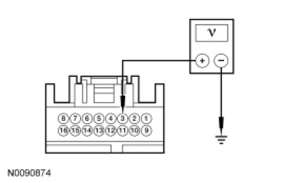
A1 CHECK THE VOLTAGE SUPPLY TO THE LH FRONT WINDOW CONTROL SWITCH


- Disconnect: LH Front Window Control Switch C504.
- Ignition ON.
- Measure the voltage between LH front window control switch C504-3, circuit CBP41 (BU), harness side and ground.




- Is the voltage greater than 10 volts?

Yes
INSTALL a new LH front window control switch. REFER to Window Control Switch Service and Repair. TEST the system for normal operation.

No
VERIFY SJB fuse 41 (15A) is OK. If OK, GO to Pinpoint Test J. Pinpoint Test J: The Delayed Accessory Is Inoperative

If not OK, REFER to the Wiring Diagrams to identify the possible causes of the circuit short. REPAIR the circuit. TEST the system for normal operation. Diagrams By Number

-------------------------------------------------