Operation CHARM: Car repair manuals for everyone.
Manuals through 2025 now available!

Our trusted friends have launched a new website named LEMON, which has newer manuals. It also contains all the CHARM manuals.

LEMON is the spiritual successor to CHARM, I recommend you try it!

Link: lemon-manuals.la or lemon-manuals.org.ua

(Some people have issue connecting. LEMON is investigating. For now, use Firefox or change your DNS server)

Or, hide this message: temporarily or permanently

Pinpoint Test K: The Delayed Accessory Does Not Turn Off




Glass, Frames and Mechanisms

Pinpoint Tests

Pinpoint Test K: The Delayed Accessory Does Not Turn Off

Refer to Wiring Diagram Set 100, Power Windows for schematic and connector information. Diagrams By Number

Normal Operation

The accessory delay relay is located in the Smart Junction Box (SJB). When the ignition key is turned ON, the SJB activates the accessory delay relay, which provides power to the LH front window switch through circuit CBP41 (BU). The delayed accessory feature remains active for 10 minutes after the ignition key is turned OFF or until either front door is opened.

- DTC B1302 (Accessory Delay Relay Coil Circuit Failure) - Sets when an open or short to ground is detected on the relay control circuit.

This pinpoint test is intended to diagnose the following:
- Accessory delay relay
- Wiring, terminals or connections
- SJB



PINPOINT TEST K: THE DELAYED ACCESSORY DOES NOT TURN OFF

NOTICE: Use the correct probe adapter(s) from the Flex Probe Kit when making measurements. Failure to use the correct probe adapter(s) may damage the connector.

-------------------------------------------------
K1 CHECK FOR STUCK/STICKING ACCESSORY DELAY RELAY


- Disconnect: Delayed Accessory Relay.
- Do the power windows still operate?

Yes
GO to K3.

No
GO to K2.

-------------------------------------------------
K2 CHECK THE ACCESSORY DELAY RELAY


- Carry out the accessory delay relay component test.

- Did the accessory delay relay pass the component test?

Yes
GO to K4.

No
INSTALL a new accessory delay relay. TEST the system for normal operation.

-------------------------------------------------
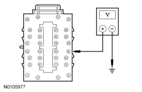
K3 CHECK CIRCUIT CBP41 (BU) FOR A SHORT TO VOLTAGE


- Ignition OFF.
- Disconnect: SJB C2280D.
- Ignition ON.
- Measure the voltage between SJB C2280D-16, circuit CBP41 (BU), harness side and ground.




- Is any voltage present?

Yes
REPAIR circuit CBP41 (BU) for a short to voltage. TEST the system for normal operation.

No
GO to K4.

-------------------------------------------------
K4 CHECK FOR CORRECT SJB OPERATION


- Disconnect all SJB connectors.
- Check for:
- corrosion.
- pushed-out pins.
- Connect all SJB connectors and make sure they seat correctly.
- Operate the system and verify the concern is still present.
- Is the concern still present?

Yes
INSTALL a new SJB. TEST the system for normal operation.

No
The system is operating correctly at this time. Concern may have been caused by a loose or corroded connector. CLEAR the DTCs. REPEAT the self-test. TEST the system for normal operation.

-------------------------------------------------