Operation CHARM: Car repair manuals for everyone.
Manuals through 2025 now available!

Our trusted friends have launched a new website named LEMON, which has newer manuals. It also contains all the CHARM manuals.

LEMON is the spiritual successor to CHARM, I recommend you try it!

Link: lemon-manuals.la or lemon-manuals.org.ua

(Some people have issue connecting. LEMON is investigating. For now, use Firefox or change your DNS server)

Or, hide this message: temporarily or permanently

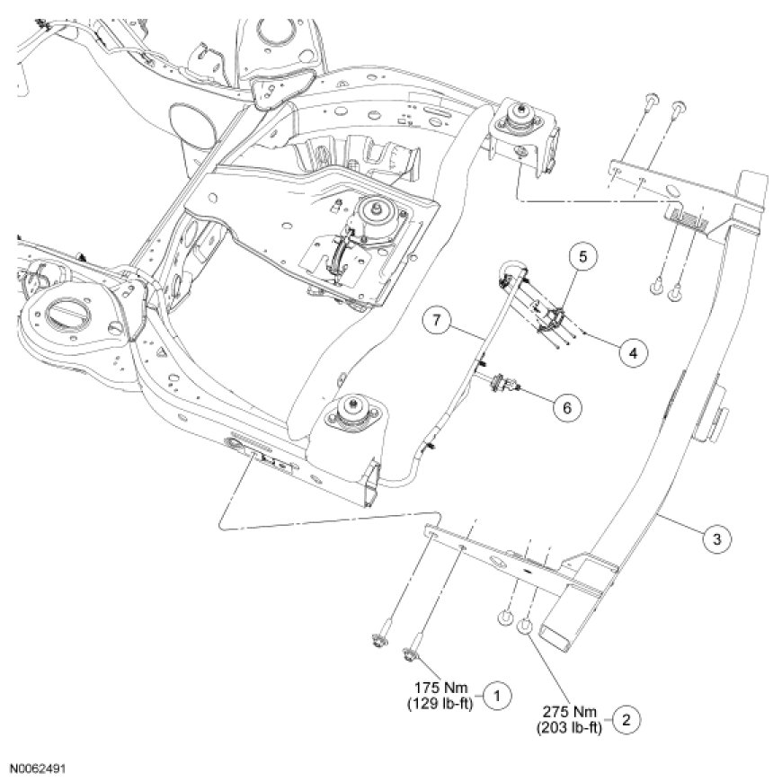
Trailer Hitch: Service and Repair




Trailer Hitch









Removal and Installation

WARNING: Do not permanently remove the trailer hitch. The trailer hitch is an integral part of the vehicle frame. Always reinstall the hitch before delivery of the vehicle to the customer. Failure to follow this instruction may compromise vehicle crash integrity and increase the risk of personal injury in a rear end collision.

1. With the vehicle in NEUTRAL, position it on a hoist. For additional information, refer to Vehicle Jacking and Lifting.

2. Remove the trailer hitch rear bumper cover trim panel, if equipped.

3. Remove the 4 trailer lighting plug cover bolts.





4. Remove the trailer lighting plug.
- Position the plug away from the trailer hitch.

- Disconnect the electrical connector.

- Remove the trailer lighting plug.





5. Remove the electrical connector from the trailer hitch and unclip the harness from the retainers on the frame.





6. Remove the 4 trailer hitch side mounting bolts (2 each side).
- To install, tighten to 175 Nm (129 lb-ft).





7. Remove the 4 trailer hitch lower mounting bolts (2 each side) and remove the trailer hitch.
- To install, tighten to 275 Nm (203 lb-ft).





8. To install, reverse the removal procedure.