Operation CHARM: Car repair manuals for everyone.
Manuals through 2025 now available!

Our trusted friends have launched a new website named LEMON, which has newer manuals. It also contains all the CHARM manuals.

LEMON is the spiritual successor to CHARM, I recommend you try it!

Link: lemon-manuals.la or lemon-manuals.org.ua

(Some people have issue connecting. LEMON is investigating. For now, use Firefox or change your DNS server)

Or, hide this message: temporarily or permanently

Pinpoint Test H: The Doors Do Not Lock/Unlock Using The Keyless Entry Keypad




Handles, Locks, Latches and Entry Systems

Pinpoint Tests

Pinpoint Test H: The Doors Do Not Lock/Unlock Using The Keyless Entry Keypad

Refer to Wiring Diagram Set 117, Remote Keyless Entry and Alarm for schematic and connector information. Diagrams By Number

Normal Operation

The Smart Junction Box (SJB) monitors for a ground signal on the keyless entry keypad signal input circuits. When an individual keypad button is pressed, an individual or combination of the input circuits is routed to ground. The SJB then determines which button was pressed based on which circuit(s) are grounded. The keypad has a dedicated ground circuit. Once the SJB determines that the 5-digit personal entry code, or the factory set 5-digit entry code has been entered on the keypad, the SJB then energizes the driver door unlock relay to unlock the driver door.

To unlock all the doors and liftgate, the 3/4 button must be pressed within 5 seconds of the 5-digit code being entered.

To lock all the doors and liftgate, the 5-digit code does not need to be entered. Press the 7/8 and 9/0 buttons at the same time, with the driver door closed.

To open the liftglass, the 5/6 button must be pressed within 5 seconds of the 5-digit code being entered.

The keyless entry keypad has an anti-scan feature to help prevent theft. If a valid 5-digit code is not entered within 7 attempts (35 consecutive button presses), the keyless entry keypad goes into anti-scan mode. In anti-scan mode, the keypad illumination flashes and all input is ignored except for pressing the 7/8 and 9/0 buttons, which locks all the doors.

- DTC B2A26 (Keypad Switch Circuit Failure) - a continuous and on-demand DTC that sets when the SJB detects a short to ground on any of the keypad input circuits. This DTC may also set if any of the keypad buttons are pressed for longer than 2 minutes.

This pinpoint test is intended to diagnose the following:

- Wiring, terminals or connectors
- Keyless entry keypad
- SJB



PINPOINT TEST H: THE DOORS DO NOT LOCK/UNLOCK USING THE KEYLESS ENTRY KEYPAD

NOTICE: Use the correct probe adapter(s) when making measurements. Failure to use the correct probe adapter(s) may damage the connector.

NOTE: Failure to disconnect the battery when instructed will result in false resistance readings. Refer to Battery.

-------------------------------------------------
H1 CHECK THE SJB PID (KEYCODE)


- Enter the following diagnostic mode on the scan tool: SJB DataLogger .
- Observe the SJB PID (KEYCODE). Read and record the 5-digit factory set entry code.
- Enter the 5-digit factory set entry code on the keyless entry keypad.
- Do the doors unlock?

Yes
The system is operating as designed. INFORM the customer of the correct system operation.

No
GO to H2.

-------------------------------------------------
H2 RETRIEVE THE RECORDED SJB DTCs FROM THE SELF-TEST


- Check for recorded SJB DTCs from the self-test.
- Is DTC B2A26 recorded?

Yes
GO to H3.

No
GO to H4.

-------------------------------------------------
H3 REPEAT THE SJB SELF-TEST


- Disconnect: Keyless Entry Keypad C500 .
- Clear the DTCs, then repeat the SJB self-test.
- Is DTC B2A26 recorded?

Yes
GO to H9.

No
INSTALL a new keyless entry keypad. REFER to Keyless Entry Keypad Service and Repair. CLEAR the DTCs. REPEAT the self-test.

-------------------------------------------------
H4 CHECK THE SJB PID (KEY_PAD)


- Enter the following diagnostic mode on the scan tool: SJB DataLogger .
- Press each keyless entry keypad button while observing the SJB PID (KEY_PAD) .
- Does the PID display the correct values?

Yes
GO to H10.

No
GO to H5.

-------------------------------------------------
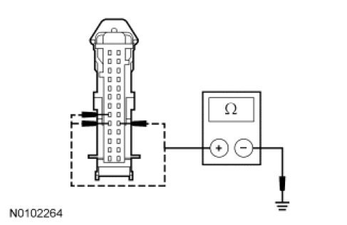
H5 CHECK THE KEYPAD GROUND CIRCUIT FOR AN OPEN


- Disconnect: Negative Battery Cable .
- Disconnect: Keyless Entry Keypad C500 .
- Measure the resistance between the keyless entry keypad C500-5, circuit GD133 (BK), harness side and ground.




- Is the resistance less than 5 ohms?

Yes
GO to H6.

No
REPAIR circuit GD133 (BK) for an open. TEST the system for normal operation.

-------------------------------------------------
H6 CHECK THE KEYLESS ENTRY KEYPAD


- Connect: Negative Battery Cable .
- Connect a fused jumper wire between the keyless entry keypad, harness side, while monitoring the SJB PID (KEY_PAD) as follows:









- Does the PID display the correct values?

Yes
INSTALL a new keyless entry keypad. REFER to Keyless Entry Keypad Service and Repair.

No
REMOVE the jumper wire. GO to H7.

-------------------------------------------------
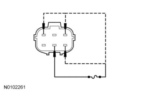
H7 CHECK THE KEYPAD INPUT CIRCUITS FOR AN OPEN


- Disconnect: SJB C2280c .
- Measure the resistance between the SJB, harness side and the keyless entry keypad, harness side as follows:









- Are the resistances less than 5 ohms?

Yes
GO to H8.

No
REPAIR the circuit in question. TEST the system for normal operation.

-------------------------------------------------
H8 CHECK THE KEYPAD INPUT CIRCUITS FOR A SHORT TO EACH OTHER


- Measure the resistance between the SJB, harness side as follows:









- Are the resistances greater than 10,000 ohms?

Yes
GO to H9.

No
REPAIR the circuit in question. TEST the system for normal operation.

-------------------------------------------------
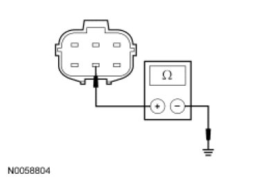
H9 CHECK THE KEYPAD INPUT CIRCUITS FOR A SHORT TO GROUND


- Ignition OFF.
- Disconnect: SJB C2280c .
- Measure the resistance between the SJB, harness side and ground as follows:









- Are the resistances greater than 10,000 ohms?

Yes
GO to H10.

No
REPAIR the circuit in question. CLEAR the DTCs. REPEAT the self-test.

-------------------------------------------------
H10 CHECK FOR CORRECT SJB OPERATION


- Disconnect all the SJB connectors.
- Check for:
- corrosion
- damaged pins
- pushed-out pins
- Connect all the SJB connectors and make sure they seat correctly.
- Operate the system and verify the concern is still present.
- Is the concern still present?

Yes
INSTALL a new SJB. REFER to Body Control Systems. TEST the system for normal operation.

No
The system is operating correctly at this time. The concern may have been caused by a loose or corroded connector.

-------------------------------------------------