Operation CHARM: Car repair manuals for everyone.
Manuals through 2025 now available!

Our trusted friends have launched a new website named LEMON, which has newer manuals. It also contains all the CHARM manuals.

LEMON is the spiritual successor to CHARM, I recommend you try it!

Link: lemon-manuals.la or lemon-manuals.org.ua

(Some people have issue connecting. LEMON is investigating. For now, use Firefox or change your DNS server)

Or, hide this message: temporarily or permanently

Pinpoint Test H: The Smart Junction Box (SJB) Does Not Respond To The Scan Tool




Communications Network

Pinpoint Tests

Pinpoint Test H: The Smart Junction Box (SJB) Does Not Respond To The Scan Tool

Refer to Wiring Diagram Set 10, Grounds for schematic and connector information. Diagrams By Number

Refer to Wiring Diagram Set 13, Power Distribution/SJB for schematic and connector information. Diagrams By Number

Refer to Wiring Diagram Set 14, Module Communications Network for schematic and connector information. Diagrams By Number

Normal Operation

The Smart Junction Box (SJB) communicates with the scan tool through the Medium Speed Controller Area Network (MS-CAN).

This pinpoint test is intended to diagnose the following:

- Fuse
- Wiring, terminals or connectors
- SJB



PINPOINT TEST H: THE SJB DOES NOT RESPOND TO THE SCAN TOOL

NOTICE: Use the correct probe adapter(s) when making measurements. Failure to use the correct probe adapter(s) may damage the connector.

NOTE: Failure to disconnect the battery when instructed will result in false resistance readings. Refer to Battery.

-------------------------------------------------
H1 CHECK THE SJB FUSE FOR VOLTAGE


- Ignition OFF.

- NOTE: Measurements are taken with the fuses installed.
- Measure the voltage between the SJB fuse 5 (10A) and ground.




- Is the voltage greater than 10 volts?

Yes
GO to H2.

No
VERIFY the SJB fuse 5 (10A) is OK. If OK, GO to H4. If not OK, REFER to the Wiring Diagrams to identify the possible causes of the circuit short. Diagrams By Number

-------------------------------------------------
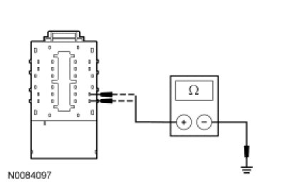
H2 CHECK THE SJB GROUND CIRCUITS FOR AN OPEN


- Disconnect: Negative Battery Cable.
- Disconnect: SJB C2280d.
- Measure the resistance between the SJB, harness side and ground as follows:









- Are the resistances less than 5 ohms?

Yes
GO to H3.

No
REPAIR the circuit. CONNECT the negative battery cable. CLEAR the DTCs. REPEAT the network test with the scan tool.

-------------------------------------------------
H3 CHECK THE MS-CAN CIRCUITS BETWEEN THE SJB AND THE DLC FOR AN OPEN


- Disconnect: SJB C2280b.
- Measure the resistance between the SJB C2280b-37, circuit VDB06 (GY/OG), harness side and the Data Link Connector (DLC) C251-3, circuit VDB06 (GY/OG), harness side.




- Measure the resistance between the SJB C2280b-38, circuit VDB07 (VT/OG), harness side and the DLC C251-11, circuit VDB07 (VT/OG), harness side.




- Are the resistances less than 5 ohms?

Yes
CONNECT the negative battery cable. GO to H4.

No
REPAIR the circuit in question. CONNECT the negative battery cable. CLEAR the DTCs. REPEAT the network test with the scan tool.

-------------------------------------------------
H4 CHECK FOR CORRECT SJB OPERATION


- Disconnect all the SJB connectors.
- Check for:
- corrosion
- damaged pins
- pushed-out pins
- Connect all the SJB connectors and make sure they seat correctly.
- Operate the system and verify the concern is still present.
- Is the concern still present?

Yes
INSTALL a new SJB. REFER to Body Control Systems. CLEAR the DTCs. REPEAT the network test with the scan tool.

No
The system is operating correctly at this time. The concern may have been caused by a loose or corroded connector.

-------------------------------------------------