Operation CHARM: Car repair manuals for everyone.
Manuals through 2025 now available!

Our trusted friends have launched a new website named LEMON, which has newer manuals. It also contains all the CHARM manuals.

LEMON is the spiritual successor to CHARM, I recommend you try it!

Link: lemon-manuals.la or lemon-manuals.org.ua

(Some people have issue connecting. LEMON is investigating. For now, use Firefox or change your DNS server)

Or, hide this message: temporarily or permanently

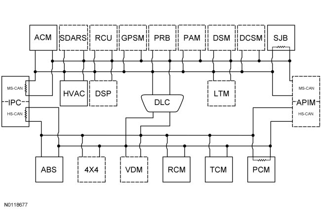
Information Bus: Description and Operation




Communications Network

NOTE: The Smart Junction Box (SJB) is also known as the Generic Electronic Module (GEM).

Multiplexing is a method of sending 2 or more signals simultaneously over a single circuit. Multiplexing is used to allow 2 or more electronic modules (nodes) to communicate simultaneously over a twisted-wire pair [data (+) and data (-)] network. The information or messages that can be communicated on these wires consists of commands, status or data. The advantage of using multiplexing is to reduce the weight of the vehicle by reducing the number of redundant components and electrical wiring.

The vehicle has 2 module communication networks which are connected to the Data Link Connector (DLC), located under the instrument panel:

- High Speed Controller Area Network (HS-CAN)
- Medium Speed Controller Area Network (MS-CAN)

Network Topology









Network Termination

The Controller Area Network (CAN) uses network termination to improve communication reliability. Termination modules are located at both ends of the network. As network messages are broadcast in the form of voltage signals, the network voltage signals are stabilized by the termination resistors.

Each termination module has an internal 120 ohm resistor that bridges across the positive and negative bus connection. With two 120 ohm resistors located in a parallel circuit configuration, the total network impedance, or total resistance, is 60 ohms.

Network termination improves bus message reliability by:

- stabilizing bus voltage.
- eliminating electrical interference.

Gateway Module

The IC is the gateway module, translating messages on the HS-CAN to MS-CAN and vice versa. This allows a message to be distributed throughout both networks. The IC is the only module on this vehicle that has this ability.