Operation CHARM: Car repair manuals for everyone.
Manuals through 2025 now available!

Our trusted friends have launched a new website named LEMON, which has newer manuals. It also contains all the CHARM manuals.

LEMON is the spiritual successor to CHARM, I recommend you try it!

Link: lemon-manuals.la or lemon-manuals.org.ua

(Some people have issue connecting. LEMON is investigating. For now, use Firefox or change your DNS server)

Or, hide this message: temporarily or permanently

Pinpoint Test D: The Restraints Control Module (RCM) Does Not Respond To The Scan Tool




Communications Network

Pinpoint Tests

Pinpoint Test D: The Restraints Control Module (RCM) Does Not Respond To The Scan Tool

Refer to Wiring Diagram Set 14, Module Communications Network for schematic and connector information. Diagrams By Number

Refer to Wiring Diagram Set 46, Supplemental Restraint System for schematic and connector information. Diagrams By Number

Normal Operation

The Restraints Control Module (RCM) communicates with the scan tool through the High Speed Controller Area Network (HS-CAN).

This pinpoint test is intended to diagnose the following:

- Fuse
- Wiring, terminals or connectors
- Case ground open
- RCM

PINPOINT TEST D: THE RCM DOES NOT RESPOND TO THE SCAN TOOL

WARNING: Never probe the electrical connectors on air bag, Safety Canopy(R) or side air curtain modules. Failure to follow this instruction may result in the accidental deployment of these modules, which increases the risk of serious personal injury or death.

WARNING: Never disassemble or tamper with safety belt buckle/retractor pretensioners or adaptive load limiting retractors or probe the electrical connectors. Failure to follow this instruction may result in the accidental deployment of the safety belt pretensioners or adaptive load limiting retractors which increases the risk of serious personal injury or death.

NOTE: The Supplemental Restraint System (SRS) must be fully operational and free of faults before releasing the vehicle to the customer.

NOTE: Most faults are due to connector and/or wiring concerns. Carry out a thorough inspection and verification before proceeding with the Pinpoint Test. Inspection and Verification

NOTE: Failure to disconnect the battery when instructed will result in false resistance readings. Refer to Battery, Mounting and Cables Battery Disconnect.

-------------------------------------------------
D1 CHECK THE RCM CONNECTION


- Ignition OFF.
- Depower the SRS. Refer to Supplemental Restraint System Supplemental Restraint System (SRS) Depowering and Repowering.
- Disconnect: RCM C310a.
- Disconnect: RCM C310b.
- Are RCM C310a-24, C310b-17 and C310b-18 OK?

Yes
GO to D2.

No
REPAIR the RCM connector pins as necessary. REPOWER the SRS. REFER to Supplemental Restraint System Supplemental Restraint System (SRS) Depowering and Repowering. CLEAR the DTCs. REPEAT the network test with the scan tool.

-------------------------------------------------
D2 CHECK THE RCM VOLTAGE SUPPLY CIRCUIT FOR AN OPEN


- Repower the SRS. Refer to Supplemental Restraint System Supplemental Restraint System (SRS) Depowering and Repowering.
- Ignition ON.
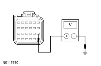
- Measure the voltage between the RCM C310a-13, circuit CBP32 (GN/VT), harness side and ground.




- Is the voltage greater than 10 volts?

Yes
GO to D3.

No
VERIFY the Smart Junction Box (SJB) fuse 32 (10A) is OK. If OK, REPAIR the circuit. If not OK, REFER to the Wiring Diagrams to identify the possible causes of the circuit short. REACTIVATE the SRS. REFER to Supplemental Restraint System Supplemental Restraint System (SRS) Depowering and Repowering. CLEAR the DTCs. REPEAT the network test with the scan tool. Diagrams By Number

-------------------------------------------------
D3 CHECK THE RCM CASE GROUND


- Ignition OFF.
- Disconnect: Negative Battery Cable.
- Measure the resistance between the RCM case and a good chassis ground.
- Is the resistance less than 5 ohms?

Yes
GO to D4.

No
REPAIR the RCM case ground as necessary. CONNECT the negative battery cable. REACTIVATE the SRS. REFER to Supplemental Restraint System Supplemental Restraint System (SRS) Depowering and Repowering. CLEAR the DTCs. REPEAT the network test with the scan tool.

-------------------------------------------------
D4 CHECK THE HS-CAN CIRCUITS BETWEEN THE RCM AND THE DLC FOR AN OPEN


- Measure the resistance between the RCM C310b-10, circuit VDB04 (WH/BU), harness side and the Data Link Connector (DLC) C251-6, circuit VDB04 (WH/BU), harness side.




- Measure the resistance between the RCM C310b-9, circuit VDB05 (WH), harness side and the DLC C251-14, circuit VDB05 (WH), harness side.




- Are the resistances less than 5 ohms?

Yes
CONNECT the negative battery cable. GO to D5.

No
REPAIR the circuit in question. CONNECT the negative battery cable. REACTIVATE the SRS. REFER to Supplemental Restraint System Supplemental Restraint System (SRS) Depowering and Repowering. CLEAR the DTCs. REPEAT the network test with the scan tool.

-------------------------------------------------
D5 CHECK FOR CORRECT RCM OPERATION


- Disconnect all the RCM connectors.
- Check for:
- corrosion
- damaged pins
- pushed-out pins
- Connect all the RCM connectors and make sure they seat correctly.
- Operate the system and verify the concern is still present.
- Is the concern still present?

Yes
INSTALL a new RCM. REACTIVATE the SRS. REFER to Supplemental Restraint System Supplemental Restraint System (SRS) Depowering and Repowering. CLEAR the DTCs. REPEAT the network test with the scan tool.

No
The system is operating correctly at this time. The concern may have been caused by a loose or corroded connector. REACTIVATE the SRS. REFER to Supplemental Restraint System Supplemental Restraint System (SRS) Depowering and Repowering.

-------------------------------------------------