Operation CHARM: Car repair manuals for everyone.
Manuals through 2025 now available!

Our trusted friends have launched a new website named LEMON, which has newer manuals. It also contains all the CHARM manuals.

LEMON is the spiritual successor to CHARM, I recommend you try it!

Link: lemon-manuals.la or lemon-manuals.org.ua

(Some people have issue connecting. LEMON is investigating. For now, use Firefox or change your DNS server)

Or, hide this message: temporarily or permanently

Seat Back




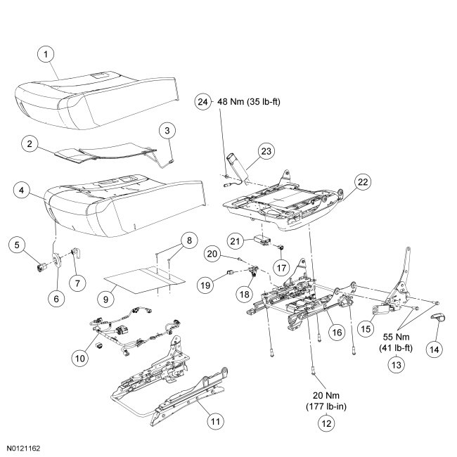
Seat - Exploded View, Front

Front Seat Backrest

NOTE: Driver seat shown, passenger similar.











Driver cushion

NOTE: Driver seat shown. For disassembly and assembly of the passenger seat cushion, refer to Occupant Classification Sensor procedure in Supplemental Restraint System Service and Repair.