Operation CHARM: Car repair manuals for everyone.
Manuals through 2025 now available!

Our trusted friends have launched a new website named LEMON, which has newer manuals. It also contains all the CHARM manuals.

LEMON is the spiritual successor to CHARM, I recommend you try it!

Link: lemon-manuals.la or lemon-manuals.org.ua

(Some people have issue connecting. LEMON is investigating. For now, use Firefox or change your DNS server)

Or, hide this message: temporarily or permanently

Crankshaft Position Sensor: Service and Repair




Crankshaft Position (CKP) Sensor

Removal and Installation

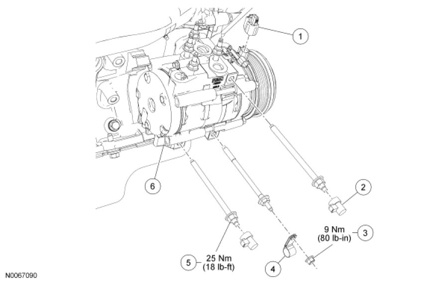
A/C Compressor









Crankshaft Position (CKP) Sensor









1. With the vehicle in NEUTRAL, position it on a hoist. For additional information, refer to Jacking and Lifting Service and Repair.

2. Rotate the tensioner and remove the accessory drive belt from the A/C compressor pulley.





3. Disconnect the A/C compressor field coil electrical connector.

4. Disconnect the CKP sensor electrical connector.

5. Remove the nut and detach the 2 wiring harness clips.
- To install, tighten to 9 Nm (80 lb-in).





6. NOTE: It is not necessary to remove the A/C compressor stud bolts.

Loosen the 3 A/C compressor stud bolts enough to slide the compressor down one inch, allowing access for CKP sensor removal.

- To install, tighten to 25 Nm (18 lb-ft).





7. Remove the bolt and the CKP sensor.
- To install, tighten to 10 Nm (89 lb-in).

8. To install, reverse the removal procedure.