Operation CHARM: Car repair manuals for everyone.
Manuals through 2025 now available!

Our trusted friends have launched a new website named LEMON, which has newer manuals. It also contains all the CHARM manuals.

LEMON is the spiritual successor to CHARM, I recommend you try it!

Link: lemon-manuals.la or lemon-manuals.org.ua

(Some people have issue connecting. LEMON is investigating. For now, use Firefox or change your DNS server)

Or, hide this message: temporarily or permanently

Pinpoint Test P: No ISO 9141 Network Communications, All Modules Are Not Responding




Communications Network

Pinpoint Test P: No ISO 9141 Network Communications, All Modules Are Not Responding

Refer to Wiring Diagram Set 14, Module Communications Network for schematic and connector information. Diagrams By Number

Normal Operation

The Restraints Control Module (RCM), Parking Aid Module (PAM) and the Liftgate/Trunk Module (LTM) communicate with the scan tool through the ISO 9141 communications network.

This pinpoint test is intended to diagnose the following:

- Wiring, terminals or connectors
- LTM
- PAM
- RCM


PINPOINT TEST P: NO ISO 9141 NETWORK COMMUNICATIONS, ALL MODULES ARE NOT RESPONDING

NOTICE: Use the correct probe adapter(s) when making measurements. Failure to use the correct probe adapter(s) may damage the connector.

NOTE: Most faults are due to connector and/or wiring concerns. Carry out a thorough inspection and verification before proceeding with the Pinpoint Test. Inspection And Verification

NOTE: Failure to disconnect the battery will result in false resistance readings. Refer to Battery, Mounting and Cables Battery Disconnect.

-------------------------------------------------
P1 CHECK DLC PINS FOR DAMAGE


- Ignition OFF.
- Disconnect the scan tool cable from the DLC.
- Inspect the DLC pin 7 for damage.




- Is the DLC pin 7 OK?

Yes
GO to P2.

No
REPAIR the DLC as necessary. CLEAR the DTCs. REPEAT the network test with the scan tool.

-------------------------------------------------
P2 CHECK THE ISO CIRCUIT FOR A SHORT TO VOLTAGE


- Depower the Supplemental Restraint System (SRS). Refer to Supplemental Restraint System Supplemental Restraint System (SRS) Depowering and Repowering.
- Disconnect: RCM C310a.
- Repower the SRS. Refer to Supplemental Restraint System Supplemental Restraint System (SRS) Depowering and Repowering.
- Disconnect: PAM C4014.
- Disconnect: LTM C4081a.
- Ignition ON.
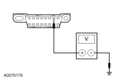
- Measure the voltage between the DLC C251-7, circuit 70 (LB/WH), harness side and ground.




- Is any voltage present?

Yes
REPAIR the circuit. CLEAR the DTCs. REPEAT the network test with the scan tool.

No
GO to P3.

-------------------------------------------------
P3 CHECK THE ISO 9141 CIRCUIT FOR A SHORT TO GROUND


- Ignition OFF.
- Disconnect: Negative Battery Cable.
- Measure the resistance between the DLC C251-7, circuit 70 (LB/WH), harness side and ground.




- Is the resistance greater than 10,000 ohms?

Yes
GO to P4.

No
REPAIR the circuit. CONNECT the negative battery cable. CLEAR the DTCs. REPEAT the network test with the scan tool.

-------------------------------------------------
P4 CHECK THE ISO 9141 CIRCUIT BETWEEN THE RCM AND THE DLC FOR AN OPEN


- Measure the resistance between the RCM C310a-11, circuit 70 (LB/WH), harness side and the DLC C251-7, circuit 70 (LB/WH), harness side.




- Is the resistance less than 5 ohms?

Yes
CONNECT the negative battery cable. GO to P5.

No
REPAIR the circuit. CONNECT the negative battery cable. CLEAR the DTCs. REPEAT the network test with the scan tool.

-------------------------------------------------
P5 CHECK THE ISO 9141 OPERATION WITH THE RCM CONNECTED


- Depower the SRS. Refer to Supplemental Restraint System Supplemental Restraint System (SRS) Depowering and Repowering.
- Connect: RCM C310a.
- Repower the SRS. Refer to Supplemental Restraint System Supplemental Restraint System (SRS) Depowering and Repowering.
- Ignition ON.
- Repeat the network test with the scan tool.
- Can the scan tool communicate with the RCM?

Yes
GO to P6.

No
GO to P10.

-------------------------------------------------
P6 CHECK THE ISO 9141 OPERATION WITH THE PAM CONNECTED


- Ignition OFF.
- Connect: PAM C4014.
- Ignition ON.
- Repeat the network test with the scan tool.
- Can the scan tool communicate with the PAM?

Yes
The network is operating correctly at this time. GO to P7.

No
GO to P8.

-------------------------------------------------
P7 CHECK THE ISO 9141 OPERATION WITH THE LTM CONNECTED


- Ignition OFF.
- Connect: LTM C4081a.
- Ignition ON.
- Repeat the network test with the scan tool.
- Can the scan tool communicate with the LTM?

Yes
The system is operating correctly at this time. CLEAR the DTCs. REPEAT the network test with the scan tool.

No
GO to P9.

-------------------------------------------------
P8 CHECK FOR CORRECT PAM OPERATION


- Disconnect the PAM connector.
- Check for:
- corrosion
- damaged pins
- pushed-out pins
- Connect the PAM connector and make sure it seats correctly.
- Operate the system and verify the concern is still present.
- Is the concern still present?

Yes
INSTALL a new PAM. REFER to Parking Aid Service and Repair. CLEAR the DTCs. REPEAT the network test with the scan tool.

No
The system is operating correctly at this time. The concern may have been caused by a loose or corroded connector. CLEAR the DTCs. REPEAT the network test with the scan tool.

-------------------------------------------------
P9 CHECK FOR CORRECT LTM OPERATION


- Disconnect all the LTM connectors.
- Check for:
- corrosion
- damaged pins
- pushed-out pins
- Connect all the LTM connectors and make sure they seat correctly.
- Operate the system and verify the concern is still present.
- Is the concern still present?

Yes
INSTALL a new LTM. CLEAR the DTCs. REPEAT the network test with the scan tool.

No
The system is operating correctly at this time. The concern may have been caused by a loose or corroded connector. CLEAR the DTCs. REPEAT the network test with the scan tool.

-------------------------------------------------
P10 CHECK FOR CORRECT RCM OPERATION


- Disconnect all the RCM connectors.
- Check for:
- corrosion
- damaged pins
- pushed-out pins
- Connect all the RCM connectors and make sure they seat correctly.
- Operate the system and verify the concern is still present.
- Is the concern still present?

Yes
INSTALL a new RCM. REFER to Supplemental Restraint System Service and Repair. CLEAR the DTCs. REPEAT the network test with the scan tool.

No
The system is operating correctly at this time. The concern may have been caused by a loose or corroded connector. CLEAR the DTCs. REPEAT the network test with the scan tool.

-------------------------------------------------