Operation CHARM: Car repair manuals for everyone.
Manuals through 2025 now available!

Our trusted friends have launched a new website named LEMON, which has newer manuals. It also contains all the CHARM manuals.

LEMON is the spiritual successor to CHARM, I recommend you try it!

Link: lemon-manuals.la or lemon-manuals.org.ua

(Some people have issue connecting. LEMON is investigating. For now, use Firefox or change your DNS server)

Or, hide this message: temporarily or permanently

Pinpoint Test G: The Memory Seat Does Not Operate Correctly - Does Not Operate Using the Memory SET Switch




Seats

Pinpoint Test G: The Memory Seat Does Not Operate Correctly - Does Not Operate Using the Memory SET Switch

Normal Operation

The driver seat control switch is supplied battery voltage on circuit CBX04 (WH/RD) and is supplied ground on circuit GD904 (BK/BU). When pressed, the seat control switch supplies voltage and ground to the applicable Driver Seat Module (DSM) inputs. The DSM (Driver Seat Module) then supplies voltage and ground to the appropriate power seat track motor or power recline motor based on the inputs received from the seat control switch. When pressed in the opposite direction, the seat control switch reverses the polarity to the DSM (Driver Seat Module) inputs, and the DSM (Driver Seat Module) likewise reverses polarity of the appropriate power seat track motor or power recliner motor circuits causing the seat or backrest to move in the opposite direction. There are 3 power seat track motors that combine to move the seat horizontally (forward/backward) and vertically (front up/down and rear up/down). The seat backrest power recliner mechanism uses a single motor to move the seat backrest forward and backward.

Battery voltage is also supplied to the DSM (Driver Seat Module) on circuit CBX05 (VT/RD) and CBX03 (BU/RD). Ground is supplied to the DSM (Driver Seat Module) on circuits GD906 (BK/GY) and GD905 (BK/GN).

Each motor in the memory power seat track and power recliner mechanism contains a Hall-effect position sensor. The DSM (Driver Seat Module) supplies a shared signal feed circuit to each position sensor. Each position sensor sends a signal pulse back to the DSM (Driver Seat Module) to monitor the position of the power seat and seat backrest. The DSM (Driver Seat Module) uses this information to return the seat to a stored pre-programmed position when pressing the memory SET switch or a Remote Keyless Entry (RKE). For information on programming memory positions or recalling a stored memory position, refer to Memory Position Programming Programming and Relearning.

The following pinpoint test diagnoses a memory seat that does not operate correctly using the memory SET switch. If the memory seat does not move in all directions using the seat control switch, GO to Pinpoint Test F. Pinpoint Test F: The Memory Seat is Inoperative/Does Not Operate Correctly - Does Not Operate Horizontally/Vertically/Recline





This pinpoint test is intended to diagnose the following:

- Wiring, terminals or connectors

- Memory SET switch

- Missing status information (Controller Area Network (CAN) communication bus messages):
- ignition switch status

- gear selector position


- Remote entry transmitter

- Memory power seat track

- Seat recliner motor

- DDM (Driver Door Module)

- DSM (Driver Seat Module)

PINPOINT TEST G : THE MEMORY SEAT DOES NOT OPERATE CORRECTLY - DOES NOT OPERATE USING THE MEMORY SET SWITCH

NOTE: The air bag warning indicator illuminates when the correct Restraints Control Module (RCM) fuse is removed and the ignition is ON.

NOTE: The Supplemental Restraint System (SRS) must be fully operational and free of faults before releasing the vehicle to the customer.

NOTE: If a new DSM (Driver Seat Module) has been installed, all memory seat and memory steering column soft stops must be reset. If a new seat track, recline motor or power steering column has been installed, only reset the soft stops for that component being installed new. To reset the soft stops, refer to Principles of Operation. Principles of Operation

NOTE: Verify good battery condition before diagnosing the memory seat system. Poor battery condition may interfere with memory seat operation, even if vehicle starting is possible.

NOTE: Verify the PID(s) states agree with the ignition and transmission gear selector in all positions before proceeding with memory seat diagnosis.

NOTE: Refer to Description and Operation, Intelligent Access with Push Button Start in Antitheft and Alarm Systems to review the procedures for achieving the various ignition states (ignition OFF, ignition in ACCESSORY, ignition ON, ignition START) on vehicles with this feature.

G1 CHECK PCM TRANSMISSION RANGE (TR) PID STATES

- Enter the following diagnostic mode on the scan tool: DataLogger- PCM PID: TR.

- Operate the transmission gear selector in all positions while monitoring the PCM PID TR states.

Do the PID states agree with the selected positions?

Yes
GO to G2.

No
To diagnose a transmission gear selector (PRNDL) status concern, REFER to Automatic Transmission/Transaxle &/or Transmission Control Systems.

G2 CHECK DDM (Driver Door Module) IGNITION KEY STATUS (KEYST) PID STATES

- Enter the following diagnostic mode on the scan tool: DataLogger- DDM (Driver Door Module) PID: KEYST.

- Operate the ignition while monitoring the DDM (Driver Door Module) PID KEYST states.

Do the PID states agree?

Yes
GO to G3.

No
To diagnose an ignition status concern, REFER to Steering Column.

G3 RETRIEVE DSM (Driver Seat Module) AND DDM (Driver Door Module) DTCs

- Operate the memory seat, memory mirrors and adjustable memory steering column in all directions through the full range of travel.

- Enter the following diagnostic mode on the scan tool: Self Test- DSM (Driver Seat Module).

- Enter the following diagnostic mode on the scan tool: Self Test- DDM (Driver Door Module).

Are any DSM (Driver Seat Module) or DDM (Driver Door Module) DTCs retrieved?

Yes
If DTCs B1952, B1956, B1960 and B1964 are all retrieved, GO to G10.

If DTCs B1953, B1957, B1961 and B1965 are all retrieved, GO to G10.

If DTC B1534, GO to G5.

If DTC B1538, GO to G5.

If DTC B1663, GO to G11.

If DTC B1664, GO to G14.

If DTC B1665, GO to G17.

If DTC B1666, GO to G20.

If DTC B1952, GO to G14.

If DTC B1953, GO to G14.

If DTC B1956, GO to G11.

If DTC B1957, GO to G11.

If DTC B1960, GO to G20.

If DTC B1961, GO to G20.

If DTC B1964, GO to G17.

If DTC B1965, GO to G17.

If DTC B1342, INSTALL a new DSM (Driver Seat Module). REFER to Driver Seat Module (DSM) . CLEAR the DTCs. REPEAT the self-test.

For any other DSM (Driver Seat Module) DTCs, REFER to the Driver Seat Module (DSM) DTC Chart. Seats

For any other Driver Door Module (DDM) DTCs, REFER to Doors, Hood and Trunk &/or Locks.

No
GO to G4.

G4 MONITOR DSM (Driver Seat Module) PIDs AND CHECK FOR CORRECT MEMORY SET SWITCH INPUTS

- Enter the following diagnostic mode on the scan tool: DataLogger- DSM (Driver Seat Module) PIDs.
- Memory 1 recall switch status (MEM_1)
- Memory 2 recall switch status (MEM_2)


- Monitor the DSM (Driver Seat Module) PIDs while activating the memory recall 1 and recall 2 buttons.

Do the PID values agree with the switch button positions?

Yes
GO to G10.

No
GO to G5.

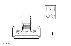
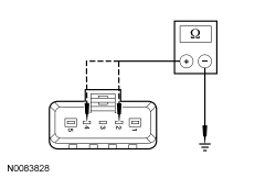
G5 CHECK MEMORY SET SWITCH

- Ignition OFF.

- Disconnect: Memory SET Switch C503.

- Measure the resistance between the memory SET switch pins, component side, while pressing the indicated switch buttons and compare the results to the table.

Memory Switch Button Pins Ohms Memory Switch 1 2 and 7 Less than 20 Memory Switch 2 6 and 7 Less than 20






Is the resistance less than 20 ohms with the switch buttons depressed and greater than 10,000 ohms with the switch buttons released?

Yes
GO to G6.

No
INSTALL a new memory SET switch. REFER to Memory Set Switch .

CLEAR the DTCs. REPEAT the self-test.

G6 CHECK MEMORY SWITCH GROUND CIRCUIT FOR AN OPEN

- Measure the resistance between memory SET switch C503-7, circuit GD133 (BK), harness side and ground.





Is the resistance less than 5 ohms?

Yes
GO to G7.

No
REPAIR the circuit. CLEAR the DTCs. REPEAT the self-test.

G7 CHECK CIRCUITS FOR A SHORT TO VOLTAGE

- Disconnect: DDM (Driver Door Module) C501a.

- Ignition ON.

- Measure the voltage between memory SET switch C503, harness side and ground using the following chart.

Connector- Pin Circuit C503-2 CPS15 (VT/WH) C503-6 CPS16 (YE)






Is voltage present on either circuit?

Yes
REPAIR the circuit(s). CLEAR the DTCs. REPEAT the self-test.

No
GO to G8.

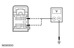
G8 CHECK MEMORY SET SWITCH CIRCUITS FOR A SHORT TO GROUND

- Ignition OFF.

- Measure the resistance between SET switch C503, harness side and ground using the following chart.

Connector- Pin Circuit C503-2 CPS15 (VT/WH) C503-6 CPS16 (YE)






Are the resistances greater than 10,000 ohms?

Yes
GO to G9.

No
REPAIR the circuit(s). CLEAR the DTCs. REPEAT the self-test.

G9 CHECK MEMORY SET SWITCH CIRCUITS FOR AN OPEN

- Measure the resistance between memory SET switch C503 and DDM (Driver Door Module) C501A, using the following chart.

Memory SET Switch- Pin Circuit DDM (Driver Door Module)- Pin C503-2 CPS15 (VT/WH) C501A-16 C503-6 CPS16 (YE) C501A-17






Are the resistances less than 5 ohms?

Yes
INSTALL a new DDM (Driver Door Module). CLEAR the DTCs. REPEAT the self-test.

No
REPAIR the circuit(s). CLEAR the DTCs. REPEAT the self-test.

G10 MONITOR THE DSM (Driver Seat Module) PIDs

- Enter the following diagnostic mode on the scan tool: DataLogger- DSM (Driver Seat Module) PIDs.
- Driver Power Seat Front Up/Down Sense (SFNT_MT)
- Driver Power Seat Forward/Backward Sense (SFWD_MT)
- Driver Power Seat Recline Sense (SRCL_MT)
- Driver Power Seat Rear Up/Down Sense (SREARMT)


- Operate the memory seat in all directions through the full range of travel while monitoring the PIDs.

Does each PID indicate the sensor is operational throughout each associated motor's full range of travel?

Yes
INSTALL a new DSM (Driver Seat Module). REFER to Driver Seat Module (DSM) . CLEAR the DTCs. REPEAT the self-test.

No
If front up/down position sensor PID value indicates not present, GO to G11.

If rear up/down position sensor PID value indicates not present, GO to G14.

If forward/rearward position sensor PID value indicates not present, GO to G17.

If recline position sensor PID value indicates not present, GO to G20.

G11 CHECK FRONT HEIGHT MOTOR SENSOR CIRCUITS FOR A SHORT TO VOLTAGE

- Ignition OFF.

- Depower the SRS (Supplemental Restraint System). Refer to Supplemental Restraint System (SRS) Depowering and Repowering in the General Procedures portion of Restraints and Safety Systems &/or Air Bag Systems.

- Disconnect: Driver Seat Safety Belt Buckle Pretensioner C3065.

- Disconnect: Driver Seat Side Air Bag C3134.

- Disconnect: DSM (Driver Seat Module) C341b.

- Disconnect: Front Height Motor C382.

- WARNING: Make sure no one is in the vehicle and there is nothing blocking or placed in front of any air bag module when the battery is connected. Failure to follow these instructions may result in serious personal injury in the event of an accidental deployment.

Connect the battery ground cable.

- Ignition ON.

- Measure the voltage between:
- front height motor C382-4, circuit VPS10 (BU/GN), harness side and ground.

- front height motor C382-3, circuit RPS13 (GN/OG), harness side and ground.






Is voltage present on either circuit?

Yes
REPAIR the circuit(s). CLEAR the DTCs. REPEAT the self-test.

DISCONNECT the battery ground cable.

CONNECT driver safety belt buckle pretensioner C3065.

CONNECT driver seat side air bag module C3134.

REPOWER the SRS (Supplemental Restraint System). REFER to Restraints and Safety Systems &/or Air Bag Systems.

No
GO to G12.

G12 CHECK FRONT HEIGHT MOTOR SENSOR CIRCUITS FOR A SHORT TO GROUND

- Ignition OFF.

- Measure the resistance between:
- front height motor C382-4, circuit VPS10 (BU/GN), harness side and ground.

- front height motor C382-3, circuit RPS13 (GN/OG), harness side and ground.






Are the resistances greater than 10,000 ohms?

Yes
GO to G13.

No
REPAIR the circuit(s). CLEAR the DTCs. REPEAT the self-test.

DISCONNECT the battery ground cable.

CONNECT driver safety belt buckle pretensioner C3065.

CONNECT driver seat side air bag module C3134.

REPOWER the SRS (Supplemental Restraint System). REFER to Restraints and Safety Systems &/or Air Bag Systems.

G13 CHECK THE FRONT HEIGHT MOTOR SENSOR CIRCUITS FOR AN OPEN

- Measure the resistance between:
- front height motor C382-4, circuit VPS10 (BU/GN), harness side and DSM (Driver Seat Module) C341B-4, circuit VPS10 (BU/GN), harness side.

- front height motor C382-3, circuit RPS13 (GN/OG), harness side and DSM (Driver Seat Module) C341B-8, circuit RPS13 (GN/OG), harness side.






Are the resistances less than 5 ohms?

Yes
INSTALL a new driver seat track assembly. REFER to Seat Track . CLEAR the DTCs. REPEAT the self-test.

DISCONNECT the battery ground cable.

CONNECT driver safety belt buckle pretensioner C3065.

CONNECT driver seat side air bag module C3134.

REPOWER the SRS (Supplemental Restraint System). REFER to Restraints and Safety Systems &/or Air Bag Systems.

No
REPAIR the circuit(s). CLEAR the DTCs. REPEAT the self-test.

DISCONNECT the battery ground cable.

CONNECT driver safety belt buckle pretensioner C3065.

CONNECT driver seat side air bag module C3134.

REPOWER the SRS (Supplemental Restraint System). REFER to Restraints and Safety Systems &/or Air Bag Systems.

G14 CHECK THE REAR HEIGHT MOTOR SENSOR CIRCUITS FOR A SHORT TO VOLTAGE

- Ignition OFF.

- Depower the SRS (Supplemental Restraint System). Refer to Supplemental Restraint System (SRS) Depowering and Repowering in the General Procedures portion of Restraints and Safety Systems &/or Air Bag Systems.

- Disconnect: Driver Seat Safety Belt Buckle Pretensioner C3065.

- Disconnect: Driver Seat Side Air Bag C3134.

- Disconnect: DSM (Driver Seat Module) C341b.

- Disconnect: Rear Height Motor C363.

- WARNING: Make sure no one is in the vehicle and there is nothing blocking or placed in front of any air bag module when the battery is connected. Failure to follow these instructions may result in serious personal injury in the event of an accidental deployment.

Connect the battery ground cable.

- Ignition ON.

- Measure the voltage between:
- rear height motor C363-4, circuit VPS11 (GN/BN), harness side and ground.

- rear height motor C363-2, circuit RPS13 (GN/OG), harness side and ground.






Is voltage present on either circuit?

Yes
REPAIR the circuit(s). CLEAR the DTCs. REPEAT the self-test.

DISCONNECT the battery ground cable.

CONNECT driver safety belt buckle pretensioner C3065.

CONNECT driver seat side air bag module C3134.

REPOWER the SRS (Supplemental Restraint System). REFER to Restraints and Safety Systems &/or Air Bag Systems.

No
GO to G15.

G15 CHECK THE REAR HEIGHT MOTOR SENSOR CIRCUITS FOR A SHORT TO GROUND

- Ignition OFF.

- Measure the resistance between:
- rear height motor C363-4, circuit VPS11 (GN/BN), harness side and ground.

- rear height motor C363-2, circuit RPS13 (GN/OG), harness side and ground.






Are the resistances greater than 10,000 ohms?

Yes
GO to G16.

No
REPAIR the circuit(s). CLEAR the DTCs. REPEAT the self-test.

DISCONNECT the battery ground cable.

CONNECT driver safety belt buckle pretensioner C3065.

CONNECT driver seat side air bag module C3134.

REPOWER the SRS (Supplemental Restraint System). REFER to Restraints and Safety Systems &/or Air Bag Systems.

G16 CHECK THE REAR HEIGHT MOTOR SENSOR CIRCUITS FOR AN OPEN

- Measure the resistance between:
- rear height motor C363-4, circuit VPS11 (GN/BN), harness side and DSM (Driver Seat Module) C341B-3, circuit VPS11 (GN/BN), harness side.

- rear height motor C363-2, circuit RPS13 (GN/OG), harness side and DSM (Driver Seat Module) C341B-8, circuit RPS13 (GN/OG), harness side.






Are the resistances less than 5 ohms?

Yes
INSTALL a new driver seat track assembly. REFER to Seat Track . CLEAR the DTCs. REPEAT the self-test.

DISCONNECT the battery ground cable.

CONNECT driver safety belt buckle pretensioner C3065.

CONNECT driver seat side air bag module C3134.

REPOWER the SRS (Supplemental Restraint System). REFER to Restraints and Safety Systems &/or Air Bag Systems.

No
REPAIR the circuit(s). CLEAR the DTCs. REPEAT the self-test.

DISCONNECT the battery ground cable.

CONNECT driver safety belt buckle pretensioner C3065.

CONNECT driver seat side air bag module C3134.

REPOWER the SRS (Supplemental Restraint System). REFER to Restraints and Safety Systems &/or Air Bag Systems.

G17 CHECK THE HORIZONTAL MOTOR FORWARD SENSOR CIRCUITS FOR A SHORT TO VOLTAGE

- Ignition OFF.

- Depower the SRS (Supplemental Restraint System). Refer to Supplemental Restraint System (SRS) Depowering and Repowering in the General Procedures portion of Restraints and Safety Systems &/or Air Bag Systems.

- Disconnect: Driver Seat Safety Belt Buckle Pretensioner C3065.

- Disconnect: Driver Seat Side Air Bag C3134.

- Disconnect: DSM (Driver Seat Module) C341b.

- Disconnect: Horizontal Motor C362.

- WARNING: Make sure no one is in the vehicle and there is nothing blocking or placed in front of any air bag module when the battery is connected. Failure to follow these instructions may result in serious personal injury in the event of an accidental deployment.

Connect the battery ground cable.

- Ignition ON.

- Measure the voltage between:
- horizontal motor C362-4, circuit VPS09 (BN/BU), harness side and ground.

- horizontal motor C362-3, circuit RPS13 (GN/OG), harness side and ground.






Is voltage present on either circuit?

Yes
REPAIR the circuit(s). CLEAR the DTCs. REPEAT the self-test.

DISCONNECT the battery ground cable.

CONNECT driver safety belt buckle pretensioner C3065.

CONNECT driver seat side air bag module C3134.

REPOWER the SRS (Supplemental Restraint System). REFER to Restraints and Safety Systems &/or Air Bag Systems.

No
GO to G18.

G18 CHECK THE HORIZONTAL MOTOR FORWARD SENSOR CIRCUITS FOR A SHORT TO GROUND

- Ignition OFF.

- Measure the resistance between:
- horizontal motor C362-4, circuit VPS09 (BN/BU), harness side and ground.

- horizontal motor C362-3, circuit RPS13 (GN/OG), harness side and ground.






Are the resistances greater than 10,000 ohms?

Yes
GO to G19.

No
REPAIR the circuit(s). CLEAR the DTCs. REPEAT the self-test.

DISCONNECT the battery ground cable.

CONNECT driver safety belt buckle pretensioner C3065.

CONNECT driver seat side air bag module C3134.

REPOWER the SRS (Supplemental Restraint System). REFER to Restraints and Safety Systems &/or Air Bag Systems.

G19 CHECK THE HORIZONTAL MOTOR FORWARD SENSOR CIRCUITS FOR AN OPEN

- Measure the resistance between:
- horizontal motor C362-4, circuit VPS09 (BN/BU), harness side and DSM (Driver Seat Module) C341B-14, circuit VPS09 (BN/BU), harness side.

- horizontal motor C362-3, circuit RPS13 (GN/OG), harness side and DSM (Driver Seat Module) C341B-8, circuit RPS13 (GN/OG), harness side.






Are the resistances less than 5 ohms?

Yes
INSTALL a new driver seat track assembly. REFER to Seat Track . CLEAR the DTCs. REPEAT the self-test.

DISCONNECT the battery ground cable.

CONNECT driver safety belt buckle pretensioner C3065.

CONNECT driver seat side air bag module C3134.

REPOWER the SRS (Supplemental Restraint System). REFER to Restraints and Safety Systems &/or Air Bag Systems.

No
REPAIR the circuit(s). CLEAR the DTCs. REPEAT the self-test.

DISCONNECT the battery ground cable.

CONNECT driver safety belt buckle pretensioner C3065.

CONNECT driver seat side air bag module C3134.

REPOWER the SRS (Supplemental Restraint System). REFER to Restraints and Safety Systems &/or Air Bag Systems.

G20 CHECK THE RECLINER MOTOR SENSOR CIRCUITS FOR A SHORT TO VOLTAGE

- Ignition OFF.

- Depower the SRS (Supplemental Restraint System). Refer to Supplemental Restraint System (SRS) Depowering and Repowering in the General Procedures portion of Restraints and Safety Systems &/or Air Bag Systems.

- Disconnect: Driver Seat Safety Belt Buckle Pretensioner C3065.

- Disconnect: Driver Seat Side Air Bag C3134.

- Disconnect: DSM (Driver Seat Module) C341b.

- Disconnect: Recliner Motor C3187.

- WARNING: Make sure no one is in the vehicle and there is nothing blocking or placed in front of any air bag module when the battery is connected. Failure to follow these instructions may result in serious personal injury in the event of an accidental deployment.

Connect the battery ground cable.

- Ignition ON.

- Measure the voltage between:
- recliner motor C3187-2, circuit VPS12 (GY/OG), harness side and ground.

- recliner motor C3187-4, circuit RPS13 (GN/OG), harness side and ground.






Is voltage present on either circuit?

Yes
REPAIR the circuit(s). CLEAR the DTCs. REPEAT the self-test.

DISCONNECT the battery ground cable.

CONNECT driver safety belt buckle pretensioner C3065.

CONNECT driver seat side air bag module C3134.

REPOWER the SRS (Supplemental Restraint System). REFER to Restraints and Safety Systems &/or Air Bag Systems.

No
GO to G21.

G21 CHECK THE RECLINER MOTOR SENSOR CIRCUITS FOR A SHORT TO GROUND

- Ignition OFF.

- Measure the resistance between:
- recliner motor C3187-2, circuit VPS12 (GY/OG), harness side and ground.

- recliner motor C3187-4, circuit RPS13 (GN/OG), harness side and ground.






Are the resistances greater than 10,000 ohms?

Yes
GO to G22.

No
REPAIR the circuit(s). CLEAR the DTCs. REPEAT the self-test.

DISCONNECT the battery ground cable.

CONNECT driver safety belt buckle pretensioner C3065.

CONNECT driver seat side air bag module C3134.

REPOWER the SRS (Supplemental Restraint System). REFER to Restraints and Safety Systems &/or Air Bag Systems.

G22 CHECK THE RECLINER MOTOR SENSOR CIRCUITS FOR AN OPEN

- Measure the resistance between:
- recliner motor C3187-2, circuit VPS12 (GY/OG), harness side and DSM (Driver Seat Module) C341B-20, circuit VPS12 (GY/OG), harness side.

- recliner motor C3187-4, circuit RPS13 (GN/OG), harness side and DSM (Driver Seat Module) C341B-8, circuit RPS13 (GN/OG), harness side.






Are the resistances less than 5 ohms?

Yes
INSTALL a new driver seat recliner motor. REFER to Seat Recliner Motor . CLEAR the DTCs. REPEAT the self-test.

DISCONNECT the battery ground cable.

CONNECT driver safety belt buckle pretensioner C3065.

CONNECT driver seat side air bag module C3134.

REPOWER the SRS (Supplemental Restraint System). REFER to Restraints and Safety Systems &/or Air Bag Systems.

No
REPAIR the circuit(s). CLEAR the DTCs. REPEAT the self-test.

DISCONNECT the battery ground cable.

CONNECT driver safety belt buckle pretensioner C3065.

CONNECT driver seat side air bag module C3134.

REPOWER the SRS (Supplemental Restraint System). REFER to Restraints and Safety Systems &/or Air Bag Systems.