Operation CHARM: Car repair manuals for everyone.
Manuals through 2025 now available!

Our trusted friends have launched a new website named LEMON, which has newer manuals. It also contains all the CHARM manuals.

LEMON is the spiritual successor to CHARM, I recommend you try it!

Link: lemon-manuals.la or lemon-manuals.org.ua

(Some people have issue connecting. LEMON is investigating. For now, use Firefox or change your DNS server)

Or, hide this message: temporarily or permanently

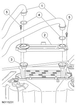
Auxiliary Heater Core




Auxiliary Heater Core









Removal and Installation

1. Remove the auxiliary climate control housing. For additional information, refer to Auxiliary Climate Control Housing Service and Repair.

2. Remove the 2 auxiliary temperature blend door actuator screws and position the actuator aside.





3. NOTICE: The auxiliary line floorpan bracket screws are loosened only to allow the auxiliary heater core tubes to be removed. Do not fully disassemble the floorpan bracket or separate the floorpan gasket from the bracket. If the floorpan gasket is separated from the bracket, or if it is damaged, a new gasket must be installed to avoid noise and water leak concerns.

Loosen the 2 auxiliary line floorpan bracket screws.






4. Remove the 2 auxiliary heater core tube clips at the heater core.
1. Release the auxiliary heater core tube clip retaining tabs.

2. Remove the auxiliary heater core tube clips.






5. Remove the auxiliary heater core tubes.

6. Remove the 2 screws and the auxiliary heater core access cover.

7. Remove the auxiliary heater core.

8. To install, reverse the removal procedure.
- Install the new O-ring seals included in the auxiliary heater core service kit.