Operation CHARM: Car repair manuals for everyone.
Manuals through 2025 now available!

Our trusted friends have launched a new website named LEMON, which has newer manuals. It also contains all the CHARM manuals.

LEMON is the spiritual successor to CHARM, I recommend you try it!

Link: lemon-manuals.la or lemon-manuals.org.ua

(Some people have issue connecting. LEMON is investigating. For now, use Firefox or change your DNS server)

Or, hide this message: temporarily or permanently

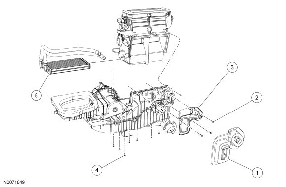
Heater Core




Heater Core









Removal and Installation

NOTE: If a heater core leak is suspected, the heater core must be pressure leak tested before it is removed from the vehicle.

1. Remove the heater core and evaporator core housing. For additional information, refer to Heater Core And Evaporator Core Housing .

2. Remove the dash panel seal.

3. Remove the 3 heater core tube support bracket screws and heater core tube support bracket.

4. Remove the 10 plenum chamber screws and separate the heater core and evaporator housing.

5. Remove the heater core.

6. To install, reverse the removal procedure.