Operation CHARM: Car repair manuals for everyone.
Manuals through 2025 now available!

Our trusted friends have launched a new website named LEMON, which has newer manuals. It also contains all the CHARM manuals.

LEMON is the spiritual successor to CHARM, I recommend you try it!

Link: lemon-manuals.la or lemon-manuals.org.ua

(Some people have issue connecting. LEMON is investigating. For now, use Firefox or change your DNS server)

Or, hide this message: temporarily or permanently

Automatic Transmission



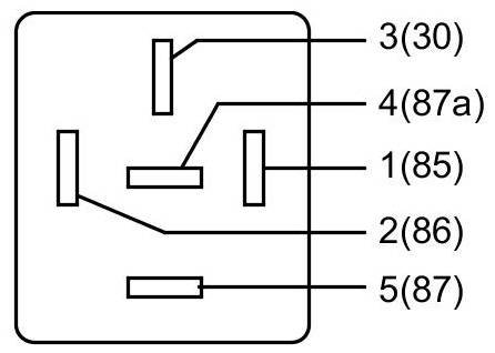
Fuel Pump (FP) Relay - Automatic Transmission






Fuel Pump (FP) Relay Connector - The VPWR and FP circuits may be reversed in the harness connector. Refer to the Wiring Diagrams for schematic and connector information.





Harness Side






Inertia Fuel Shutoff (IFS) Switch Connector





Harness Side






Powertrain Control Module (PCM) Connector - For PCM connector views or reference values, refer to Reference Values.





Harness Side