Operation CHARM: Car repair manuals for everyone.
Manuals through 2025 now available!

Our trusted friends have launched a new website named LEMON, which has newer manuals. It also contains all the CHARM manuals.

LEMON is the spiritual successor to CHARM, I recommend you try it!

Link: lemon-manuals.la or lemon-manuals.org.ua

(Some people have issue connecting. LEMON is investigating. For now, use Firefox or change your DNS server)

Or, hide this message: temporarily or permanently

Pinpoint Test B: The Power Running Board (PRB) Does Not Operate Correctly - Left Running Board Does Not Deploy/Stow Or Reverses




Power Running Board (PRB)

Pinpoint Test B: The Power Running Board (PRB) Does Not Operate Correctly - Left Running Board Does Not Deploy/Stow or Reverses Direction

Refer to Wiring Diagram Set 109, Power Liftgate/Retractable Running Boards for schematic and connector information Electrical Diagrams.

Normal Operation

The Power Running Board (PRB) module receives door ajar and vehicle speed status over the Controller Area Network (CAN). During LH PRB (Power Running Board) deployment, the PRB (Power Running Board) module supplies power to the LH PRB (Power Running Board) motor through circuit CPR41 (BU/WH) and ground through circuit CPR42 (WH). The PRB (Power Running Board) module stows the LH PRB (Power Running Board) by supplying power to the LH PRB (Power Running Board) motor through circuit CPR42 (WH) and ground through circuit CPR41 (BU/WH). The PRB (Power Running Board) module provides a regulated 10-volt power supply to the Hall-effect sensor (internal to the PRB (Power Running Board) motor) through circuit CPR47 (GY/BN). The Hall-effect ground is provided by the PRB (Power Running Board) module through circuit RPR47 (BU/GN). The PRB (Power Running Board) module monitors the LH PRB (Power Running Board) Hall-effect signal through circuit VPR43 (GY/BU). If the PRB (Power Running Board) module does not receive any signal from the Hall-effect sensor during operation, the PRB (Power Running Board) will stop.

- DTC B2813 (LH Power Running Board Stow Time Fail)- When the left running board takes greater than 4 seconds to stow.

- DTC B2814 (LH Power Running Board Deploy Time Fail)- When the left running board takes greater than 4 seconds to deploy.

This pinpoint test is intended to diagnose the following:

- Wiring, terminals or connectors

- Door ajar switch

- PRB (Power Running Board) module

- LH PRB (Power Running Board) motor

- LH rear PRB (Power Running Board) bracket (regular wagon)

PINPOINT TEST B : THE Power Running Board (PRB) DOES NOT OPERATE CORRECTLY - LEFT RUNNING BOARD DOES NOT DEPLOY/STOW OR REVERSES DIRECTION

B1 CHECK THE OPERATION OF THE PRB (Power Running Board) - AUTOMATIC MODE

- Set the PRB (Power Running Board) system to the AUTO (enabled) mode, where the boards automatically deploy when a door on the same side is opened, and retract when the door is closed.

- Open and close the LH front door. The LH PRB (Power Running Board) should deploy when the door is open, and retract when the door is closed.

- Open and close the LH rear door. The LH PRB (Power Running Board) should deploy when the door is open, and retract when the door is closed.

- Open and close the RH front door. The RH PRB (Power Running Board) should deploy when the door is open, and retract when the door is closed.

- Open and close the RH rear door. The RH PRB (Power Running Board) should deploy when the door is open, and retract when the door is closed.

Did both PRB (Power Running Board) operate correctly, with no reversal of motion, or noise while in motion?

Yes
The system is operating as designed. REVIEW operation of the PRBs (Power Running Boards) system with the customer.

No
GO to B2.

B2 CHECK THE OPERATION OF THE PRBs (Power Running Boards) - MANUAL MODE

- Set the PRB (Power Running Board) system to the OUT mode, where the boards are deployed all the time, regardless of door open/closed status and vehicle speed is less than 8 km/h (5 mph).

Did both PRBs (Power Running Boards) deploy?

Yes
GO to B6.

No
GO to B3.

B3 CHECK THE PRBs (Power Running Boards) FOR FOREIGN MATERIAL

- NOTE: If the system has false bounce back, stops in mid-travel, is noisy or will not stow completely, extend the PRB (Power Running Board) and check to see if any foreign material is caught in the PRB (Power Running Board) hinge points, step area or door sill. If foreign material is found, clean the PRB (Power Running Board) hinge points, step area and door sill with a high-pressure washer. If the system operates correctly after cleaning, refer the customer to the Owner's Literature for correct cleaning instructions.

Check the PRB (Power Running Board) hinge points, step area and door sill of the LH PRB (Power Running Board) for foreign material or blockage. If any foreign material or blockage is found, remove it, and if necessary, set the PRB (Power Running Board) system to the OUT mode and clean the PRB (Power Running Board) hinge points, step area and door sill with a high-pressure washer. Avoid direct spray to the motor.

- Set the PRB (Power Running Board) system to the AUTO (enabled) mode, where the boards automatically deploy when either door on the same side is opened, and retract when the door is closed.

- Open and close the LH front door. The LH PRB (Power Running Board) should deploy when the door is open and retract when the door is closed.

Does the LH PRB (Power Running Board) operate normally during all test steps?

Yes
The system is operating normally. The concern may have been caused by foreign material or blockage in the PRB (Power Running Board) hinge points, step area or door sill. REFER the customer to the Owner's Literature for correct cleaning instructions.

No
GO to B4.

B4 CHECK REAR PRB (Power Running Board) BRACKET FOR BINDING (REGULAR WAGON ONLY)

- Regular wagon only, remove the PRB (Power Running Board) step. Refer to Power Running Board (PRB) Step .

- Manually operate the rear PRB (Power Running Board) bracket by hand.

Does the rear PRB (Power Running Board) bracket bind?

Yes
INSTALL a new rear PRB (Power Running Board) bracket. REFER to Power Running Board (PRB) Bracket . TEST system for normal operation.

No
GO to B5.

B5 CHECK IF DTCs ARE PRESENT

- Use the recorded PRB (Power Running Board) module DTCs from the continuous and on-demand self test.

Is DTC B2813 or B2814 present?

Yes
INSTALL a new PRB (Power Running Board) motor. REFER to Power Running Board (PRB) Motor . CLEAR the DTCs. REPEAT the self-test.

No
GO to B7.

B6 VERIFY THE DOOR AJAR OPERATION

- Open and close the LH front and LH rear door, and verify the interior lights operate correctly and door ajar is noted on the vehicle message center.

Do the interior lights turn ON when the door is opened, and OFF when the door is closed?

Yes
GO to B7.

No
REFER to Lighting and Horns to diagnose the interior lighting concern before attempting to diagnose the PRB (Power Running Board) concern.

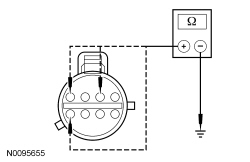
B7 CHECK FOR CONTINUITY BETWEEN LH AND RH PRB (Power Running Board) MOTORS ON THE HALL-EFFECT SENSOR POWER AND GROUND CIRCUITS

- Disconnect: PRB (Power Running Board) LH Motor C3185.

- Disconnect: PRB (Power Running Board) RH Motor C3186.

- Ignition OFF.

- Measure the resistance between LH PRB (Power Running Board) motor C3185, harness side and RH PRB (Power Running Board) motor C3186, harness side using the following chart:

LH PRB (Power Running Board) Motor Circuit RH PRB (Power Running Board) Motor C3185-2 CPR47 (GY/BN) C3186-2 C3185-6 RPR47 (BU/GN) C3186-6






Is the resistance less than 5 ohms?

Yes
GO to B8.

No
REPAIR the circuit. CLEAR the DTCs. REPEAT the self-test.

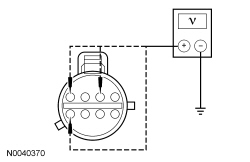
B8 CHECK FOR A SHORT TO VOLTAGE IN THE HALL-EFFECT SENSOR SIGNAL, DEPLOY OR STOW CIRCUIT

- Ignition OFF.

- Disconnect: PRB (Power Running Board) Module C3313A.

- Disconnect: PRB (Power Running Board) Module C3313B.

- Ignition ON.

- Measure the voltage between LH PRB (Power Running Board) motor C3185-3, circuit VPR43 (GY/BU), harness side and ground; and between LH PRB (Power Running Board) motor C3185-5, circuit CPR41 (BU/WH), harness side and ground; and between LH PRB (Power Running Board) motor C3185-1, circuit CPR42 (WH), harness side and ground.





Is any voltage present?

Yes
REPAIR the circuit. CLEAR the DTCs. REPEAT the self-test.

No
GO to B9.

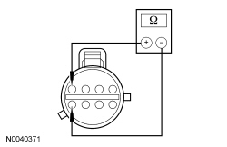
B9 CHECK FOR A SHORT TO GROUND IN THE HALL-EFFECT SENSOR SIGNAL, DEPLOY OR STOW CIRCUIT

- Ignition OFF.

- Measure the resistance between LH PRB (Power Running Board) motor C3185-3, circuit VPR43 (GY/BU) and ground; and between LH PRB (Power Running Board) motor C3185-5, circuit CPR41 (BU/WH) and ground; and between LH PRB (Power Running Board) motor C3185-1, circuit CPR42 (WH) and ground.





Is the resistance greater than 10,000 ohms?

Yes
GO to B10.

No
REPAIR the circuit. CLEAR the DTCs. REPEAT the self-test.

B10 CHECK FOR AN OPEN IN THE HALL-EFFECT SENSOR SIGNAL, DEPLOY OR STOW CIRCUIT

- Measure the resistances between PRB (Power Running Board) module C3313A or C3313B, harness side and LH PRB (Power Running Board) motor C3185, harness side using the following chart:

LH Motor Connector Circuit PRB (Power Running Board) Module Connector C3185-3 VPR43 (GY/BU) C3313B-9 C3185-5 CPR41 (BU/WH) C3313A-1 C3185-1 CPR42 (WH) C3313A-2






Is the resistance less than 5 ohms?

Yes
GO to B11.

No
REPAIR the circuit(s). CLEAR the DTCs. REPEAT the self-test.

B11 CHECK FOR A SHORT BETWEEN THE STOW AND DEPLOY CIRCUITS

- Measure the resistance between LH PRB (Power Running Board) motor C3185-5, circuit CPR41 (BU/WH), harness side and LH PRB (Power Running Board) motor C3185-1, circuit CPR42 (WH), harness side.





Is the resistance greater than 10,000 ohms?

Yes
INSTALL a new LH PRB (Power Running Board) motor. REFER to Power Running Board (PRB) Motor . CLEAR the DTCs. REPEAT the self-test. If the concern is still present, GO to B12.

No
REPAIR the circuit. CLEAR the DTCs. REPEAT the self-test.

B12 CHECK THE PRB (Power Running Board) MODULE FOR CORRECT OPERATION

- Connect: PRB (Power Running Board) LH Motor C3185.

- Connect: PRB (Power Running Board) RH Motor C3186.

- Visually inspect all PRB (Power Running Board) module connectors.

- Check for:
- corrosion.

- pushed-out pins.


- Connect all PRB (Power Running Board) module connectors and make sure they seat correctly.

- Operate the system and verify the concern is still present.

Is the concern still present?

Yes
INSTALL a new PRB (Power Running Board) module. REFER to Power Running Board (PRB) Module . CLEAR the DTCs. REPEAT the self-test.

No
The system is operating correctly at this time. Concern may have been caused by a loose or corroded connector. CLEAR the DTCs. REPEAT the self-test.