Operation CHARM: Car repair manuals for everyone.
Manuals through 2025 now available!

Our trusted friends have launched a new website named LEMON, which has newer manuals. It also contains all the CHARM manuals.

LEMON is the spiritual successor to CHARM, I recommend you try it!

Link: lemon-manuals.la or lemon-manuals.org.ua

(Some people have issue connecting. LEMON is investigating. For now, use Firefox or change your DNS server)

Or, hide this message: temporarily or permanently

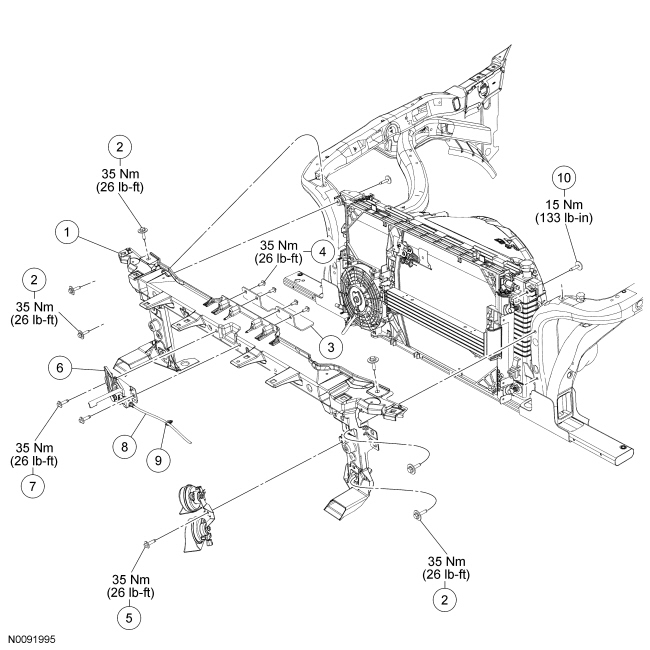
Radiator Grille Support




Radiator Grille Support









Removal and Installation

1. Remove the front bumper cover.

2. Remove the headlamp bolts.

3. Disconnect the battery.

4. Remove the 4 electrical junction box bolts.
- To install, tighten to 35 Nm (26 lb-ft).






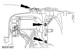
5. Disconnect the ambient air temperature sensor retaining clip and position the sensor and harness aside.





6. Disconnect the horn assembly electrical connector and remove the horn assemble bracket bolt.
- To install, tighten to 35 Nm (26 lb-ft).






7. Disconnect the hood latch cable retainers, remove the hood latch assembly bolts and position the latch assembly and cable aside.
- To install, tighten to 35 Nm (26 lb-ft).






8. Remove the LH and RH coolant module bolts.
- To install, tighten to 15 Nm (133 lb-in).






9. Remove the 6 radiator grille support bolts (3 each side).
- To install, tighten to 35 Nm (26 lb-ft).






10. Remove the radiator grille support.

11. NOTICE: Inspect and transfer all of the radiator grille support isolators. Replace as necessary.

NOTE: Transfer all necessary components.

To install, reverse the removal procedure.