Operation CHARM: Car repair manuals for everyone.
Manuals through 2025 now available!

Our trusted friends have launched a new website named LEMON, which has newer manuals. It also contains all the CHARM manuals.

LEMON is the spiritual successor to CHARM, I recommend you try it!

Link: lemon-manuals.la or lemon-manuals.org.ua

(Some people have issue connecting. LEMON is investigating. For now, use Firefox or change your DNS server)

Or, hide this message: temporarily or permanently

Rear View Mirrors - Interior




Rear View Mirrors - Interior

Pinpoint Tests

Pinpoint Test G: The Auto-Dimming Mirror Does Not Operate Correctly

Refer to Wiring Diagram Set 124, Power Mirrors for schematic and connector information Electrical Diagrams.

Normal Operation

The interior auto-dimming mirror contains 2 photoelectric sensors: one in the front of the interior rear view mirror and one mounted on the glass side of the mirror. If the sensors are blocked, the LH exterior mirror and auto-dimming feature may not operate correctly. Always verify both sensors are not physically blocked before attempting to diagnose auto-dimming mirror concerns. Whenever the gear selector lever is placed in REVERSE, the interior auto-dimming mirror temporarily disables the auto-dimming feature. The auto-dimming feature is enabled again when the gear selector lever is moved out of REVERSE.

If equipped with a LH auto-dimming mirror, voltage is sent from the interior auto-dimming mirror to the LH exterior mirror.

This pinpoint test is intended to diagnose the following:

- Fuse

- Wiring, terminals or connectors

- Interior mirror

- LH exterior mirror glass

- LH exterior mirror

PINPOINT TEST G : THE AUTO-DIMMING MIRROR DOES NOT OPERATE CORRECTLY

NOTICE: Use the correct probe adapter(s) from the Flex Probe Kit when making measurements. Failure to use the correct probe adapter(s) may damage the connector.

NOTE: If the Transmission Range (TR) sensor is malfunctioning and the backup lamps are on all the time or do not turn on, the interior auto-dimming mirror will not darken or return to normal view.

G1 CHECK OPERATION OF THE BACKUP LAMPS

- Ignition ON.

- Move the gear selector lever through the entire range.

Do the backup lamps illuminate and only in REVERSE?

Yes
If the LH exterior mirror only does not dim correctly, GO to G10.

If the LH exterior mirror and the interior auto-dimming mirror does not dim correctly, GO to G2.

No
REFER to Lighting and Horns to diagnose the backup lamps.

G2 VERIFY THE FORWARD AND REARWARD FACING SENSORS ARE NOT BLOCKED

- Verify the forward and rearward facing sensors are not blocked. Sources of blockage can include:
- stickers, window decals or tags.

- fold-down screens for TVs or DVD players.

- non-OEM window tinting.


Were either of the sensors blocked?

Yes
If possible, REMOVE the blockage. TEST the system for normal operation. If the blockage cannot be removed, ADVISE the customer of the correct operation of the interior auto-dimming mirror.

No
GO to G3.

G3 CHECK OPERATION OF THE INTERIOR AUTO-DIMMING MIRROR - DAYLIGHT CONDITIONS

- Ignition ON.

- Use a bright lamp to illuminate the forward facing sensor. The mirror should adjust to a high reflectance mode (mirror will be clear).





Does the mirror adjust to the high reflectance (clear) mode?

Yes
GO to G4.

No
INSTALL a new interior auto-dimming mirror. REFER to Interior Rear View Mirror . TEST the system for normal operation.

G4 CHECK OPERATION OF THE INTERIOR AUTO-DIMMING MIRROR - NIGHTTIME CONDITIONS WITH GLARE

- Ignition ON.

- NOTE: Covering the sensor with a finger or hand is not adequate.

Simulate nighttime conditions with glare:
- cover the forward sensor with black electrical tape or other dark material.

- illuminate the rearward facing sensor. The mirror should darken to a lower reflectance mode.






Did the mirror darken to a lower reflectance (darker) mode?

Yes
GO to G5.

No
GO to G7.

G5 CHECK OPERATION OF THE INTERIOR AUTO-DIMMING MIRROR - NIGHTTIME CONDITIONS WITHOUT GLARE

- Ignition ON.

- NOTE: Covering the sensor with a finger or hand is not adequate.

Simulate nighttime conditions without glare:
- cover the rearward facing sensor. The mirror should adjust to the high reflectance mode.






Did the mirror adjust to the high reflectance (clear) mode?

Yes
GO to G6.

No
GO to G7.

G6 CHECK OPERATION OF THE INTERIOR AUTO-DIMMING MIRROR - NIGHTTIME CONDITIONS WITH THE VEHICLE IN REVERSE

- Ignition ON.

- NOTE: Covering the sensor with a finger or hand is not adequate.

Simulate nighttime conditions with glare:
- cover the forward sensor with black electrical tape or other dark material.

- illuminate the rearward facing sensor. (mirror should darken at this time).






- Select REVERSE.

Did the mirror adjust to a high reflectance (clear) mode?

Yes
The system is operating normally at this time. ADVISE the customer of the correct operation of the interior auto-dimming mirror.

No
GO to G7.

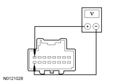
G7 CHECK FOR VOLTAGE TO THE INTERIOR AUTO-DIMMING MIRROR

- Ignition OFF.

- Disconnect: Interior Mirror C911 (without video display)/C9039 (with video display).

- Ignition ON.

- Without video display: Measure the voltage between ground and interior auto-dimming mirror C911-1, circuit CBP41 (BU), harness side.





- With video display: Measure the voltage between ground and interior auto-dimming mirror C9039-1, circuit CBP41 (BU), harness side.





Is the voltage greater than 10 volts?

Yes
GO to G8.

No
VERIFY SJB (Smart Junction Box) fuse 41 (15A) is OK. If OK, REPAIR the circuit. If not OK, REFER to the Wiring Diagrams to identify the possible causes of the circuit short Electrical Diagrams. TEST the system for normal operation.

G8 CHECK FOR GROUND TO THE INTERIOR AUTO-DIMMING MIRROR

- Ignition OFF.

- Without video display: Measure the resistance between interior auto-dimming mirror C911-3, circuit GD133 (BK), harness side and ground.





- With video display: Measure the resistance between interior auto-dimming mirror C9039-3, circuit GD133 (BK), harness side and ground.





Is the resistance less than 10 ohms?

Yes
GO to G9.

No
REPAIR the circuit. TEST the system for normal operation.

G9 CHECK FOR VOLTAGE TO THE INTERIOR AUTO-DIMMING MIRROR REVERSE CIRCUIT

- Ignition ON.

- Select REVERSE.

- Without video display: Measure the voltage between interior auto-dimming mirror C911-2, circuit CLS10 (GN/BN), harness side and ground.





- With video display: Measure the voltage between interior auto-dimming mirror C9039-2, circuit CLS10 (GN/BN), harness side and ground.





Is the voltage greater than 10 volts?

Yes
INSTALL a new interior auto-dimming mirror. REFER to Interior Rear View Mirror . TEST the system for normal operation.

No
REPAIR the circuit. TEST the system for normal operation.

G10 CHECK THE INTERIOR AUTO-DIMMING MIRROR OUTPUT TO THE LH EXTERIOR REAR VIEW MIRROR

- Ignition OFF.

- Disconnect: LH Exterior Rear View Mirror C516.

- Ignition ON.

- NOTE: Covering the sensor with a finger or hand is not adequate.

Simulate nighttime conditions with glare:
- cover the forward facing sensor with black electrical tape or other dark material.

- illuminate the rearward facing sensor. The interior mirror should darken to a lower reflectance mode.






- Measure the voltage between LH exterior mirror C516-1, circuit LRD12 (BU/GY), harness side and ground.





Is the voltage greater than 1 volt?

Yes
GO to G11.

No
GO to G15.

G11 CHECK THE INTERIOR AUTO-DIMMING MIRROR GROUND CIRCUIT TO THE LH EXTERIOR REAR VIEW MIRROR FOR A SHORT TO VOLTAGE

- Measure the voltage between LH exterior rear view mirror C516-9, circuit RRD12 (BN), harness side and ground.





Is any voltage present?

Yes
GO to G12.

No
GO to G13.

G12 ISOLATE THE SHORT TO VOLTAGE ON THE GROUND CIRCUIT

- Ignition OFF.

- Disconnect: Interior Mirror C911 (without video display)/C9039 (with video display).

- Ignition ON.

- Measure the voltage between LH exterior mirror C516-9, circuit RRD12 (BN), harness side and ground.





Is any voltage present?

Yes
REPAIR the circuit. TEST the system for normal operation.

No
INSTALL a new interior auto-dimming mirror. REFER to Interior Rear View Mirror . TEST the system for normal operation.

G13 CHECK THE GROUND CIRCUIT FOR AN OPEN

- Measure the voltage between LH exterior mirror C516-1, circuit LRD12 (BN), harness side and LH exterior mirror C516-9, circuit RRD12 (BN), harness side.





Is the voltage greater than 1 volt?

Yes
CHECK the LH exterior mirror jumper harness between the vehicle harness and the exterior mirror glass for shorted or open circuits and damaged or pushed-out pins. If the jumper harness is not OK, REPAIR the jumper harness. If the jumper harness cannot be repaired, INSTALL a new LH exterior mirror. REFER to Exterior Mirror . If the jumper harness is OK, INSTALL a new LH exterior mirror glass. REFER to Exterior Mirror Glass . TEST the system for normal operation.

No
GO to G14.

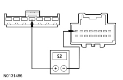
G14 CHECK THE GROUND CIRCUIT BETWEEN THE EXTERIOR REAR VIEW MIRROR AND INTERIOR AUTO-DIMMING MIRROR FOR AN OPEN

- Ignition OFF.

- Disconnect: Interior Mirror C911 (without video display)/C9039 (with video display).

- Without video display: Measure the resistance between interior auto-dimming mirror C911-5, circuit RRD12 (BN), harness side and LH exterior mirror C516-9, circuit RRD12 (BN), harness side.





- With video display: Measure the resistance between interior auto-dimming mirror C9039-15, circuit RRD12 (BN), harness side and LH exterior mirror C516-9, circuit RRD12 (BN), harness side.





Is the resistance less than 5 ohms?

Yes
INSTALL a new interior auto-dimming mirror. REFER to Interior Rear View Mirror . TEST the system for normal operation.

No
REPAIR the circuit for an open. TEST the system for normal operation.

G15 CHECK THE CIRCUIT BETWEEN THE EXTERIOR REAR VIEW MIRROR AND INTERIOR AUTO-DIMMING MIRROR FOR AN OPEN

- Ignition OFF.

- Disconnect: Interior Mirror C911 (without video display)/C9039 (with video display).

- Without video display: Measure the resistance between interior auto-dimming mirror C911-4, circuit LRD12 (BU/GY), harness side and LH exterior mirror C516-1, circuit LRD12 (BU/GY), harness side.





- With video display: Measure the resistance between interior auto-dimming mirror C9039-11, circuit LRD12 (BU/GY), harness side and LH exterior mirror C516-1, circuit LRD12 (BU/GY), harness side.





Is the resistance less than 5 ohms?

Yes
GO to G16.

No
REPAIR the circuit. TEST the system for normal operation.

G16 CHECK THE CIRCUIT BETWEEN THE EXTERIOR REAR VIEW MIRROR AND INTERIOR AUTO-DIMMING MIRROR FOR A SHORT TO GROUND

- Measure the resistance between LH exterior mirror C516-1, circuit LRD12 (BU/GY), harness side and ground.





Is the resistance greater than 10,000 ohms?

Yes
INSTALL a new interior auto-dimming mirror. REFER to Interior Rear View Mirror . TEST the system for normal operation.

No
REPAIR the circuit. TEST the system for normal operation.