Operation CHARM: Car repair manuals for everyone.
Manuals through 2025 now available!

Our trusted friends have launched a new website named LEMON, which has newer manuals. It also contains all the CHARM manuals.

LEMON is the spiritual successor to CHARM, I recommend you try it!

Link: lemon-manuals.la or lemon-manuals.org.ua

(Some people have issue connecting. LEMON is investigating. For now, use Firefox or change your DNS server)

Or, hide this message: temporarily or permanently

Removal and Replacement




Intake Manifold





Air Cleaner (ACL) Outlet Pipe-To-Throttle Body (TB) Adapter and Air Intake Resonator Assembly










Throttle Body (TB) and Ignition Coil Electrical Connectors










Intake Manifold Vacuum Tube Assembly










Intake Manifold, Coolant Crossover Manifold Assembly and Gaskets









Removal

WARNING: Do not smoke, carry lighted tobacco or have an open flame of any type when working on or near any fuel-related component. Highly flammable mixtures are always present and may be ignited. Failure to follow these instructions may result in serious personal injury.

WARNING: Before working on or disconnecting any of the fuel tubes or fuel system components, relieve the fuel system pressure to prevent accidental spraying of fuel. Fuel in the fuel system remains under high pressure, even when the engine is not running. Failure to follow this instruction may result in serious personal injury.

1. Drain the cooling system.

2. Remove the generator.

3. Disconnect the quick connect couplings and remove the crankcase ventilation tube.

4. Remove the bolt, loosen the clamp and remove the air intake resonator assembly.

5. Remove the 3 bolts and the Throttle Body (TB) -to-Air Cleaner (ACL) outlet tube adapter.

6. Disconnect the quick connect couplings and remove the PCV tube.

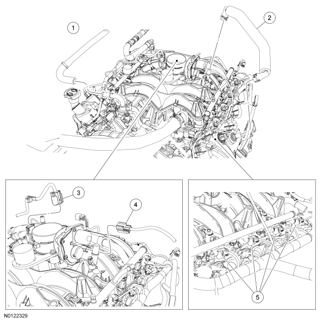
7. Disconnect the fuel supply tube quick connect coupling.

8. Disconnect the electrical connector and the Evaporative Emission (EVAP) tube quick connect coupling from the EVAP (Evaporative Emission) canister purge valve.





9. Disconnect the heater coolant hose from the coolant crossover manifold assembly.

10. Disconnect the 8 fuel injector electrical connectors.

11. Disconnect the Throttle Position (TP) sensor and Electronic Throttle Control (ETC) electrical connectors.

12. Disconnect the 4 LH ignition coil and the LH Variable Camshaft Timing (VCT) solenoid electrical connectors and detach the 2 engine wiring harness retainers from the LH valve cover studs.

13. Disconnect the intake manifold vacuum tube from the brake booster vacuum hose.

14. NOTE: The intake manifold vacuum tube must be removed with the intake manifold as an assembly.

Disconnect the intake manifold vacuum tube from the LH valve cover studbolt and the support bracket at the rear of the LH cylinder head.


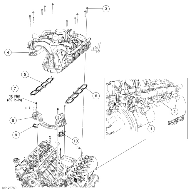
15. Remove the 10 intake manifold bolts.

16. NOTICE: Do not use metal scrapers, wire brushes, power abrasive discs or other abrasive means to clean the sealing surfaces. These tools cause scratches and gouges which make leak paths. Use a plastic scraping tool to remove all traces of old sealant.

NOTE: Do not disconnect the upper radiator hose unless servicing the thermostat housing or coolant crossover.

Remove the 3 bolts and position the engine coolant crossover assembly aside.
- Discard the gaskets and clean and inspect the sealing surfaces with metal surface prep. Follow the directions on the packaging.


17. NOTE: The intake manifold vacuum tube must be positioned under the engine wiring harness and removed with the intake manifold as an assembly.

Position the intake forward to gain access to the wiring harness retainers.


18. Disconnect the 2 engine wiring harness retainers from the rear of the intake manifold.

19. Disconnect the Cylinder Head Temperature (CHT) sensor jumper harness electrical connector retainer.

20. NOTICE: Do not use metal scrapers, wire brushes, power abrasive discs or other abrasive means to clean the sealing surfaces. These tools cause scratches and gouges which make leak paths. Use a plastic scraping tool to remove all traces of old sealant.

NOTE: The intake manifold vacuum tube must be positioned under the engine wiring harness and removed with the intake manifold as an assembly.

Remove the intake manifold and discard the gaskets.
- Clean and inspect the sealing surfaces with silicone gasket remover and metal surface prep. Follow the directions on the packaging.


Installation

1. NOTICE: If the engine is repaired or replaced because of upper engine failure, typically including valve or piston damage, check the intake manifold for metal debris. If metal debris is found, install a new intake manifold. Failure to follow these instructions can result in engine damage.

NOTE: The intake manifold vacuum tube must be positioned under the engine wiring harness during installation of the intake manifold.

Using new intake manifold gaskets, position the intake manifold.


2. Position the intake manifold forward and connect the CHT (Cylinder Head Temperature) sensor jumper harness electrical connector retainer.

3. Connect the 2 engine wiring harness retainers to the rear of the intake manifold and position back the intake manifold assembly.

4. Using new gaskets, position the coolant crossover manifold assembly and install the 3 bolts.
- Tighten to 10 Nm (89 lb-in).


5. Install the 10 intake manifold bolts and tighten in 2 stages in the sequence shown.
- Stage 1: Tighten to 2 Nm (18 lb-in).

- Stage 2: Tighten to 10 Nm (89 lb-in).






6. Connect the intake manifold vacuum tube to the support bracket and the valve cover stud.

7. Connect the brake booster vacuum hose to the intake manifold vacuum tube and position the clamp.

8. Connect the 4 LH ignition coil and the LH VCT (Variable Camshaft Timing) solenoid electrical connectors and attach the 2 engine wiring harness retainers to the LH valve cover studs.

9. Connect the TP (Throttle Position) sensor and electronic throttle control electrical connectors.

10. Connect the 8 fuel injector electrical connectors.

11. Connect the heater coolant hose to the coolant crossover manifold assembly.

12. Connect the electrical connector and the EVAP (Evaporative Emission) tube quick connect coupling to the EVAP (Evaporative Emission) canister purge valve.





13. Connect the fuel supply tube quick connect coupling.

14. Position the PCV tube and connect the quick connect couplings.

15. Position the TB (Throttle Body) -to-ACL (Air Cleaner) outlet tube adapter and install the 3 bolts.
- Tighten the bolt to 10 Nm (89 lb-in).


16. Position the air intake resonator assembly, install the bolt and the clamp.
- Tighten the bolt to 10 Nm (89 lb-in).


17. Position the crankcase ventilation tube and connect the quick connect couplings.

18. Install the generator.

19. Fill and bleed the engine cooling system.