Operation CHARM: Car repair manuals for everyone.
Manuals through 2025 now available!

Our trusted friends have launched a new website named LEMON, which has newer manuals. It also contains all the CHARM manuals.

LEMON is the spiritual successor to CHARM, I recommend you try it!

Link: lemon-manuals.la or lemon-manuals.org.ua

(Some people have issue connecting. LEMON is investigating. For now, use Firefox or change your DNS server)

Or, hide this message: temporarily or permanently

Pinpoint Test W: The Auxiliary Panel/Floor Control Does Not Operate Correctly Using The Front/Rear Auxiliary Climate Controls




Climate Control System

Pinpoint Test W: The Auxiliary Panel/Floor Control is Inoperative/Does Not Operate Correctly Using the Front/Rear Auxiliary Climate Controls

Refer to Wiring Diagram Set 52, Auxiliary Climate Control for schematic and connector information Electrical Diagrams.

Refer to Wiring Diagram Set 54, Manual Climate Control System for schematic and connector information Electrical Diagrams.

Refer to Wiring Diagram Set 55, Automatic Climate Control System for schematic and connector information Electrical Diagrams.

Normal Operation

Under normal operation, to auxiliary panel/floor the mode door actuator, the HVAC module supplies voltage and ground to the auxiliary panel/floor door actuator through the door actuator motor circuits. To reverse the auxiliary panel/floor door actuator rotation, the HVAC module reverses the voltage and ground circuits.

The auxiliary panel/floor door actuator feedback resistor is supplied a ground from the HVAC module and a 5-volt reference voltage on the auxiliary panel/floor door actuator reference circuits. The HVAC module reads the voltage on the auxiliary panel/floor door actuator feedback circuits to determine the auxiliary panel/floor door actuator position by the position of the actuator feedback resistor wiper arm.

The rear auxiliary control is supplied a 5-volt reference and ground from the HVAC module. When the rear mode/temperature control is adjusted, the HVAC module reads the voltage on the rear mode/temperature control feedback circuits to determine the requested temperature setting.

During an actuator calibration cycle, the HVAC module drives the auxiliary panel/floor door until the door reaches both internal stops in the HVAC case. If the auxiliary panel/floor door is temporarily obstructed or binding during a calibration cycle, the HVAC module may interpret this as the actual end of travel for the door. When this condition occurs and the HVAC module commands the actuator to its end of travel, the airflow may not be from the expected outlets.

- DTC B2917 (Rear Mode Door Circuit Failure)- The module senses an open/short in the feedback circuit or no change in actuator feedback voltage when the actuator motor has been energized.

This pinpoint test is intended to diagnose the following:

- Wiring, terminals or connectors

- Auxiliary panel/floor door actuator

- HVAC module

- Stuck or bound linkage or door

PINPOINT TEST W : THE AUXILIARY PANEL/FLOOR CONTROL IS INOPERATIVE/DOES NOT OPERATE CORRECTLY USING THE FRONT/REAR AUXILIARY CLIMATE CONTROLS

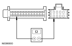
W1 CHECK THE FEEDBACK POTENTIOMETER TOTAL RESISTANCE

- Disconnect: HVAC Module- Dual Automatic Temperature Control (DATC) C228A or HVAC Module- Electronic Manual Temperature Control (EMTC) C2357A.

- Disconnect: HVAC Module- DATC (Dual Automatic Temperature Control) C228B or HVAC Module- EMTC (Electronic Manual Temperature Control) C2357B.

- Measure the resistance between:
- (For EMTC (Electronic Manual Temperature Control) systems) HVAC module- EMTC (Electronic Manual Temperature Control) C2357A-11, circuit LH111 (BN/WH), harness side and HVAC module- EMTC (Electronic Manual Temperature Control) C2357A-10, circuit RH111 (GY/BU), harness side.

- (For DATC (Dual Automatic Temperature Control) systems) HVAC module- DATC (Dual Automatic Temperature Control) C228A-11, circuit LH111 (BN/WH), harness side and HVAC module- DATC (Dual Automatic Temperature Control) C228A-10, circuit RH111 (GY/BU), harness side.






Is the resistance greater than 500 ohms?

Yes
GO to W2.

No
CARRY OUT the Auxiliary Panel/Floor Door Actuator component test. Component Tests If a new actuator is installed, CONNECT the actuator electrical connector before the HVAC module connector(s). This will allow the new actuator to be calibrated when the HVAC module is reconnected. If the actuator tests OK, REPAIR circuits LH111 (BN/WH) and RH111 (GY/BU) for a short together. CLEAR the DTCs. REPEAT the self-test. TEST the system for normal operation.

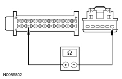
W2 CHECK THE POTENTIOMETER LOW- AND HIGH-SIDE RESISTANCE

- Measure the low-side resistance between:
- (For EMTC (Electronic Manual Temperature Control) systems) HVAC module- EMTC (Electronic Manual Temperature Control) C2357A-10, circuit RH111 (GY/BU), harness side and HVAC module- EMTC (Electronic Manual Temperature Control) C2357B-19, circuit VH438 (GN/VT), harness side.

- (For DATC (Dual Automatic Temperature Control) systems) HVAC module- DATC (Dual Automatic Temperature Control) C228A-10, circuit RH111 (GY/BU), harness side and HVAC module- DATC (Dual Automatic Temperature Control) C228B-19, circuit VH438 (GN/VT), harness side.






- Measure the high-side resistance between:
- (For EMTC (Electronic Manual Temperature Control) systems) HVAC module- EMTC (Electronic Manual Temperature Control) C2357A-11, circuit LH111 (BN/WH), harness side and HVAC module- EMTC (Electronic Manual Temperature Control) C2357B-19, circuit VH438 (GN/VT), harness side.

- (For DATC (Dual Automatic Temperature Control) systems) HVAC module- DATC (Dual Automatic Temperature Control) C228A-11, circuit LH111 (BN/WH), harness side and HVAC module- DATC (Dual Automatic Temperature Control) C228B-19, circuit VH438 (GN/VT), harness side.






Is the resistance between 250 and 10,250 ohms?

Yes
GO to W3.

No
CARRY OUT the Auxiliary Temperature Door Actuator component test. Component Tests If a new actuator is installed, CONNECT the actuator electrical connector before the HVAC module connector(s). This will allow the new actuator to be calibrated when the HVAC module is reconnected. If the actuator tests OK and:

If the low-side resistance only is greater than 10,250 ohms, REPAIR circuit RH111 (GY/BU) for an open. CLEAR the DTCs. REPEAT the self-test. TEST the system for normal operation.

If the low-side resistance only is less than 250 ohms, REPAIR circuits VH438 (GN/VT) and RH111 (GY/BU) for a short together. CLEAR the DTCs. REPEAT the self-test. TEST the system for normal operation.

If the high-side resistance only is greater than 10,250 ohms, REPAIR circuit LH111 (BN/WH) for an open. CLEAR the DTCs. REPEAT the self-test. TEST the system for normal operation.

If the high-side resistance only is less than 250 ohms, REPAIR circuits VH438 (GN/VT) and LH111 (BN/WH) for a short together. CLEAR the DTCs. REPEAT the self-test. TEST the system for normal operation.

If both the high-side and low-side resistance is greater than 10,250 ohms, REPAIR circuit VH438 (GN/VT) for an open. CLEAR the DTCs. REPEAT the self-test. TEST the system for normal operation.

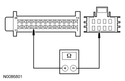
W3 CHECK CIRCUITS RH111 (GY/BU) AND VH438 (GN/VT) FOR A SHORT TO POWER

- Ignition ON.

- Measure the voltage between ground and the following:
- HVAC module- DATC (Dual Automatic Temperature Control) C228A-10 or HVAC module- EMTC (Electronic Manual Temperature Control) C2357A-10, circuit RH111 (GY/BU), harness side.

- HVAC module- DATC (Dual Automatic Temperature Control) C228B-19 or HVAC module- EMTC (Electronic Manual Temperature Control) C2357B-19, circuit VH438 (GN/VT), harness side.






Are any voltages present?

Yes
REPAIR circuit RH111 (GY/BU) or VH438 (GN/VT) for a short to power. CLEAR the DTCs. REPEAT the self-test. TEST the system for normal operation.

No
GO to W4.

W4 CHECK CIRCUITS LH111 (BN/WH) AND VH438 (GN/VT) FOR A SHORT TO GROUND

- Disconnect: Auxiliary Panel/Floor Door Actuator C3044 (Expedition/Navigator) or C4342 (Expedition EL/Navigator L).

- Measure the resistance between ground and the following:
- HVAC module- DATC (Dual Automatic Temperature Control) C228A-11 or HVAC module- EMTC (Electronic Manual Temperature Control) C2357A-11, circuit LH111 (BN/WH), harness side.

- HVAC module- DATC (Dual Automatic Temperature Control) C228B-19 or HVAC module- EMTC (Electronic Manual Temperature Control) C2357B-19, circuit VH438 (GN/VT), harness side.






Are the resistances greater than 10,000 ohms?

Yes
For EMTC (Electronic Manual Temperature Control) systems, GO to W5.

For DATC (Dual Automatic Temperature Control) systems, GO to W6.

No
REPAIR circuits LH111 (BN/WH) or VH438 (GN/VT) for a short to ground. CLEAR the DTCs. REPEAT the self-test. TEST the system for normal operation.

W5 CHECK THE DOOR ACTUATOR OPERATION

NOTE: If a jumper fuse opens while carrying out this test step, repair the circuit(s) for a short.

- With the fused jumper connections made as directed below, measure the resistance between HVAC module- EMTC (Electronic Manual Temperature Control) C2357A-10, circuit RH111 (GY/BU), harness side and HVAC module- EMTC (Electronic Manual Temperature Control) C2357A-19, circuit VH438 (GN/VT), harness side.





- Connect a fused jumper wire between:
- HVAC module- EMTC (Electronic Manual Temperature Control) C2357A-13, circuit SBP15 (WH/RD), harness side and HVAC module- EMTC (Electronic Manual Temperature Control) C2357B-11, circuit CH207 (BU/GY), harness side.

- HVAC module- EMTC (Electronic Manual Temperature Control) C2357A-23, circuit GD133 (BK), harness side and HVAC module- EMTC (Electronic Manual Temperature Control) C2357B-10, circuit CH208 (GN/OG), harness side.






- Remove the fused jumpers.

- Connect a fused jumper wire between:
- HVAC module- EMTC (Electronic Manual Temperature Control) C2357A-23, circuit GD133 (BK), harness side and HVAC module- EMTC (Electronic Manual Temperature Control) C2357B-11, circuit CH207 (BU/GY), harness side.

- HVAC module- EMTC (Electronic Manual Temperature Control) C2357A-13, circuit SBP15 (WH/RD), harness side and HVAC module- EMTC (Electronic Manual Temperature Control) C2357B-10, circuit CH208 (GN/OG), harness side.






Does the resistance smoothly increase and/or decrease when the jumpers are connected?

Yes
INSPECT for broken door and linkage. REPAIR as necessary. If no condition is found, GO to W8.

No
GO to W7.

W6 CHECK THE DOOR ACTUATOR OPERATION

NOTE: If a jumper fuse opens while carrying out this test step, repair the circuit(s) for a short.

- With the fused jumper connections made as directed below, measure the resistance between HVAC module- DATC (Dual Automatic Temperature Control) C228A-10, circuit RH111 (GY/BU), harness side and HVAC module- DATC (Dual Automatic Temperature Control) C228B-19, circuit VH438 (GN/VT), harness side.





- Connect a fused jumper wire between:
- HVAC module- DATC (Dual Automatic Temperature Control) C228A-13, circuit SBP15 (WH/RD), harness side and HVAC module- DATC (Dual Automatic Temperature Control) C228B-11, circuit CH207 (BU/GY), harness side.

- HVAC module- DATC (Dual Automatic Temperature Control) C228A-23, circuit GD133 (BK), harness side and HVAC module- DATC (Dual Automatic Temperature Control) C228B-10, circuit CH208 (GN/OG), harness side.






- Remove the fused jumpers.

- Connect a fused jumper wire between:
- HVAC module- DATC (Dual Automatic Temperature Control) C228A-23, circuit GD133 (BK), harness side and HVAC module- DATC (Dual Automatic Temperature Control) C228B-11, circuit CH207 (BU/GY), harness side.

- HVAC module- DATC (Dual Automatic Temperature Control) C228A-13, circuit SBP15 (WH/RD), harness side and HVAC module- DATC (Dual Automatic Temperature Control) C228B-10, circuit CH208 (GN/OG), harness side.






Does the resistance smoothly increase and/or decrease when the jumpers are connected?

Yes
INSPECT for broken door and linkage. REPAIR as necessary. If no condition is found, GO to W8.

No
GO to W7.

W7 CHECK THE ACTUATOR MOTOR DRIVE CIRCUITS FOR AN OPEN

NOTE: Access to the connector in the following step is difficult. Before performing this step, visually inspect the actuator and its harness for obvious damage. If no damage is evident, proceed with the test.

- Disconnect: Auxiliary Panel/Floor Door Actuator C3044 (Expedition/Navigator) or C4342 (Expedition EL/Navigator L).

- For Expedition/Navigator only





For Expedition/Navigator only, measure the resistance between:
- (For EMTC (Electronic Manual Temperature Control) systems) HVAC module- EMTC (Electronic Manual Temperature Control) C2357B-11, circuit CH207 (BU/GY), harness side and auxiliary panel/floor door actuator C3044-8, circuit CH207 (BU/GY), harness side.

- (For DATC (Dual Automatic Temperature Control) systems) HVAC module- DATC (Dual Automatic Temperature Control) C228B-11, circuit CH207 (BU/GY), harness side and auxiliary panel/floor door actuator C3044-8, circuit CH207 (BU/GY), harness side.


- For Expedition/Navigator only





For Expedition/Navigator only, measure the resistance between:
- (For EMTC (Electronic Manual Temperature Control) systems) HVAC module- EMTC (Electronic Manual Temperature Control) C2357B-10, circuit CH208 (GN/OG), harness side and auxiliary panel/floor door actuator C3044-7, circuit CH208 (GN/OG), harness side.

- (For DATC (Dual Automatic Temperature Control) systems) HVAC module- DATC (Dual Automatic Temperature Control) C228B-10, circuit CH208 (GN/OG), harness side and auxiliary panel/floor door actuator C3044-7, circuit CH208 (GN/OG), harness side.


- For Expedition EL/Navigator L only





For Expedition EL/Navigator L only, measure the resistance between:
- (For EMTC (Electronic Manual Temperature Control) systems) HVAC module- EMTC (Electronic Manual Temperature Control) C2357B-11, circuit CH207 (BU/GY), harness side and auxiliary panel/floor door actuator C4342-1, circuit CH207 (BU/GY), harness side.

- (For DATC (Dual Automatic Temperature Control) systems) HVAC module- DATC (Dual Automatic Temperature Control) C228B-11, circuit CH207 (BU/GY), harness side and auxiliary panel/floor door actuator C4342-1, circuit CH207 (BU/GY), harness side.


- For Expedition EL/Navigator L only





For Expedition EL/Navigator L only, measure the resistance between:
- (For EMTC (Electronic Manual Temperature Control) systems) HVAC module- EMTC (Electronic Manual Temperature Control) C2357B-10, circuit CH208 (GN/OG), harness side and auxiliary panel/floor door actuator C4342-6, circuit CH208 (GN/OG), harness side.

- (For DATC (Dual Automatic Temperature Control) systems) HVAC module- DATC (Dual Automatic Temperature Control) C228B-10, circuit CH208 (GN/OG), harness side and auxiliary panel/floor door actuator C4342-6, circuit CH208 (GN/OG), harness side.


Are the resistances less than 5 ohms?

Yes
INSPECT for binding or broken linkage. REPAIR as necessary. If no condition is found, INSTALL a new door actuator. TEST the system for normal operation.

No
REPAIR the circuit CH207 (BU/GY) or CH208 (GN/OG) for an open. CLEAR the DTCs. REPEAT the self-test. TEST the system for normal operation.

W8 CHECK THE HVAC MODULE CONNECTION

- Inspect the HVAC module connectors for:
- corrosion.
- pushed-out terminals.
- damaged terminals.


- Connect and correctly seat all the HVAC module connectors.

- Clear the DTCs.

- Operate the system and verify the concern is still present.

Is the concern still present?

Yes
INSTALL a new HVAC module. TEST the system for normal operation.

No
The system is operating correctly at this time. The concern may have been caused by a loose or corroded connector. CLEAR the DTCs. REPEAT the self-test. TEST the system for normal operation.