Operation CHARM: Car repair manuals for everyone.
Manuals through 2025 now available!

Our trusted friends have launched a new website named LEMON, which has newer manuals. It also contains all the CHARM manuals.

LEMON is the spiritual successor to CHARM, I recommend you try it!

Link: lemon-manuals.la or lemon-manuals.org.ua

(Some people have issue connecting. LEMON is investigating. For now, use Firefox or change your DNS server)

Or, hide this message: temporarily or permanently

Pinpoint Test C: The Instrument Cluster (IC) Does Not Respond To The Scan Tool




Communications Network

Pinpoint Test C: The Instrument Cluster (IC) Does Not Respond To The Scan Tool

Refer to Wiring Diagram Set 14, Module Communications Network for schematic and connector information Electrical Diagrams.

Refer to Wiring Diagram Set 60, Instrument Cluster for schematic and connector information Electrical Diagrams.

Normal Operation

The Instrument Cluster (IC) communicates with the scan tool and other modules through the High Speed Controller Area Network (HS-CAN). The IC (Instrument Cluster) communicates with other modules on the HS-CAN (High Speed Controller Area Network) and the Medium Speed Controller Area Network (MS-CAN).

This pinpoint test is intended to diagnose the following:

- Fuse

- Wiring, terminals or connectors

- IC (Instrument Cluster)

PINPOINT TEST C : THE IC (Instrument Cluster) DOES NOT RESPOND TO THE SCAN TOOL

NOTICE: Use the correct probe adapter(s) when making measurements. Failure to use the correct probe adapter(s) may damage the connector.

NOTE: Failure to disconnect the battery when instructed will result in false resistance readings.

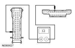
C1 CHECK THE HS-CAN (High Speed Controller Area Network) TERMINATION RESISTANCE

- Ignition OFF.

- Disconnect: Negative Battery Cable.

- Disconnect the scan tool cable from the Data Link Connector (DLC).

- Measure the resistance between the DLC (Data Link Connector) C251-6, and the DLC (Data Link Connector) C251-14.





Is the resistance between 54 and 66 ohms?

Yes
GO to C2.

No
GO to C4.

C2 CHECK THE IC (Instrument Cluster) GROUND CIRCUIT FOR AN OPEN

- Measure the resistance between the IC (Instrument Cluster) C220-6, circuit GD133 (BK), harness side and ground.





Is the resistance less than 5 ohms?

Yes
CONNECT the negative battery cable. GO to C3.

No
REPAIR the circuit. CONNECT the negative battery cable. CLEAR the DTCs. REPEAT the network test with the scan tool.

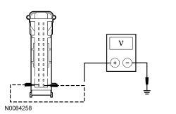
C3 CHECK THE IC (Instrument Cluster) VOLTAGE SUPPLY CIRCUITS FOR AN OPEN

- Disconnect: IC (Instrument Cluster) C220.

- Ignition ON.

- Measure the voltage between the IC (Instrument Cluster) C220-1, circuit SBP26 (YE/RD), harness side and ground; and between the IC (Instrument Cluster) C220-14, circuit CBP29 (WH/VT), harness side and ground.





Are the voltages greater than 10 volts?

Yes
GO to C5.

No
VERIFY the Smart Junction Box (SJB) fuse 26 (10A) or fuse 29 (5A) is OK. If OK, REPAIR the circuit in question. If not OK, REFER to the Wiring Diagrams to identify the possible causes of the circuit short Electrical Diagrams. CLEAR the DTCs. REPEAT the network test with the scan tool.

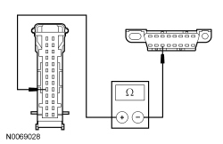
C4 CHECK THE HS-CAN (High Speed Controller Area Network) CIRCUITS BETWEEN THE IC (Instrument Cluster) AND THE DLC (Data Link Connector) FOR AN OPEN

- Measure the resistance between the IC (Instrument Cluster) C220-7, circuit VDB04 (WH/BU), harness side and the Data Link Connector (DLC) C251-6, circuit VDB04 (WH/BU), harness side.





- Measure the resistance between the IC (Instrument Cluster) C220-8, circuit VDB05 (WH), harness side and the DLC (Data Link Connector) C251-14, circuit VDB05 (WH), harness side.





Are the resistances less than 5 ohms?

Yes
GO to C5.

No
REPAIR the circuit in question. CLEAR the DTCs. REPEAT the network test with the scan tool.

C5 CHECK THE MS-CAN (Medium Speed Controller Area Network) CIRCUITS BETWEEN THE IC (Instrument Cluster) AND THE DLC (Data Link Connector) FOR AN OPEN

- Measure the resistance between the IC (Instrument Cluster) C220-4, circuit VDB06 (GY/OG), harness side and the DLC (Data Link Connector) C251-3, circuit VDB06 (GY/OG), harness side.





- Measure the resistance between the IC (Instrument Cluster) C220-5, circuit VDB07 (VT/OG), harness side and the DLC (Data Link Connector) C251-11, circuit VDB07 (VT/OG), harness side.





Are the resistances less than 5 ohms?

Yes
GO to C6.

No
REPAIR the circuit in question. CLEAR the DTCs. REPEAT the network test with the scan tool.

C6 CHECK FOR CORRECT IC (Instrument Cluster) OPERATION

- Disconnect the IC (Instrument Cluster) connector.

- Check for:
- corrosion

- damaged pins

- pushed-out pins


- Connect the IC (Instrument Cluster) connector and make sure it seats correctly.

- Operate the system and verify the concern is still present.

Is the concern still present?

Yes
INSTALL a new IC (Instrument Cluster). CLEAR the DTCs. REPEAT the network test with the scan tool.

No
The system is operating correctly at this time. The concern may have been caused by a loose or corroded connector.