Operation CHARM: Car repair manuals for everyone.
Manuals through 2025 now available!

Our trusted friends have launched a new website named LEMON, which has newer manuals. It also contains all the CHARM manuals.

LEMON is the spiritual successor to CHARM, I recommend you try it!

Link: lemon-manuals.la or lemon-manuals.org.ua

(Some people have issue connecting. LEMON is investigating. For now, use Firefox or change your DNS server)

Or, hide this message: temporarily or permanently

Pinpoint Test P: The Power Running Board (PRB) Module Does Not Respond To The Scan Tool




Communications Network

Pinpoint Test P: The Power Running Board (PRB) Module Does Not Respond To The Scan Tool

Refer to Wiring Diagram Set 14, Module Communications Network for schematic and connector information Electrical Diagrams.

Refer to Wiring Diagram Set 109, Power Liftgate/Retractable Running Boards for schematic and connector information Electrical Diagrams.

Normal Operation

The Power Running Board (PRB) module communicates with the scan tool through the Medium Speed Controller Area Network (MS-CAN).

This pinpoint test is intended to diagnose the following:

- Fuse

- Wiring, terminals or connectors

- PRB (Power Running Board) module

PINPOINT TEST P : THE PRB (Power Running Board) MODULE DOES NOT RESPOND TO THE SCAN TOOL

NOTICE: Use the correct probe adapter(s) when making measurements. Failure to use the correct probe adapter(s) may damage the connector.

NOTE: Failure to disconnect the battery when instructed will result in false resistance readings.

P1 CHECK THE PRB (Power Running Board) MODULE VOLTAGE SUPPLY CIRCUIT FOR AN OPEN

- Ignition OFF.

- Disconnect: PRB (Power Running Board) Module C3313B.

- Ignition ON.

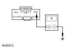
- Measure the voltage between the PRB (Power Running Board) module C3313B-1, circuit SBB11 (BU/RD), harness side and ground.





Is the voltage greater than 10 volts?

Yes
GO to P2.

No
VERIFY the Battery Junction Box (BJB) fuse 11 (40A) is OK. If OK, REPAIR the circuit. If not OK, REFER to the Wiring Diagrams to identify the possible causes of the circuit short Electrical Diagrams.CLEAR the DTCs. REPEAT the network test with the scan tool.

P2 CHECK THE PRB (Power Running Board) MODULE GROUND CIRCUIT FOR AN OPEN

- Ignition OFF.

- Disconnect: Negative Battery Cable.

- Measure the resistance between the PRB (Power Running Board) module C3313B-4, circuit GD143 (BK/VT), harness side and ground.





Is the resistance less than 5 ohms?

Yes
GO to P3.

No
REPAIR the circuit. CONNECT the negative battery cable. CLEAR the DTCs. REPEAT the network test with the scan tool.

P3 CHECK THE MS-CAN (Medium Speed Controller Area Network) CIRCUITS BETWEEN THE PRB (Power Running Board) MODULE AND THE DLC (Data Link Connector) FOR AN OPEN

- Measure the resistance between the PRB (Power Running Board) module C3313B-8, circuit VDB06 (GY/OG), harness side and the Data Link Connector (DLC) C251-3, circuit VDB06 (GY/OG), harness side.





- Measure the resistance between the PRB (Power Running Board) module C3313B-7, circuit VDB07 (VT/OG), harness side and the DLC (Data Link Connector) C251-11, circuit VDB07 (VT/OG), harness side.





Are the resistances less than 5 ohms?

Yes
CONNECT the negative battery cable. GO to P4.

No
REPAIR the circuit in question. CONNECT the negative battery cable. CLEAR the DTCs. REPEAT the network test with the scan tool.

P4 CHECK FOR CORRECT PRB (Power Running Board) MODULE OPERATION

- Disconnect all the PRB (Power Running Board) module connectors.

- Check for:
- corrosion

- damaged pins

- pushed-out pins


- Connect all the PRB (Power Running Board) module connectors and make sure they seat correctly.

- Operate the system and verify the concern is still present.

Is the concern still present?

Yes
INSTALL a new PRB (Power Running Board) module. CLEAR the DTCs. REPEAT the network test with the scan tool.

No
The system is operating correctly at this time. The concern may have been caused by a loose or corroded connector.