Operation CHARM: Car repair manuals for everyone.
Manuals through 2025 now available!

Our trusted friends have launched a new website named LEMON, which has newer manuals. It also contains all the CHARM manuals.

LEMON is the spiritual successor to CHARM, I recommend you try it!

Link: lemon-manuals.la or lemon-manuals.org.ua

(Some people have issue connecting. LEMON is investigating. For now, use Firefox or change your DNS server)

Or, hide this message: temporarily or permanently

Pinpoint Test A: The Engine Does Not Crank




Starting System

Pinpoint Test A: The Engine Does Not Crank

Refer to Wiring Diagram Set 20, Starting System for schematic and connector information Electrical Diagrams.

Normal Operation

Under normal operation, when the ignition switch is turned to the START position, the PCM receives a starter motor request signal from the ignition switch. The PCM also receives a signal from the transmission if the vehicle is in PARK or NEUTRAL and from the Instrument Cluster (IC) if the correct Passive Anti-Theft System (PATS) key is in use. Once the PCM receives these three signals, it supplies power and ground to the starter relay coil, which energizes the starter relay coil and closes the relay contacts. Once the relay contacts close, power from Battery Junction Box (BJB) fuse 13 (30A) is applied to the starter solenoid. The solenoid is grounded at the starter motor. When energized, the starter solenoid engages the starter drive gear with the flexplate ring gear. At the same time, it closes the solenoid contacts, which allows power to flow directly from the battery to the starter motor to start the engine. The PCM disengages the starter motor if the engine starts (rpm threshold is met), a set crank time has been exceeded or the ignition switch has been turned to the OFF position.

This pinpoint test is intended to diagnose the following:

- Battery

- Battery cable(s)

- Fuse(s)

- Ignition switch

- PATS (Passive Anti-Theft System)

- PCM

- Starter motor

- Starter relay

- Transmission Range (TR) sensor

- Wiring, terminals or connectors

PINPOINT TEST A : THE ENGINE DOES NOT CRANK

A1 CHECK THE BATTERY

- Ignition OFF.

- Check the battery condition and charge.

Is the battery OK?

Yes
GO to A2.

No
CHARGE or INSTALL a new battery. TEST the system for normal operation.

A2 CHECK THE IC (Instrument Cluster) AND PCM FOR DTCs

- Ignition ON.

- Connect the scan tool.

- Enter the following diagnostic mode on the scan tool: Self-Test- IC (Instrument Cluster).

- Enter the following diagnostic mode on the scan tool: Self-Test- PCM.

- Record any IC (Instrument Cluster) or PCM DTCs retrieved.

Were any IC (Instrument Cluster) or PCM DTCs retrieved?

Yes
If IC (Instrument Cluster) DTCs are retrieved, REFER to Instrument Panel, Gauges and Warning Indicators. If PCM DTCs are retrieved, REFER to Computers and Control Systems Information.

No
GO to A3.

A3 CHECK THE PCM KEY POSITION FOR START INDICATED (START_KEY) PID

- Enter the following diagnostic mode on the scan tool: DataLogger- PCM.

- While observing the PCM START_KEY PID, turn the ignition key to the START position.

Does the PID display ON when the ignition key is held in the START position, and OFF when the ignition key is released?

Yes
GO to A4.

No
GO to A16.

A4 CHECK THE PCM TRANSMISSION RANGE (TR (Transmission Range)) PID

- While observing the PCM TR (Transmission Range) PID, place the vehicle in PARK and NEUTRAL.

Does the PID match the gear selection?

Yes
GO to A5.

No
If equipped with floor shift, REFER to The Shift Control is Out of Correct Gear Relationship in the symptom chart in Automatic Transmission/Transaxle.

If equipped with column shift, REFER to The Selector Lever is Out of Correct Gear Relationship in the symptom chart in Automatic Transmission/Transaxle.

A5 CHECK THE VOLTAGE TO THE STARTER RELAY

NOTICE: Use the correct probe adapter(s) when making measurements. Failure to use the correct probe adapter(s) may damage the connector.

- Ignition OFF.

- Disconnect: Starter Relay.

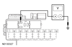
- Measure the voltage between the starter relay, pin cavity 3, circuit SBB13 (GY/RD) and ground.





Is the voltage greater than 10 volts?

Yes
GO to A6.

No
VERIFY BJB (Battery Junction Box) fuse 13 (30A) is OK. If OK, REPAIR the circuit. If not OK, REFER to the Wiring Diagrams to identify the possible causes of the circuit short Electrical Diagrams. TEST the system for normal operation.

A6 CHECK THE STARTER MOTOR

NOTICE: Use the correct probe adapter(s) when making measurements. Failure to use the correct probe adapter(s) may damage the connector.

- Connect one end of a fused jumper wire to BJB (Battery Junction Box) starter relay socket, pin 3, circuit SBB13 (GY/RD) and momentarily connect the other end of the fused jumper wire to BJB (Battery Junction Box) starter relay socket, pin 5, circuit CDC25 (BN/GN).





Did the starter motor engage and the engine crank?

Yes
The fault is on the starter relay control side. GO to A7.

No
The fault is on the starter relay output side. GO to A11.

A7 CHECK FOR START INPUT AT THE STARTER RELAY

NOTICE: Use the correct probe adapter(s) when making measurements. Failure to use the correct probe adapter(s) may damage the connector.

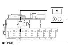
- While holding the key in the START position, measure the voltage between starter relay pin cavity 1, circuit CDC38 (WH/VT) and ground.





Is the voltage greater than 10 volts?

Yes
GO to A9.

No
GO to A8.

A8 CHECK THE START INPUT CIRCUIT FOR AN OPEN

NOTICE: Use the correct probe adapter(s) when making measurements. Failure to use the correct probe adapter(s) may damage the connector.

- Ignition OFF.

- Disconnect: PCM C175B.

- Measure the resistance between PCM C175B-37, circuit CDC38 (WH/VT), harness side and starter relay pin cavity 1, circuit CDC38 (WH/VT).





Is the resistance less than 5 ohms?

Yes
GO to A18.

No
REPAIR the circuit. TEST the system for normal operation.

A9 CHECK THE STARTER RELAY GROUND

NOTICE: Use the correct probe adapter(s) when making measurements. Failure to use the correct probe adapter(s) may damage the connector.

- While holding the key in the START position, measure the voltage between starter relay pin cavity 1, circuit CDC38 (WH/VT) and pin cavity 2, circuit CDC12 (YE).





Is the voltage greater than 10 volts?

Yes
INSTALL a new starter relay. TEST the system for normal operation.

No
GO to A10.

A10 CHECK THE STARTER RELAY COIL GROUND CIRCUIT FOR AN OPEN

NOTICE: Use the correct probe adapter(s) when making measurements. Failure to use the correct probe adapter(s) may damage the connector.

- Ignition OFF.

- Disconnect: PCM C175B.

- Measure the resistance between the starter relay pin cavity 2, circuit CDC12 (YE) and PCM C175B-7, circuit CDC12 (YE), harness side.





Is the resistance less than 5 ohms?

Yes
GO to A18.

No
REPAIR the circuit. TEST the system for normal operation.

A11 CHECK THE START INPUT AT THE STARTER SOLENOID

- Connect: Starter Relay.

- Disconnect: Starter Motor ("S" terminal) C197B.

- While holding the key in the START position, measure the voltage between starter motor solenoid ("S" terminal) C197B-1, circuit CDC25 (BN/GN), harness side, and ground.





Is the voltage greater than 10 volts?

Yes
CLEAN the starter motor "S" terminal and C197B. CHECK for a loose or intermittent connection. GO to A12.

No
REPAIR circuit CDC25 (BN/GN) for an open or high resistance. TEST the system for normal operation.

A12 CHECK THE BATTERY GROUND CABLE

- Measure the voltage between the positive battery post and the battery ground cable connection at the engine.





Is the voltage greater than 10 volts?

Yes
GO to A13.

No
INSTALL a new battery ground cable. TEST the system for normal operation.

A13 CHECK THE STARTER MOTOR GROUND

- Measure the voltage between the positive battery post and the starter motor case.





Is the voltage greater than 10 volts?

Yes
GO to A14.

No
CLEAN the starter motor mounting flange and VERIFY the starter motor is correctly mounted. TEST the system for normal operation.

A14 CHECK THE VOLTAGE AT THE STARTER MOTOR

- Measure the voltage between starter motor ("B" terminal) C197A-1, circuit SDC02 (RD) and ground.





Is the voltage greater than 10 volts?

Yes
GO to A15.

No
INSTALL a new positive battery cable. TEST the system for normal operation.

A15 CHECK THE STARTER MOTOR FOR CORRECT OPERATION

- Ignition OFF.

- Connect one end of a fused jumper wire to starter motor ("B" terminal) C197A-1, circuit SDC02 (RD). Momentarily connect the other end of the jumper to starter motor ("S" terminal) C197B-1, circuit CDC25 (BN/GN).





Did the starter motor engage and the engine crank?

Yes
The system is operating correctly at this time. The concern may have been caused by corrosion or a loose cable connection. VERIFY that all wiring connections are free of any corrosion and are tightened to specification. TEST the system for normal operation.

No
INSTALL a new starter motor. REFER to Starter Motor . TEST the system for normal operation.

A16 CHECK THE IGNITION SWITCH FEED CIRCUIT FOR VOLTAGE

NOTICE: Use the correct probe adapter(s) when making measurements. Failure to use the correct probe adapter(s) may damage the connector.

- Ignition OFF.

- Disconnect: Ignition Switch C250.

- Measure the voltage between ignition switch C250-9, circuit SBP27 (BU/RD), harness side and ground.





Is the voltage greater than 10 volts?

Yes
GO to A18.

No
VERIFY Smart Junction Box (SJB) fuse 27 (20A) is OK. If OK, REPAIR the circuit. If not OK, REFER to the Wiring Diagrams to identify the possible causes of the circuit short Electrical Diagrams. TEST the system for normal operation.

A17 CHECK THE IGNITION SWITCH

- Carry out the Ignition Switch Component Test.

Did the ignition switch pass the component test?

Yes
REPAIR circuit CDC35 (BU/WH) for an open. TEST the system for normal operation.

No
INSTALL a new ignition switch. TEST the system for normal operation.

A18 CHECK FOR CORRECT PCM OPERATION

- Disconnect: PCM C175E.

- Disconnect: PCM C175T.

- Check PCM connectors C175B, C175E, and C175T for:
- corrosion
- damaged pins
- pushed-out pins


- Connect each PCM connector and make sure each connector is correctly seated.

- Start the engine.

Does the engine crank?

Yes
The system is operating correctly at this time. The concern may have been caused by a loose or corroded connector. ADDRESS the root cause for the connector concern.

No
INSTALL a new PCM. TEST the system for normal operation.