Operation CHARM: Car repair manuals for everyone.
Manuals through 2025 now available!

Our trusted friends have launched a new website named LEMON, which has newer manuals. It also contains all the CHARM manuals.

LEMON is the spiritual successor to CHARM, I recommend you try it!

Link: lemon-manuals.la or lemon-manuals.org.ua

(Some people have issue connecting. LEMON is investigating. For now, use Firefox or change your DNS server)

Or, hide this message: temporarily or permanently

Seals and Gaskets: Service and Repair




Manual Control Lever Shaft and Seal









Removal

1. With the vehicle in NEUTRAL, position it on a hoist.

2. If equipped, remove the nut and the selector lever cable splash shield.





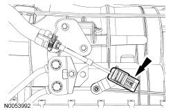
3. NOTICE: To prevent selector lever cable damage, do not apply force to the selector lever cable between the manual control lever and the selector lever cable bracket.

NOTE: The column shift is shown, the floor shift is similar.

Disconnect the transmission selector lever cable end from the manual control lever.






4. Remove the transmission fluid pan and allow the transmission fluid to drain.





5. NOTE: The transmission fluid pan gasket can be reused if not damaged.

Remove the transmission fluid pan gasket.






6. Remove and discard the transmission fluid filter.





7. NOTICE: Do not pull on the wire harness to disconnect the connector or damage to the connector will occur.

Disconnect the transmission vehicle harness connector by twisting the outer shell and pulling back on the connector.






8. Pull the release tab and pull down on the bulkhead connector retainer.





9. With the bulkhead connector release tab down, pull the outer shell of the bulkhead connector out of the main control.





10. Pull the bulkhead connector out of the transmission.





11. NOTICE: During removal of the main control, the thermal bypass valve will fall out of the transmission case. Damage to the valve will occur if the valve falls out.

Remove the 11 bolts from the main control and remove the main control assembly and the bypass valve.






12. Remove the park rod actuating plate.





13. Remove the manual control lever.
1. Remove the roll pin.

2. Slide the manual control lever shaft out of the case.

3. Hold the spacer to keep it from falling out of the case.

4. Remove the manual valve inner lever and the park rod as an assembly.






14. Remove and discard the manual control lever seal.





Installation

1. Position a new manual control lever seal in place.





2. Using the Shifter Fluid Seal Installer, install a new manual control lever shaft seal.





3. Install the manual control lever in the case.
1. Slide the manual control lever in the case.

2. Position the spacer in place while sliding the manual control lever into the spacer.

3. Position the manual valve inner lever while sliding the manual control lever and lining up the roll pin hole.

4. Install the roll pin.






4. Position the park rod in place. Push down on the park pawl and position the park rod in place.

5. While holding the park rod down, install the park rod actuating plate.
- Tighten to 12 Nm (106 lb-in).






6. NOTE: Before installing the main control make sure that the thermal bypass valve, pump adapter seal and the center support seals are installed in the transmission case and are in the correct location. Also make sure that none of the center support seals are in the main control.

Verify the 4 rubber feed tubes for the center support are in place.

1. Black feed tubes

2. Green feed tube

3. Blue feed tube






7. Verify the rubber adapter is in place.





8. Coat the thermal bypass valve with petroleum jelly to hold it in place and install the thermal bypass valve in the transmission case.





9. Position the main control in place and loosely install the 11 bolts.
1. Align the manual valve and control lever linkage.






10. Tighten the main control bolts in the sequence shown.
- Tighten to 8 Nm (71 lb-in).






11. With the bulkhead connector release tab down and unlocked, push the outer shell of the bulkhead connector into the transmission. Make sure that the bulkhead connector is fully seated into the main control.





12. Press up on the tab and lock the outer shell of the bulkhead connector in place.





13. Install a new transmission fluid filter.





14. NOTE: The transmission fluid pan gasket can be reused if not damaged.

If necessary, install a new transmission fluid pan gasket.






15. Install the transmission fluid pan and tighten the transmission fluid pan bolts in a crisscross pattern.
- Tighten to 12 Nm (106 lb-in).






16. Connect the transmission vehicle harness connector by pushing it in and twisting the outer shell to lock it in place.





17. NOTICE: To prevent selector lever cable damage, do not apply force to the selector lever cable between the manual control lever and the selector lever cable bracket.

NOTE: The column shift is shown, the floor shift is similar.

Install the selector lever cable end on the manual control lever.






18. If equipped, install the selector lever cable splash shield and the nut.





19. Fill the transmission with clean transmission fluid. For additional information, refer to Transmission Fluid Drain and Refill Transmission Fluid Drain and Refill.