Operation CHARM: Car repair manuals for everyone.
Manuals through 2025 now available!

Our trusted friends have launched a new website named LEMON, which has newer manuals. It also contains all the CHARM manuals.

LEMON is the spiritual successor to CHARM, I recommend you try it!

Link: lemon-manuals.la or lemon-manuals.org.ua

(Some people have issue connecting. LEMON is investigating. For now, use Firefox or change your DNS server)

Or, hide this message: temporarily or permanently

Pinpoint Test C: A Single Power Window is Inoperative - RF




Glass, Frames and Mechanisms

Pinpoint Test C: A Single Power Window is Inoperative - RF, Navigator

Refer to Wiring Diagram Set 100, Power Windows for schematic and connector information Electrical Diagrams.

Normal Operation

Under normal operation, the RF power window motor microprocessor receives power at all times through circuit SBP04 (GN/RD) and from the accessory delay relay through circuit CBP41 (BU). Ground is provided at all times through circuit GD138 (BK/WH). The master window control switch or passenger window control switch provides a voltage input to the power window motor microprocessor through circuit CPW19 (VT) to operate the RF window down, and voltage input through circuit CPW20 (WH/OG) to operate the RF window up.

This pinpoint test is intended to diagnose the following:

- Fuse(s)

- Wiring, terminals or connectors

- Window control switch

- Front door window regulator motor

PINPOINT TEST C : A SINGLE POWER WINDOW IS INOPERATIVE - RF, NAVIGATOR

NOTICE: Use the correct probe adapter(s) from the Flex Probe Kit when making measurements. Failure to use the correct probe adapter(s) may damage the connector.

C1 CHECK THE MASTER WINDOW CONTROL SWITCH OPERATION

- Attempt to operate the RH window using the master window control switch.

Does the RH window operate when using the master window control switch?

Yes
GO to C7.

No
GO to C2.

C2 CHECK THE POWER TO THE WINDOW MOTOR

- Ignition OFF.

- Disconnect: RF Window Power Window Motor C646.

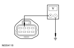
- Measure the voltage between RF power window motor C646-3, circuit SBP04 (GN/RD), harness side and ground.





Is the voltage greater than 10 volts?

Yes
GO to C3.

No
VERIFY the Smart Junction Box (SJB) fuse 4 (30A) is OK. If OK, REPAIR circuit SBP04 (GN/RD) for an open. DE-INITIALIZE, then INITIALIZE the RF power window motor. REFER to Window Motor Initialization . TEST the system for normal operation.

If not OK, REFER to the Wiring Diagrams to identify the possible causes of the circuit short Electrical Diagrams. REPAIR the circuit. DE-INITIALIZE, then INITIALIZE the RF power window motor. REFER to Window Motor Initialization . TEST the system for normal operation.

C3 CHECK THE RF WINDOW MOTOR DELAYED ACCESSORY FEED

- Ignition ON.

- Measure the voltage between RF power window motor C646-2, circuit CBP41 (BU), harness side and ground.





Is the voltage greater than 10 volts?

Yes
GO to C4.

No
VERIFY SJB (Smart Junction Box) fuse 41 (15A) is OK. If OK, REPAIR circuit CBP41 (BU) for an open. DE-INITIALIZE, then INITIALIZE the RF power window motor. REFER to Window Motor Initialization . TEST the system for normal operation.

If not OK, REFER to the Wiring Diagrams to identify the possible causes of the circuit short Electrical Diagrams. REPAIR the circuit. DE-INITIALIZE, then INITIALIZE the RF power window motor. REFER to Window Motor Initialization . TEST the system for normal operation.

C4 CHECK THE RF MOTOR GROUNDS

- Ignition OFF.

- Open the front door to disable delayed accessory power.

- Measure the resistance between RF power window motor C646-8, circuit GD138 (BK/WH), harness side and ground.





Is the resistance less than 5 ohms?

Yes
GO to C5.

No
REPAIR circuit GD138 (BK/WH) for an open. DE-INITIALIZE, then INITIALIZE the RF power window motor. REFER to Window Motor Initialization . TEST the system for normal operation.

C5 CHECK THE FRONT WINDOW SWITCH TO RF MOTOR FEEDS

- Disconnect: Master Window Control Switch C535A.

- Measure the resistance between RF power window motor C646, harness side and master window control switch C535A, harness side using the following chart:

RF Power Window Motor Circuit Master Window Control Switch C646-7 CPW20 (WH/OG) C535A-5 C646-4 CPW19 (VT) C535A-2 C646-6 CPW31 (GN/WH) C535A-1






Is the resistance less than 5 ohms?

Yes
GO to C6.

No
REPAIR circuit CPW20 (WH/OG), CPW19 (VT) or CPW31 (GN/WH) for an open. DE-INITIALIZE, then INITIALIZE the RF power window motor. REFER to Window Motor Initialization . TEST the system for normal operation.

C6 CHECK THE MASTER WINDOW CONTROL SWITCH

- Carry out the master window control switch component test.


Did the master window control switch pass the component test?

Yes
INSTALL a new RF power window motor. REFER to Window Regulator Motor - Front Door . INITIALIZE the RF door window motor. REFER to Window Motor Initialization . TEST the system for normal operation.

No
INSTALL a new master window control switch. REFER to Window Control Switch . TEST the system for normal operation.

C7 CHECK CIRCUIT CBP41 (BU) FOR AN OPEN

- Disconnect: Passenger Window Control Switch C648.

- Ignition ON.

- Measure the voltage between passenger window control switch C648-2, circuit CBP41 (BU), harness side and ground.





Is the voltage greater than 10 volts?

Yes
GO to C8.

No
REPAIR circuit CBP41 (BU) for an open. DE-INITIALIZE, then INITIALIZE the RF power window motor. REFER to Window Motor Initialization . TEST the system for normal operation.

C8 CHECK CIRCUIT GD138 (BK/WH) FOR AN OPEN

- Ignition OFF.

- Measure the resistance between passenger front window control switch C648-6, circuit GD138 (BK/WH), harness side and ground.





Is the resistance less than 5 ohms?

Yes
GO to C9.

No
REPAIR circuit GD138 (BK/WH) for an open. DE-INITIALIZE, then INITIALIZE the RF power window motor. REFER to Window Motor Initialization . TEST the system for normal operation.

C9 CHECK THE FRONT WINDOW SWITCH TO RF MOTOR FEEDS

- Measure the resistance between RF power window motor C646, harness side and passenger window control switch, harness side using the following chart:

Passenger Window Control Switch Circuit RF Power Window Motor C648-3 CPW20 (WH/OG) C646-7 C648-5 CPW19 (VT) C646-4 C648-4 CPW31 (GN/WH) C646-6






Is the resistance less than 5 ohms on all circuits?

Yes
INSTALL a new passenger window control switch. REFER to Window Control Switch . TEST the system for normal operation.

No
REPAIR circuit CPW20 (WH/OG), CPW19 (VT) or CPW31 (GN/WH) for an open. DE-INITIALIZE, then INITIALIZE the RF power window motor. REFER to Window Motor Initialization . TEST the system for normal operation.