Operation CHARM: Car repair manuals for everyone.
Manuals through 2025 now available!

Our trusted friends have launched a new website named LEMON, which has newer manuals. It also contains all the CHARM manuals.

LEMON is the spiritual successor to CHARM, I recommend you try it!

Link: lemon-manuals.la or lemon-manuals.org.ua

(Some people have issue connecting. LEMON is investigating. For now, use Firefox or change your DNS server)

Or, hide this message: temporarily or permanently

Timing Belt Cover - Modification

Category
1
Applicable Model/s 626 DIESEL
Subject TIMING BELT COVER
Bulletin No. 005/84
Issued 7/13/84
Revised

TIMING BELT COVER ASSEMBLY:




DESCRIPTION

The timing belt cover for the 626 Diesel has been modified for easier removal and installation of the cover since the production of April, 1984.

For the vehicles produced prior to this modification, the bolt indicated by the arrow may be difficult to remove. If so, use a pry bar to move the engine slightly toward the drivers side of the vehicle in order to provide more clearance between the frame and the engine. Locate the pry bar between the torque stopper and engine in order to prevent damage to the timing belt cover. The engine mounts are soft enough to allow sufficient movement of the engine to remove the bolt.

The new timing belt cover can be installed on vehicles prior to this modification if all the parts listed are installed.


VIN OF PRODUCTION CHANGE

626 Diesel: JM1GC222 E1500656 April, 1984


PARTS INFORMATION

PART NUMBER QTY

NEW OLD DESCRIPTION NEW OLD INTERCHANGEABILITY

RF03 10 510D RF03 10 510C Timing Belt Cover (R) 1 1 NEW + P to OLD

RF03 10 520E RF03 10 520D Timing Belt Cover (L) 1 1 NEW + P to OLD

RF03 10 526A RF03 10 526 Seal Rubber 1 1 NEW + P to OLD

RF01 10 515 RF01 10 515 Timing Belt Cover Insert 2 3 -

RF01 10 514 - Timing Belt Cover Insert 1 - -

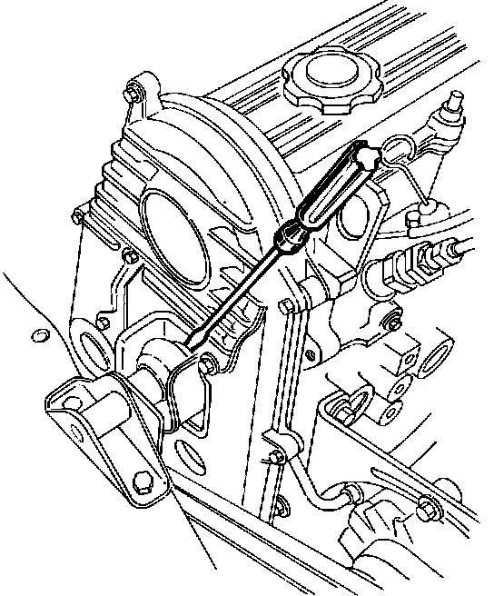
LOCATE BOLT BETWEEN TORQUE STOPPER AND ENGINE:





REPAIR PROCEDURE

1. Remove all bolts securing the timing belt cover to the engine.

2. If there is insufficient clearance between the frame and engine to remove a bolt, insert a large screwdriver or pry bar between the torque stopper and engine as shown in order to move the engine slightly toward the drivers side of the vehicle.

3. Install the new timing belt cover.