Operation CHARM: Car repair manuals for everyone.
Manuals through 2025 now available!

Our trusted friends have launched a new website named LEMON, which has newer manuals. It also contains all the CHARM manuals.

LEMON is the spiritual successor to CHARM, I recommend you try it!

Link: lemon-manuals.la or lemon-manuals.org.ua

(Some people have issue connecting. LEMON is investigating. For now, use Firefox or change your DNS server)

Or, hide this message: temporarily or permanently

Secondary Air Control System - Modification

Category 4
Applicable Model/s 1984 RX-7 (12A)
Subject SECONDARY AIR CONTROL SYSTEM MODIFICATION
Bulletin No. 002/84
Issued 7/13/84
Revised

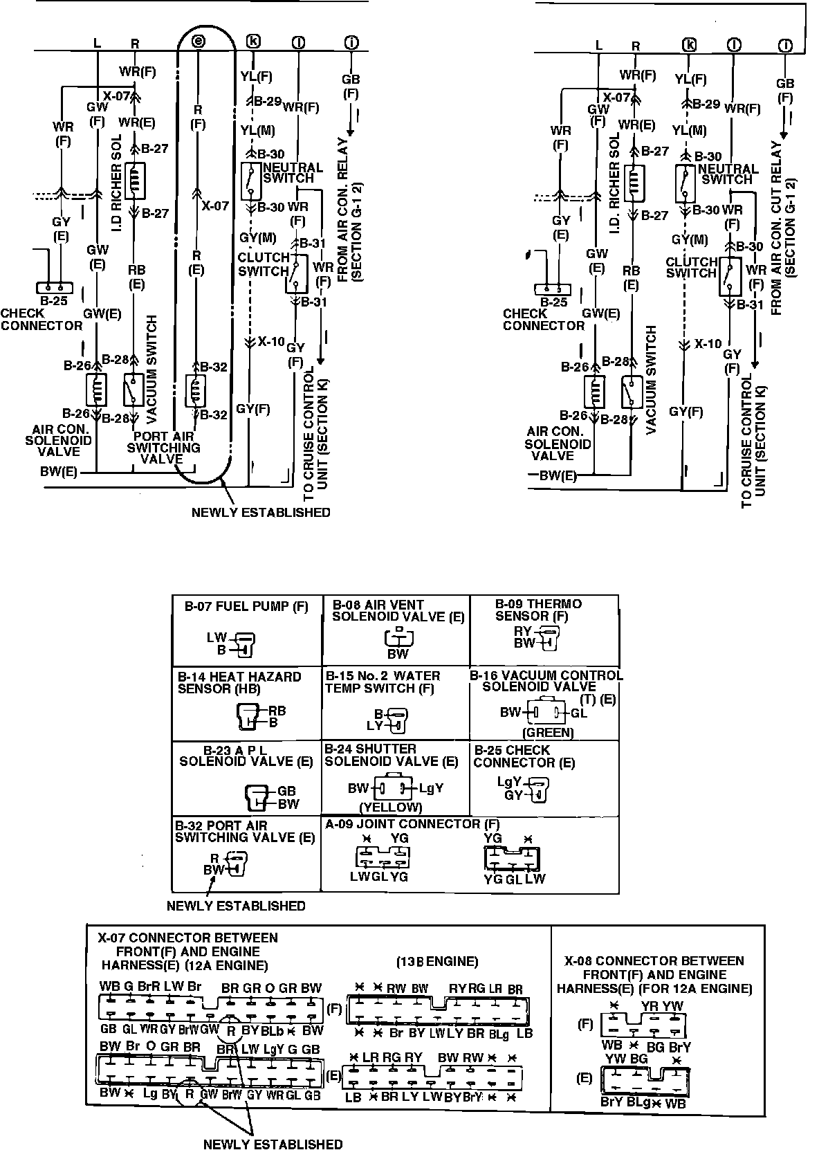
OLD AND NEW SECONDARY AIR CONTROL SYSTEMS:




Air Control Valve:




DESCRIPTION

The Secondary Air Control System has been modified since the production date of March, 1984.

Now air is injected behind the No. 1 pre-monolith converter when the Port Air Switching Valve (newly added to the Air Control Valve) is open. Port and split air operation remain the same as previous years.

OPERATION The Port Air Switching Valve will open between 3,000-4,000 rpm or above 50 mph.

VIN OF PRODUCTION CHANGE

RX-7 (12A): JM1FB331 E0824687 March, 1984
PARTS INFORMATION

PART NUMBER

APPLIED

NEW OLD DESCRIPTION QTY INTERCHANGEABILITY MODEL

N249 13 720B N249 13 720A Air Control Valve 1 NO M/T (Federal)

N250 13 720A N250 13 720 Air Control Valve 1 NO A/T (Federal)

N251 13 720B N251 13 720A Air Control Valve 1 NO M/T (California)

N252 13 720A N252 13 720 Air Control Valve 1 NO A/T (California)

N249 18 941D N249 18 941C Control Unit 1 NEW to OLD M/T

N250 18 941C N250 18 941B Control Unit 1 NEW to OLD A/T

N249 18 051F N249 18 051E Engine Wiring 1 NEW to OLD

N250 20 725 - Solenoid Valve 1 NO

N249 40 718 - Air Hose 1 NO

N249 40 720 - Air Pipe 1 NO

N249 40 780C N249 40 780B No. 1 Pre-Converter 1 NO

N304 40 814E N304 40 814D Protector 1 NEW to OLD M/T

N250 40 814E N250 40 814D Protector 1 NEW to OLD A/T

FA54 67 010K FA54 67 010J Front Harness 1 NEW to OLD

Jumper Wire Location:




CHECKING PROCEDURE

PORT AIR SWITCHING VALVE

Checking Port Air Switching Valve:

1. Warm up the engine and run it at idling speed.

2. Connect a tachometer to the engine.

3. Disconnect the connector from the throttle sensor and connect a jumper wire to A and C terminals of the connector.

Voltmeter Connection To The Port Air Switching Valve:




4. Connect a voltmeter to the port air switching valve
(R) terminal and ground.

5. Increase the engine speed and observe the voltmeter reading.

Engine Speed (rpm) Voltage (V)

Idling speed - 3,000 approx. 12

3,000 - 4,000 below 2

more than 4,000 approx. 12


6. Disconnect the jumper wire connected in step 3 and connect the connector to the throttle sensor.

Rolling Road Tester:




7. Position the vehicle on a rolling-road tester.

WARNING:
Use wire rope to secure the vehicle so it doesn't move forward.

8. Increase the vehicle speed and observe the voltmeter reading.

Below 50 MPH - approx. 12V Above 50 MPH - below 2V

Wiring Harness Change:




Due to the addition of the Port Air Switching Valve in the Air Control Valve the wiring harness has been changed as shown below.