Operation CHARM: Car repair manuals for everyone.
Manuals through 2025 now available!

Our trusted friends have launched a new website named LEMON, which has newer manuals. It also contains all the CHARM manuals.

LEMON is the spiritual successor to CHARM, I recommend you try it!

Link: lemon-manuals.la or lemon-manuals.org.ua

(Some people have issue connecting. LEMON is investigating. For now, use Firefox or change your DNS server)

Or, hide this message: temporarily or permanently

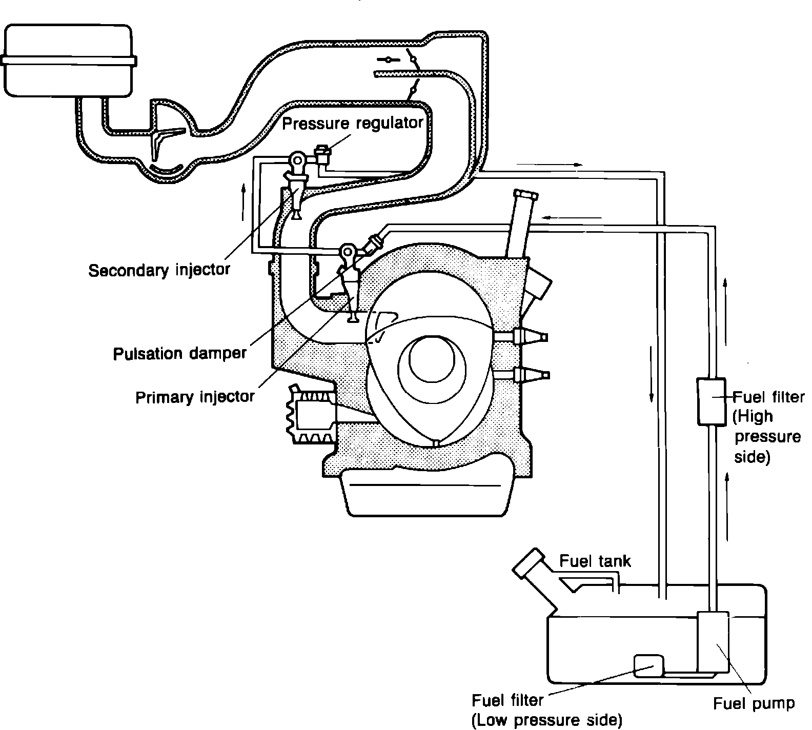
Computers and Control Systems: Description and Operation

Fig. 2 Electronic Gas Injection (EGI) system schematic. Non-turbocharged:






This system, Electronic Gas Injection (EGI) system, Fig. 2, is used on some RX-7 models and consists of a 3 stage, 6 port variable intake port system, an electric fuel pump, an air flow meter, a pressure regulator, solenoid operated injectors and a control unit and sensors.
The control unit monitors the various sensors and then determines the amount of time the injectors are opened.