Operation CHARM: Car repair manuals for everyone.
Manuals through 2025 now available!

Our trusted friends have launched a new website named LEMON, which has newer manuals. It also contains all the CHARM manuals.

LEMON is the spiritual successor to CHARM, I recommend you try it!

Link: lemon-manuals.la or lemon-manuals.org.ua

(Some people have issue connecting. LEMON is investigating. For now, use Firefox or change your DNS server)

Or, hide this message: temporarily or permanently

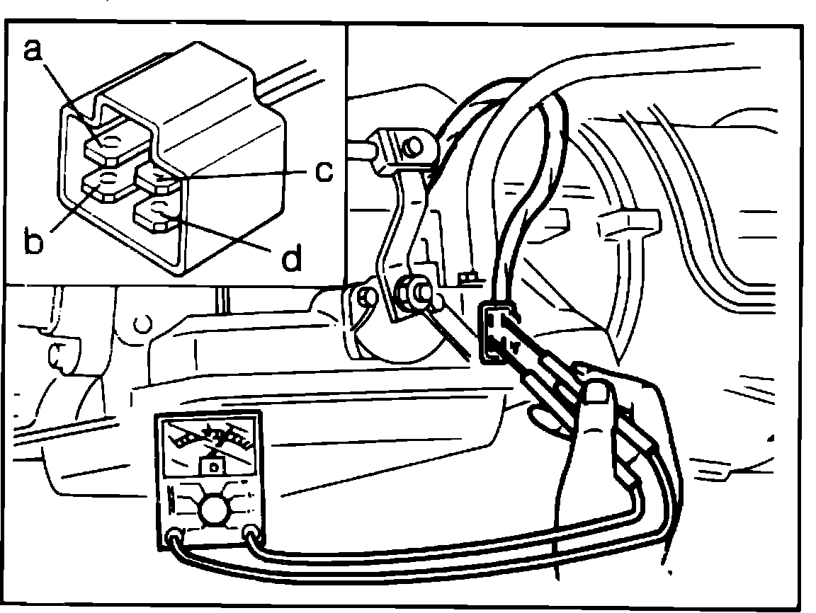
Neutral Safety Switch: Testing and Inspection

Fig. 29 Inhibitor switch terminal identification.:







1. Disconnect electrical connector at inhibitor switch.
2. Connect circuit tester to switch terminals C and D, Fig. 29.
3. Check continuity. There should be continuity in Park and Neutral and no continuity in all other positions. If continuity is not as described, adjust or replace switch as necessary.