Operation CHARM: Car repair manuals for everyone.
Manuals through 2025 now available!

Our trusted friends have launched a new website named LEMON, which has newer manuals. It also contains all the CHARM manuals.

LEMON is the spiritual successor to CHARM, I recommend you try it!

Link: lemon-manuals.la or lemon-manuals.org.ua

(Some people have issue connecting. LEMON is investigating. For now, use Firefox or change your DNS server)

Or, hide this message: temporarily or permanently

Heater Core: Service and Repair

HEATER CORE R&R


Fig. 15 Heater core & related components. 323:






1. Disconnect battery ground cable.
2. Drain cooling system.
3. Disconnect heater hoses from core tubes.
4. Remove instrument panel (see below).
5. Remove floor covering under heater unit.
6. Unplug electrical connectors and remove clamps.
7. Remove heater unit mounting bolts and bracket.
8. Remove heater unit assembly from beneath dash.

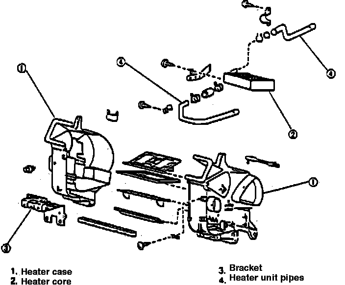
Fig. 5 Exploded View Of Heater Unit.:






9. Separate unit halves and remove core. Reverse procedure to install.


INSTRUMENT PANEL R&R

Fig. 15 Exploded View Of I/P:






1. Disconnect battery ground cable.
2. Remove steering wheel, column cover and combination switch.
3. Remove attaching screws and meter hood.
4. Remove attaching screws, disconnect connectors and speedometer cable, and remove cluster.
5. Remove attaching screws and side wall on both sides. Remove rear console. Remove front console by sliding it rearward. Disconnect antenna cable.
6. Remove fasteners and remove undercover on both sides.
7. Remove screws and lower panel.
8. Remove screws and remove lower louver and reinforcement. Remove hood release wire.
9. Remove center and side hole covers and bolts.
10. Remove side cover on both sides and remove bolts.
11. Remove glove box and center bracket attaching bolts.
12. Remove side bracket attaching bolt on both sides.
13. Remove ashtray. Then remove screws and center panel. Disconnect cigarette lighter and remove bulb assembly.
14. Remove heater control wires.
15. Remove screws and lower cover.
16. Remove instrument panel support bracket attaching bolts. Disconnect instrument panel connectors and remove instrument panel.
17. Reverse procedure to install, using the following torque values:

^ Top Center Attaching Bolts: 3.1 - 4.6 ftlb
^ Lower Side Attaching Bolts: 5.8 - 8.0 ftlb
^ Remaining Attaching Bolts: 6.5 - 9.4 ftlb