Operation CHARM: Car repair manuals for everyone.
Manuals through 2025 now available!

Our trusted friends have launched a new website named LEMON, which has newer manuals. It also contains all the CHARM manuals.

LEMON is the spiritual successor to CHARM, I recommend you try it!

Link: lemon-manuals.la or lemon-manuals.org.ua

(Some people have issue connecting. LEMON is investigating. For now, use Firefox or change your DNS server)

Or, hide this message: temporarily or permanently

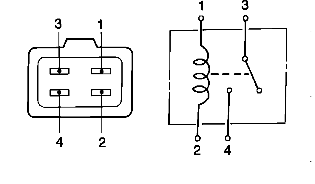
EFE Relay: Testing and Inspection

Fig. 11 PTC Heater Relay.:




Fig. 10 PTC Heater Relay Terminals.:





1. Apply battery power (12V), positive to terminal 1 and negative to terminal 2 Fig. 10.


Fig. 12 PTC Continuity Chart.:





1. Confirm that there is continuity at terminals 3 and 4 by using an ohmmeter Fig. 12.