Operation CHARM: Car repair manuals for everyone.
Manuals through 2025 now available!

Our trusted friends have launched a new website named LEMON, which has newer manuals. It also contains all the CHARM manuals.

LEMON is the spiritual successor to CHARM, I recommend you try it!

Link: lemon-manuals.la or lemon-manuals.org.ua

(Some people have issue connecting. LEMON is investigating. For now, use Firefox or change your DNS server)

Or, hide this message: temporarily or permanently

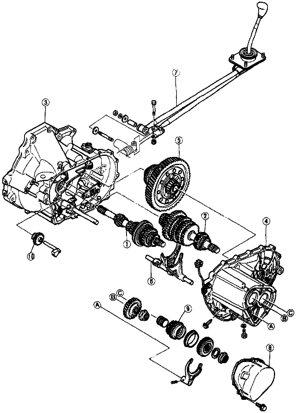
Manual Transmission/Transaxle





1. Primary Shaft Gear Assembly
2. Secondary Shaft Gear Assembly
3. Clutch Housing
4. Transaxle Case Assembly
5. Ring Gear And Differential Assembly
6. Shaft Fork And Shaft Rod Assembly
7. Transmission Control Assembly
8. Rear Cover (5-speed Only)
9. 5th Gear
10. Reverse Idle Gear