Operation CHARM: Car repair manuals for everyone.
Manuals through 2025 now available!

Our trusted friends have launched a new website named LEMON, which has newer manuals. It also contains all the CHARM manuals.

LEMON is the spiritual successor to CHARM, I recommend you try it!

Link: lemon-manuals.la or lemon-manuals.org.ua

(Some people have issue connecting. LEMON is investigating. For now, use Firefox or change your DNS server)

Or, hide this message: temporarily or permanently

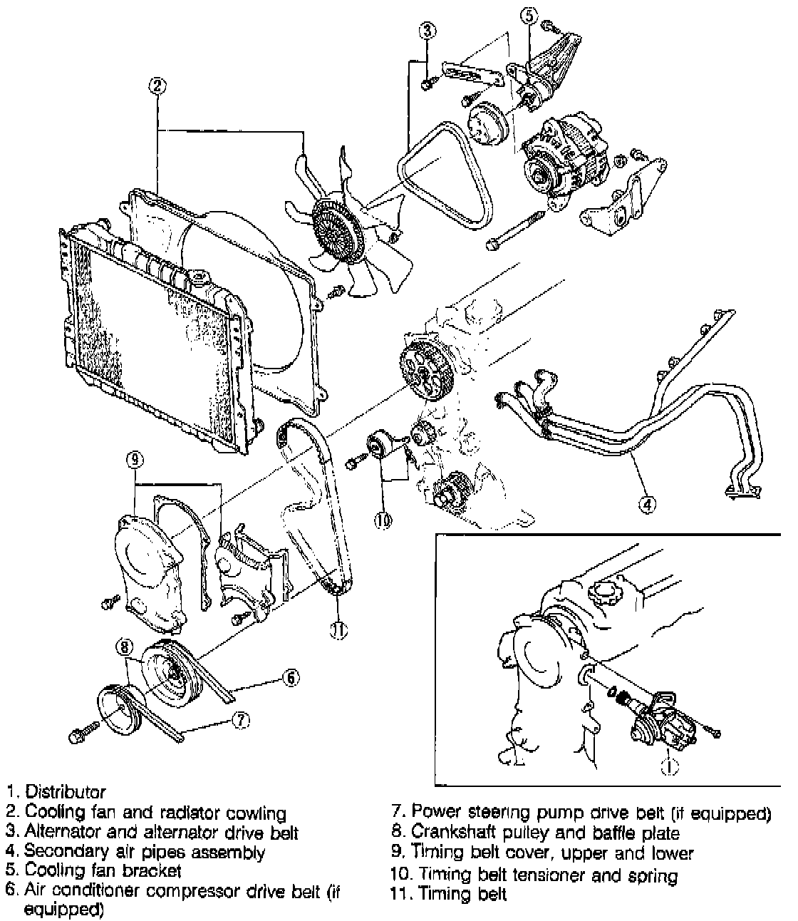
Timing Belt: Service and Repair






1. Disconnect battery ground cable.
2. Drain engine coolant, then remove cooling fan and radiator cowling.
3. Remove high tension leads, spark plugs, distributor, then the alternator and alternator drive belt.
4. Remove secondary air pipe assembly, then the cooling fan bracket.
5. Remove A/C compressor and power steering drive belts, if equipped.
6. Remove crankshaft pulley and baffle plate.
7. Remove upper and lower timing belt cover.


Fig. 25:






8. Turn crankshaft to align ``A'' mark of camshaft pulley with front housing timing mark, Fig. 25.
9. Mark a direction arrow on the timing belt to ensure correct position during installation.
10. Remove tensioner lock bolt, then the tensioner, spring and timing belt.
11. Inspect timing belt, timing belt tensioner and spring, timing belt pulley and camshaft pulley. Replace defective parts as required.


Fig. 27 Aligning timing belt pulley:






12. Align timing mark on timing belt pulley with matching mark on case, Fig. 27.


Fig. 25:






13. Ensure that ``A'' mark of camshaft pulley is aligned with front housing timing mark, Fig. 25.
14. Install timing belt tensioner and spring, then temporarily secure tensioner in fully extended position.
15. Install timing belt onto crankshaft pulley and the camshaft pulley from the tension side (the right side as viewed from the front of the engine) so tension is retained. Ensure to install timing belt in same direction as removed.
16. Loosen tensioner lock bolt so tension spring applies tension.
17. Turn crankshaft twice in direction of rotation. This will apply equal tension to each side of the timing belt, then align matching marks.
18. If marks are not correctly aligned, repeat steps 12 through 17.
19. Torque timing belt tensioner lock bolt to 28-38 ft.lbs. (37-52 N-m).



Fig. 22 Timing belt deflection check:






20. Measure the timing belt deflection midway between the crankshaft pulley and the camshaft pulley, Fig. 22. If deflection is not 0.43-0.51 inch (11-13 mm), repeat steps 16 through 19.
21. Install lower and upper timing belt cover. Torque cover attaching bolts to 61-86 inch lbs. (7-10 N-m).
22. Install crankshaft pulley and baffle plate. Torque pulley attaching bolts to 9-13 ft.lbs. (13-17 N-m).
23. Install cooling fan bracket. Torque bracket attaching bolts to 27-46 ft.lbs. (37-63 N-m).
24. Install coolant bypass pipe, cooling fan pulley, cooling fan, radiator cowling, alternator and alternator drive belt.
25. Install A/C compressor and power steering pump drive belt, as required.







Adjust drive belt deflection. To check the drive belt tension, apply moderate pressure (98 N, 10 kg, 22 lb) between the pulleys as shown in the figure.

DRIVE BELT DEFLECTION mm (in)
Alternator
New 7-8 (0.28-0.31)
Used 8-9 (0.31-0.35)

A/C Compressor
New 10-12 (0.39-0.47)
Used 12-14 (0.47-0.55)

Power Steering Oil Pump
New 8-10 (0.31-0.39)
Used 11-13 (0.43-0.51)

26. Install secondary air pipe assembly, then the distributor in front housing.
27. Install the distributor in the front housing.
(a) Apply engine oil to the O-ring of the distributor.
(b) Turn the crankshaft until the No.1 piston is TDC of compression.
(c) Lubricate the driven gear of the distributor.
(d) Match the distributor housing and drive gear matching marks, and install the distributor into the front housing with the marks facing straight up.
(e) Loosely tighten the distributor installing bolt.
28. Install spark plugs and connect high tension leads.
29. Reconnect ground and refill radiator with suitable coolant.
30. Perform necessary timing adjustments.