Operation CHARM: Car repair manuals for everyone.
Manuals through 2025 now available!

Our trusted friends have launched a new website named LEMON, which has newer manuals. It also contains all the CHARM manuals.

LEMON is the spiritual successor to CHARM, I recommend you try it!

Link: lemon-manuals.la or lemon-manuals.org.ua

(Some people have issue connecting. LEMON is investigating. For now, use Firefox or change your DNS server)

Or, hide this message: temporarily or permanently

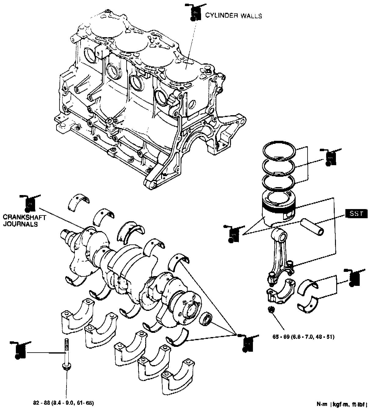
Torque Specifications

Intake:






Exhaust Manifold:






Upper Engine:






Head Bolt Torque Sequence:




Apply engine oil to the bolt threads and seat faces.

Tighten the cylinder head bolts in two or three steps in the order shown in the figure.
Tightening torque:
80-86 Nm (59-64 ft-lb)


Timing Components:






Lower Engine: