Operation CHARM: Car repair manuals for everyone.
Manuals through 2025 now available!

Our trusted friends have launched a new website named LEMON, which has newer manuals. It also contains all the CHARM manuals.

LEMON is the spiritual successor to CHARM, I recommend you try it!

Link: lemon-manuals.la or lemon-manuals.org.ua

(Some people have issue connecting. LEMON is investigating. For now, use Firefox or change your DNS server)

Or, hide this message: temporarily or permanently

Engine Disassembly

Fig. 5 Cylinder head bolt loosening sequence. 1988 SOHC engine:





c. When removing the cylinder head assembly, loosen the cylinder head attaching bolts in sequence shown in Fig. 5.




1. Remove engine oil dipstick, exhaust manifold insulator, turbocharger air hose and bracket, exhaust manifold and turbocharger. Cover intake and exhaust ports and oil passage of turbocharger to prevent entry of dirt or other contaminants.
2. Place engine on suitable workstand proceed as follows:
a. Remove exhaust manifold gasket.
b. Remove A/C compressor and power steering pump brackets.
c. Remove coolant bypass pipe and hose.
d. Remove air bypass valve and hoses.
e. Disconnect hose at air intake pipe and remove pipe.
f. Remove surge tank bracket, then the intake manifold assembly.
g. Remove oil filter and oil cooler, then the oil pressure switch and knock sensor.
h. Remove distributor together with spark plug wires.
i. Remove alternator and drive belt.
j. Remove thermostat cover and thermostat.



Fig. 8 Exploded view of front engine components. DOHC engine:





3. Refer to Fig. 8 and remove components indicated from front of engine, noting the following:
a. When removing timing belt, remove tensioner spring after loosening tensioner lock bolt.
b. Mark direction of rotation on timing belt. Use a piece of chalk to place direction mark on timing belt. Do not use a pencil or pen to place mark on belt.
c. Remove timing belt.
d. When removing crankshaft and timing belt pulleys, place ring gear brake tool 49E301060 or equivalent onto flywheel. Remove crankshaft and timing belt pulleys.



Fig. 9 Exploded view of cylinder head & components. DOHC engine:





4. Refer to Fig. 9 and remove components indicated from cylinder head and note the following:
a. When removing camshaft pulleys, counter hold camshaft with suitable wrench.
b. When removing hydraulic lash adjusters, mark them so that they can be installed in the same position from which they were removed.



Fig. 10 Cylinder head bolt loosening sequence. DOHC engine:





c. When removing cylinder head assembly, loosen cylinder head attaching bolts gradually in order shown, Fig. 10.
d. When removing valves from cylinder head, use valve spring lifter and pivot tools 490636100A and 49B012006 or equivalents to remove valves.



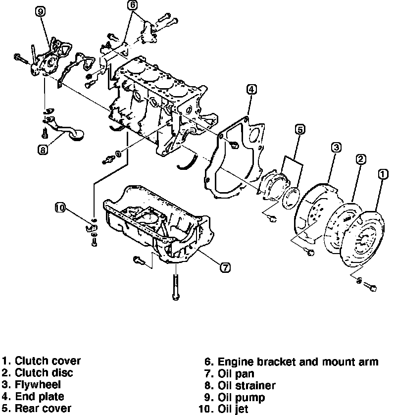
Fig. 11 Exploded view of oil pump, oil pan, clutch cover & flywheel. DOHC engine:





5. Refer to Fig. 11 and remove components indicated from the engine block, noting the following:
a. When removing the clutch cover and flywheel, install ring gear brake tool 49E301060 or equivalent onto flywheel.



Fig. 12 Removing oil pan. DOHC engine:





b. Remove oil pan by prying only at points shown, Fig. 12. Do not force a pry tool between block and pan to prevent damaging contact surfaces. Do not damage or scratch contact surface when removing oil sealant.
c. To remove flywheel pilot bearing, use suitable pipe and punch out toward crankshaft side.



Fig. 13 Exploded view of crankshaft & piston assembly. DOHC engine:





6. Refer to Fig. 13 and remove components indicated from engine block.