Operation CHARM: Car repair manuals for everyone.
Manuals through 2025 now available!

Our trusted friends have launched a new website named LEMON, which has newer manuals. It also contains all the CHARM manuals.

LEMON is the spiritual successor to CHARM, I recommend you try it!

Link: lemon-manuals.la or lemon-manuals.org.ua

(Some people have issue connecting. LEMON is investigating. For now, use Firefox or change your DNS server)

Or, hide this message: temporarily or permanently

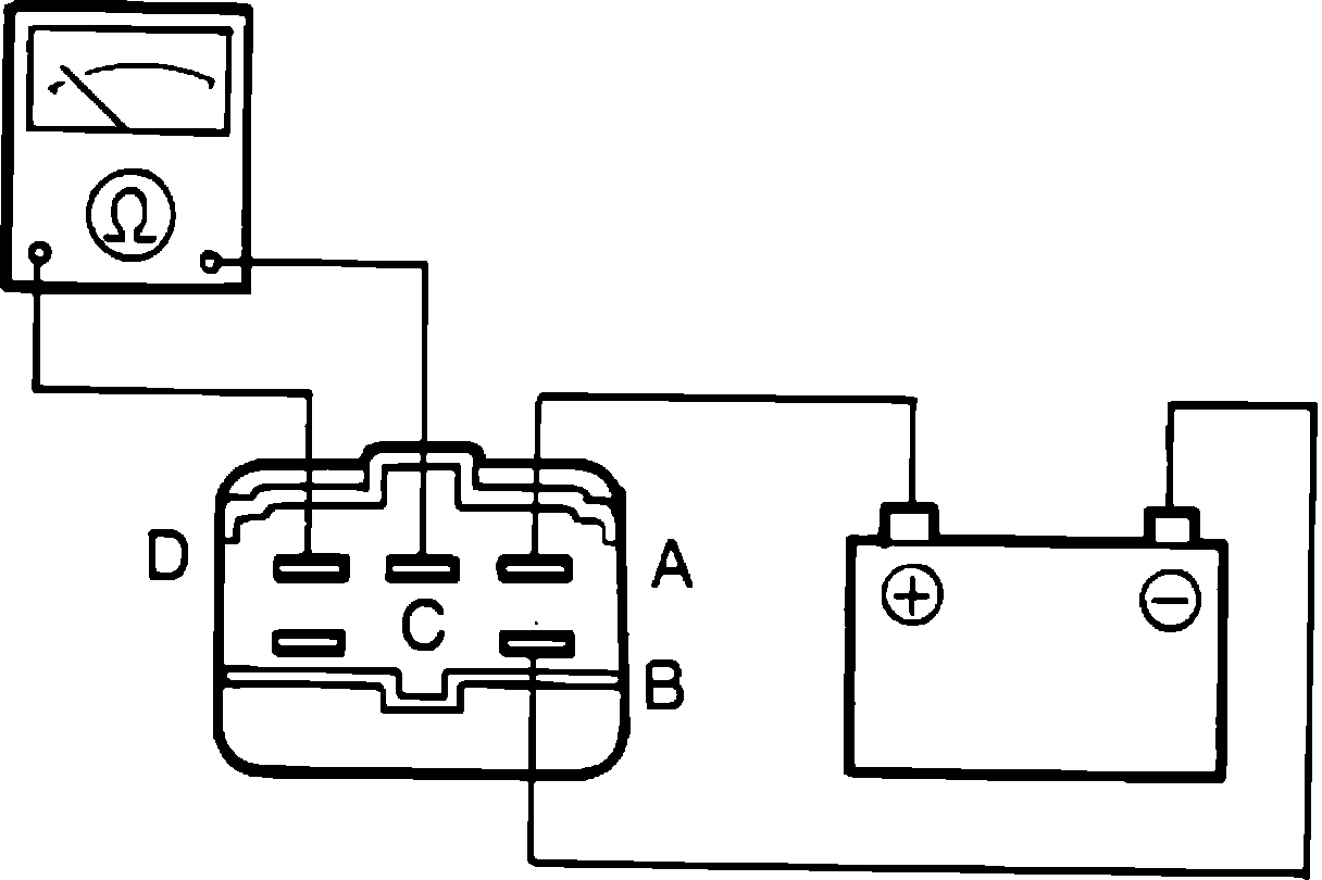
Oxygen Sensor Relay: Testing and Inspection

Fig. 73 Testing oxygen sensor relay.:







1. Check for clicking noise at oxygen sensor relay when turning ignition switch on and off.
2. Apply 12 volts and a ground to relay terminals A and B, Fig. 73.
3. Using ohmmeter check for continuity. There should be no continuity between terminals C and D when voltage is not applied and there should be continuity when 12 volts is applied