Operation CHARM: Car repair manuals for everyone.
Manuals through 2025 now available!

Our trusted friends have launched a new website named LEMON, which has newer manuals. It also contains all the CHARM manuals.

LEMON is the spiritual successor to CHARM, I recommend you try it!

Link: lemon-manuals.la or lemon-manuals.org.ua

(Some people have issue connecting. LEMON is investigating. For now, use Firefox or change your DNS server)

Or, hide this message: temporarily or permanently

Distributor: Service and Repair

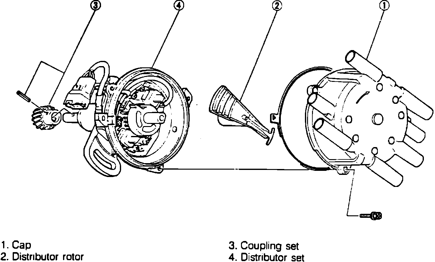
Fig. 9 Disassembled view of breakerless type distributor.:






REMOVAL

1. Turn crankshaft to align No. 1 cylinder at TDC.
2. Disconnect distributor connector and high tension leads.
3. Remove lock bolt, then distributor.

INSTALLATION

1. Ensure crankshaft pulley No. 1 cylinder TDC is aligned (yellow mark).
2. Apply engine oil to O-ring and driven gear.
3. Align matching marks on distributor housing and driven gear.
4. Install distributor and connect high tension leads and distributor connector.
5. Torque lock bolt to 14 - 18 ft lb.
6. Adjust ignition timing.