Operation CHARM: Car repair manuals for everyone.
Manuals through 2025 now available!

Our trusted friends have launched a new website named LEMON, which has newer manuals. It also contains all the CHARM manuals.

LEMON is the spiritual successor to CHARM, I recommend you try it!

Link: lemon-manuals.la or lemon-manuals.org.ua

(Some people have issue connecting. LEMON is investigating. For now, use Firefox or change your DNS server)

Or, hide this message: temporarily or permanently

Disassembly/Assembly

Fig. 50 Auxiliary Engine Components Replacement:





Fig. 53 Timing Belt Replacement:





Fig. 55 Timing Mark Alignment:






1. Remove auxiliary components from engine in numbered sequence, Fig. 50. Place engine on suitable engine stand.
2. Remove timing belt in numbered sequence, Fig. 53 noting the following:
a. Align timing marks before removing timing belt, Fig. 55.
b. Mark direction of rotation on timing belt.
c. Place ring gear brake tool No. 49E301060 or equivalent on to flywheel, then remove crankshaft pulley and timing belt pulley.

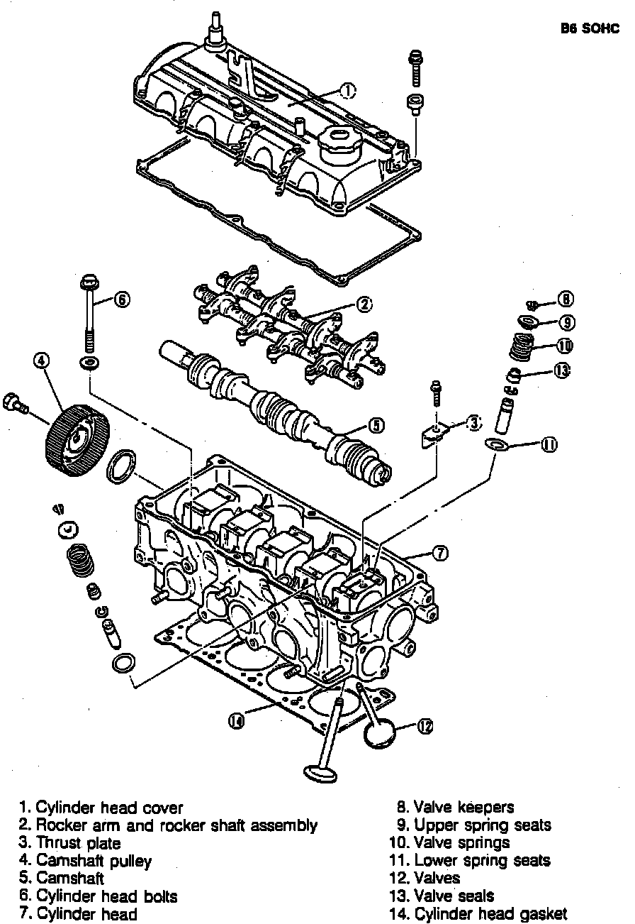
Fig. 56 Cylinder Head Disassembly:





Fig. 59 Rocker Shaft Bolt Loosening Sequence:





Fig. 60 Cylinder Head Bolt Loosening Sequence:





Fig. 63 Cylinder Head Warpage Inspection:





Fig. 64 Manifold Contact Surface Distortion Inspection:





Fig. 65 Valve Seat Angles:





3. Remove and disassemble cylinder head in numbered sequence, Fig. 56, noting the following:
a. Loosen rocker arm shaft bolts gradually in sequence shown in Fig. 59.
b. Do not remove lash adjuster unless necessary, oil leakage will occur if O-ring is damaged.
c. To remove camshaft pulley, hold camshaft on cast hexagon nut, then remove lock bolt and pulley.
d. Loosen cylinder head bolts in three steps in sequence shown in Fig. 60.
e. On 8 valve cylinder head, using valve spring lifter and pivot tools No. 49S120222 and 490636100A or equivalents, remove valves from cylinder head.
f. On 16 valve cylinder head, using valve spring lifter and pivot tools No. 49B012006 and 490636100A or equivalents, remove valves from cylinder head.
g. Using valve seal remover No. 49S120170 or equivalent, remove valve seal.
h. Measure cylinder head for distortion on the lower mating surfaces along the areas indicated in Fig. 63. If cylinder head distortion exceeds specification, grind or replace cylinder head.
i. Before grinding cylinder head, check sinking of valve seat, camshaft oil clearance and endplay. Also check distortion of manifold contact surface, Fig. 64. Manifold contact surface distortion should not .006 inch.
j. Inspect contact surfaces of the valve seat and valve face for excessive roughness and/or damage. If necessary, cut valve seat using a suitable valve seat cutter or grinder of 15, 35, 45, 70 and 75 degrees, Fig. 65.

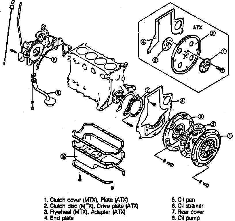
Fig. 66 Cylinder Block External Components Replacement:





Fig. 68 Clutch Cover Loosening Sequence:





4. Remove cylinder block external components in numbered sequence, Fig. 66 noting the following:
a. On models equipped with manual transaxle, remove clutch cover in three steps in sequence shown in Fig. 68.
b. On all models, when removing front and rear oil seals, protect tool with shop towel.

Fig. 69 Cylinder Block Internal Components Replacement:





Fig. 73 Cylinder Head Warpage Inspection:





Fig. 74 Cylinder Bore Diameter Inspection:





5. Disassemble cylinder block internal components in numbered sequence, Fig. 69, noting the following:
a. Before removing connecting rod caps, measure connecting rod side clearance.
b. Before removing connecting rods, measure connecting rod oil clearance.
c. Remove Plastigage from crankpin journals. Do not scratch crankshaft journal or cylinder wall.
d. Remove piston and connecting rod assembly through top of cylinder block.
e. Ensure connecting rod moves freely within piston. Large end of connecting rod must drop by its own weight when holding piston horizontally. If not as specified, replace piston or piston pin.
f. On all models, using suitable press, remove piston pin.
g. Before removing main bearing caps, measure crankshaft endplay.
h. On all models, before removing crankshaft, measure main bearing oil clearances.
i. Measure cylinder block top surface distortion (warpage) in six directions as shown in Fig. 73. Distortion limit should be .006 inch.
j. Measure cylinder diameter at six locations indicated in Fig. 74.
k. Measure outer diameter of each piston and ensure clearance between piston and cylinder is correct.