Operation CHARM: Car repair manuals for everyone.
Manuals through 2025 now available!

Our trusted friends have launched a new website named LEMON, which has newer manuals. It also contains all the CHARM manuals.

LEMON is the spiritual successor to CHARM, I recommend you try it!

Link: lemon-manuals.la or lemon-manuals.org.ua

(Some people have issue connecting. LEMON is investigating. For now, use Firefox or change your DNS server)

Or, hide this message: temporarily or permanently

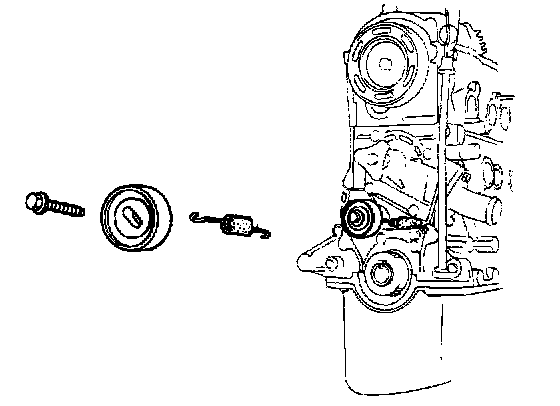
Timing Belt: Service and Repair






REMOVAL

1. Disconnect the battery negative cable.

2. Remove the parts in the numbered sequence shown in the figure.

NOTE:
^ Remove the No.3 engine mount installation nuts and lower the engine to remove A/C and P/S pulley and the crankshaft pulley.





Before removing the timing belt, do the following:
1. Turn the crankshaft to align the matching mark of the camshaft pulley with the cylinder head and the cylinder head cover timing mark.





2. Mark the direction of rotation on the timing belt.

NOTE:
^ The direction arrow is so the belt can be reinstalled in the same direction.

3. Remove the timing belt.

CAUTION:
^ Do not allow any oil or grease on the timing belt.





INSPECTION

Inspect the following parts:
1. Timing belt
2. Timing belt tensioner and spring
3. Timing belt pulley
4. Camshaft pulley





INSTALLATION

1. Be sure that the timing mark on the timing belt pulley is aligned with the matching mark.





2. Be sure that the matching mark on the camshaft pulley is aligned with the cylinder head cover matching mark. If it is not aligned, turn the camshaft to align.





3. Install the timing belt tensioner and spring. Temporarily secure it so the spring is fully extended.





4. Install the timing belt.

CAUTION:
^ The timing belt must be reinstalled in the same direction of previous rotation if it is reused.
^ Be sure that there is no oil, grease, or dirt on the timing belt.





NOTE:
^ Remove all spark plugs for easier rotation.

5. Turn the crankshaft twice in the direction of rotation. (Clockwise)

6. Check that the timing marks are correctly aligned. If not repeat the above-mentioned procedure.

7. Loosen the tensioner lock bolt and apply tension to the belt.





8. Tighten the timing belt tensioner to specification.

Tightening torque:
19-26 N-m (1.9-2.6 rn-kg, 14-19 ft-lb)


9. Turn the crankshaft twice in the direction of rotation and check the matching marks for alignment





10. Measure the tension between the crankshaft pulley and the camshaft pulley.If the timing belt tension is not correct, temporarily secure tensioner lock bolt so the spring is fully extended and repeat steps 5-9 above or replace the tensioner spring.

Timing belt deflection:
12-13 mm (0.47-0.51 in) /98 N (10 kg, 22 lb)


CAUTION:
^ Be sure not to apply tension other than that of the tensioner spring.





11. Install the lower and upper timing belt cover.

Tightening torque:
8-11 N-m (0.8-1.1 m-kg, 69-95 in-lb)


12. Install the spark plugs.

Tightening torque:
15-23 N-m (1.5-2.3 m-kg, 11-17 ft-lb)






13. Install the baffle plate and the crankshaft pulley.

Tightening torque:
12-17 N-m (1.25-1.75 m-kg, 109-152 in-lb)


14. Install the No.3 engine mount bracket.

Tightening torque:
60-85 N-m (6.1-8.7 m-kg, 44-63 ft-lb)


15. Install the drive belt and adjust the belt tension.

16. Install the engine side cover.

17. Connect the battery negative cable.