Operation CHARM: Car repair manuals for everyone.
Manuals through 2025 now available!

Our trusted friends have launched a new website named LEMON, which has newer manuals. It also contains all the CHARM manuals.

LEMON is the spiritual successor to CHARM, I recommend you try it!

Link: lemon-manuals.la or lemon-manuals.org.ua

(Some people have issue connecting. LEMON is investigating. For now, use Firefox or change your DNS server)

Or, hide this message: temporarily or permanently

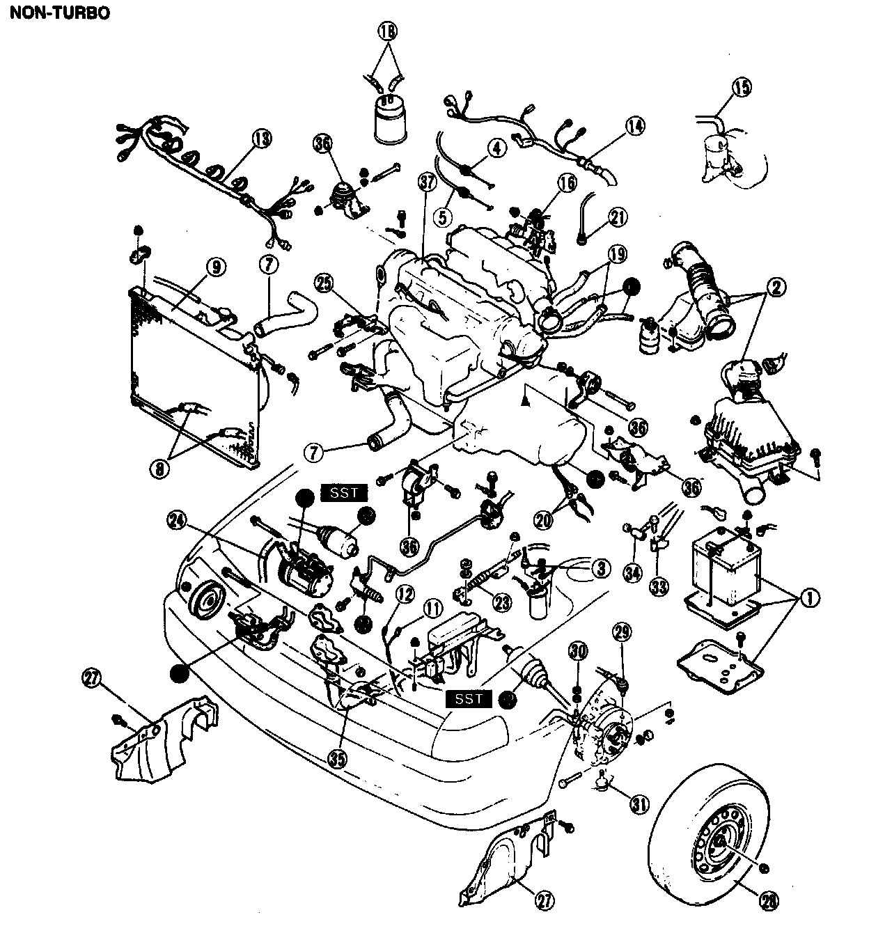
Engine





1. Battery and battery carrier
2. Air-cleaner assembly
3. High-tension lead
4. Accelerator cable
5. Throttle cable (ATX)
6. Fuel hose
7. Radiator hose
8. ATF hose (ATX)
9. Radiator and cooling fan
11. Heat gauge unit connector
12. Water thermo switch connector
13. EGI harness
14. Engine harness
15. Brake vacuum hose
16. Three-way solenoid assembly
18. Canister hose
19. Heater hose
20. Transaxle harness
21. Speedometer cable
22. Clutch release cylinder (MTX)
23. Control cable (ATX)
24. Drive belt
25. A/C compressor and bracket
26. P/S oil pump
27. Engine side cover
28. Front wheel
29. Tie-rod end
30. Stabilizer control rod
31. Lower arm bushing
32. Driveshaft
33. Change rod (MTX)
34. Extension bar (MTX)
35. Exhaust pipe
36. Engine mount
37. Engine and transaxle
38. Transaxle