Operation CHARM: Car repair manuals for everyone.
Manuals through 2025 now available!

Our trusted friends have launched a new website named LEMON, which has newer manuals. It also contains all the CHARM manuals.

LEMON is the spiritual successor to CHARM, I recommend you try it!

Link: lemon-manuals.la or lemon-manuals.org.ua

(Some people have issue connecting. LEMON is investigating. For now, use Firefox or change your DNS server)

Or, hide this message: temporarily or permanently

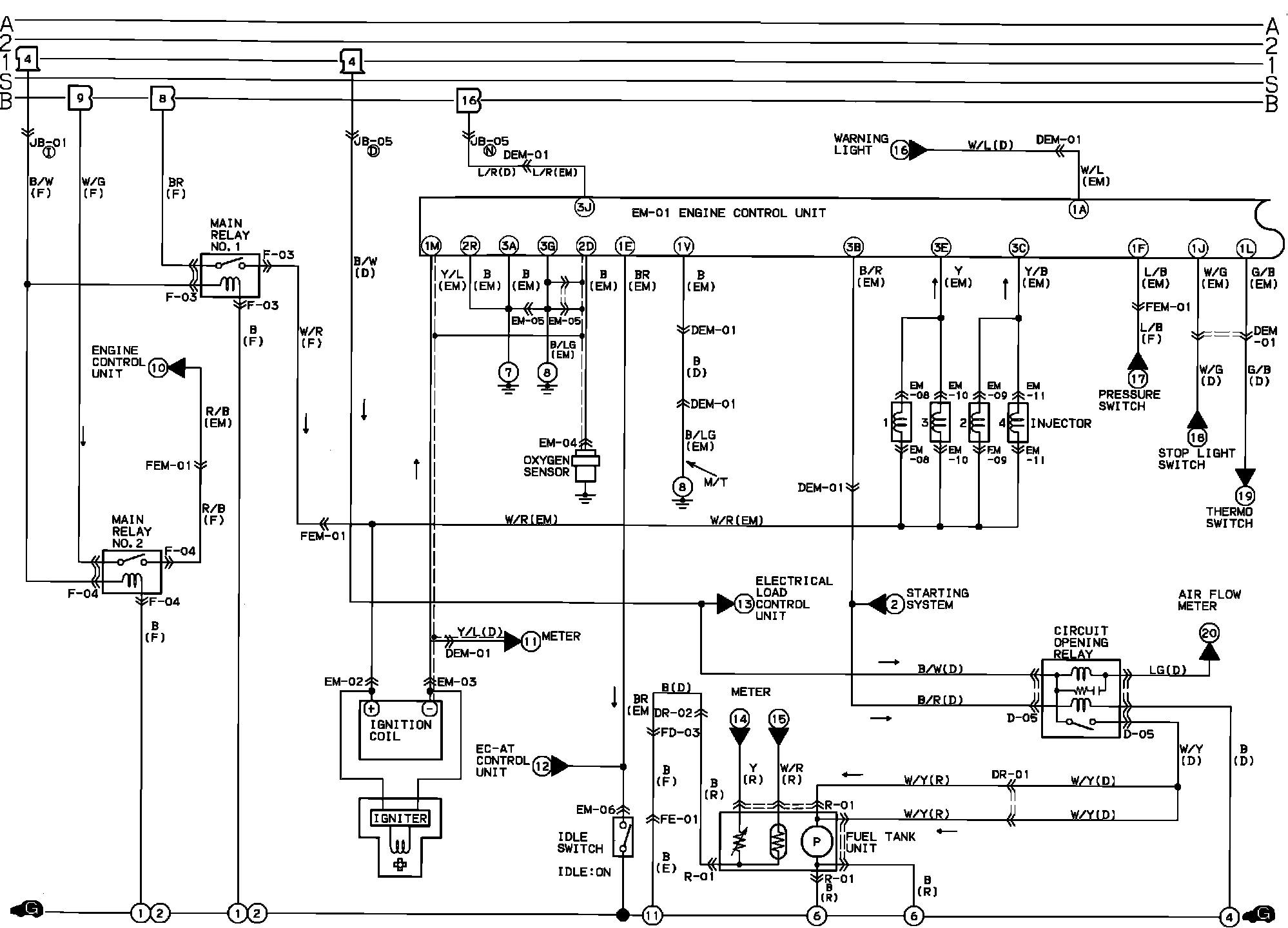
Electric Load Sensor: Locations












Fuel Tank Sending Unit, Fuel Injection & Ignition System. Non Turbo:






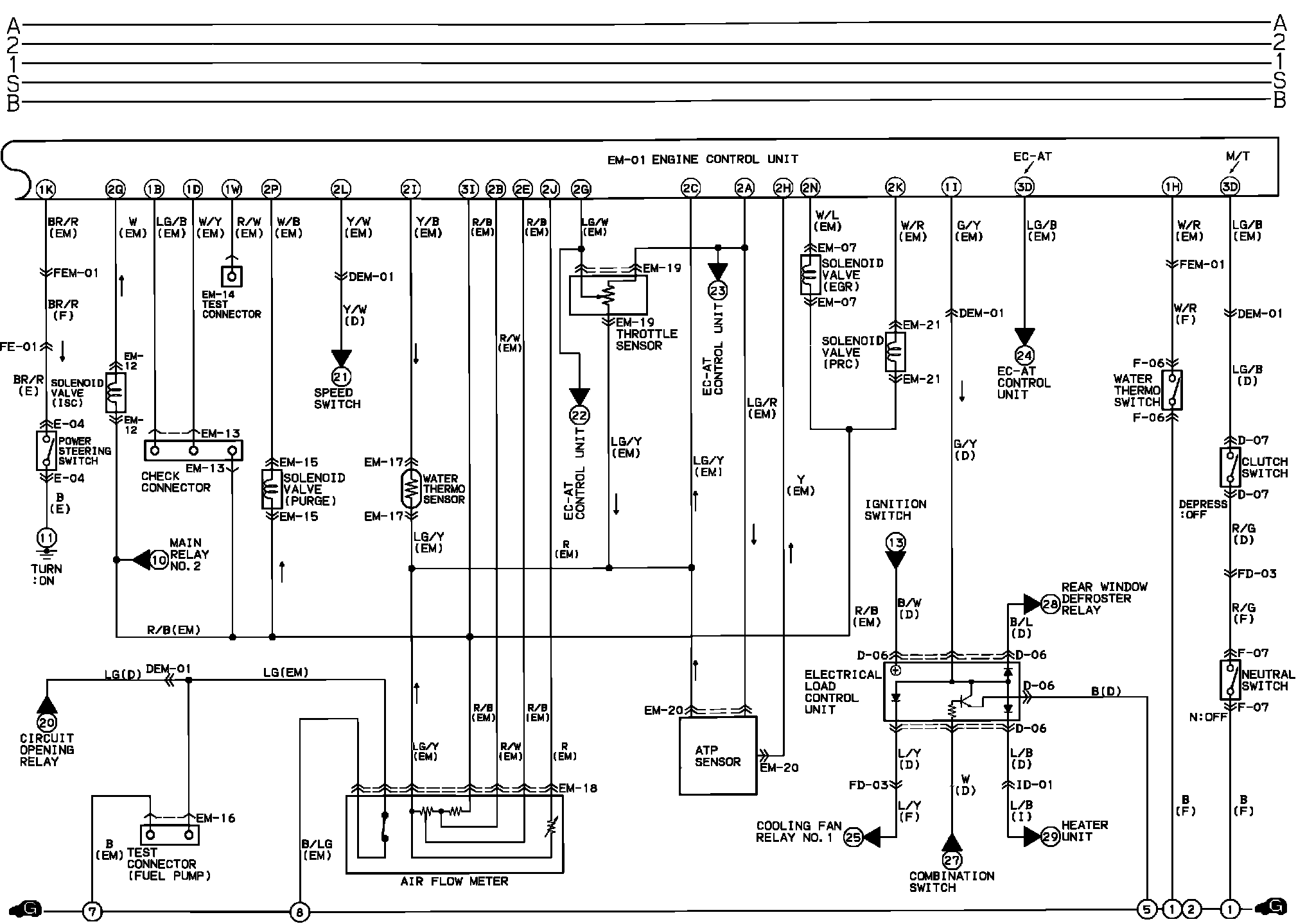
Fuel Injection System. Non Turbo:






Center Of Dash
Applicable to: Non-Turbocharged Engine