Operation CHARM: Car repair manuals for everyone.
Manuals through 2025 now available!

Our trusted friends have launched a new website named LEMON, which has newer manuals. It also contains all the CHARM manuals.

LEMON is the spiritual successor to CHARM, I recommend you try it!

Link: lemon-manuals.la or lemon-manuals.org.ua

(Some people have issue connecting. LEMON is investigating. For now, use Firefox or change your DNS server)

Or, hide this message: temporarily or permanently

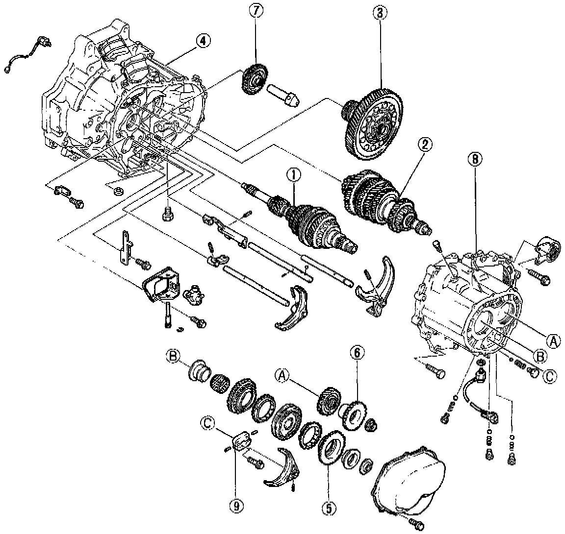
Manual Transmission/Transaxle

H-Type Transaxle:





1. Primary Shaft Gear Assembly
2. Secondary Shaft Gear Assembly
3. Differential Assembly
4. Clutch Housing
5. Primary Reverse Synchronizer Gear
6. Secondary Reverse Synchronizer Gear
7. Reverse Idle Gear
8. Transaxle Case
9. Interlock Plate