Operation CHARM: Car repair manuals for everyone.
Manuals through 2025 now available!

Our trusted friends have launched a new website named LEMON, which has newer manuals. It also contains all the CHARM manuals.

LEMON is the spiritual successor to CHARM, I recommend you try it!

Link: lemon-manuals.la or lemon-manuals.org.ua

(Some people have issue connecting. LEMON is investigating. For now, use Firefox or change your DNS server)

Or, hide this message: temporarily or permanently

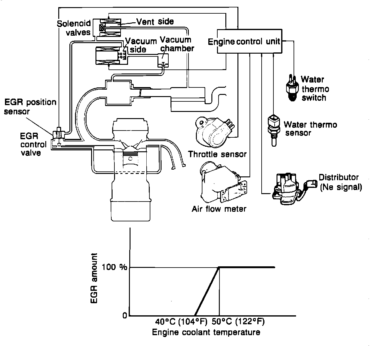
EGR Valve Position Sensor: Description and Operation

Exhaust Gas Recirculation System (EGR):





The EGR system introduces exhaust gases into the intake manifold to reduce the production of NOx. It operates depending on the throttle valve opening, driving condition, engine coolant temperature (above 40°C [104°F]), and radiator coolant temperature (above 17°C [63°F]).
The EGR system consists of the following components: Air flow meter, EGR control valve, EGR position valve, engine control unit, Ne and rotor pick-up, EGR solenoid valve, throttle sensor, vacuum reserve chamber, engine coolant temperature sensor, and radiator coolant temperature sensor.

EGR CONTROL VALVE

The EGR control valve recirculates a portion of the exhaust gases.

EGR POSITION SENSOR

The EGR position sensor detects the EGR control valve lift amount and sends a signal to the control unit. The main component in the sensor is a variable resistor.


ENGINE CONTROL UNIT

The engine control unit detects signals from input sensors and switches and controls the EGR solenoid valves (vent or vacuum side).

EGR SOLENOID VALVE

The EGR solenoid valve controls the vacuum signal to the EGR control valve. The vent side controls the vent line and the vacuum side controls the vacuum side.

VACUUM STORAGE CHAMBER

The vacuum storage chamber stores a vacuum supply for use under turbo boost conditions. The chamber utilizes an integrated check valve to prevent vacuum loss.