Operation CHARM: Car repair manuals for everyone.
Manuals through 2025 now available!

Our trusted friends have launched a new website named LEMON, which has newer manuals. It also contains all the CHARM manuals.

LEMON is the spiritual successor to CHARM, I recommend you try it!

Link: lemon-manuals.la or lemon-manuals.org.ua

(Some people have issue connecting. LEMON is investigating. For now, use Firefox or change your DNS server)

Or, hide this message: temporarily or permanently

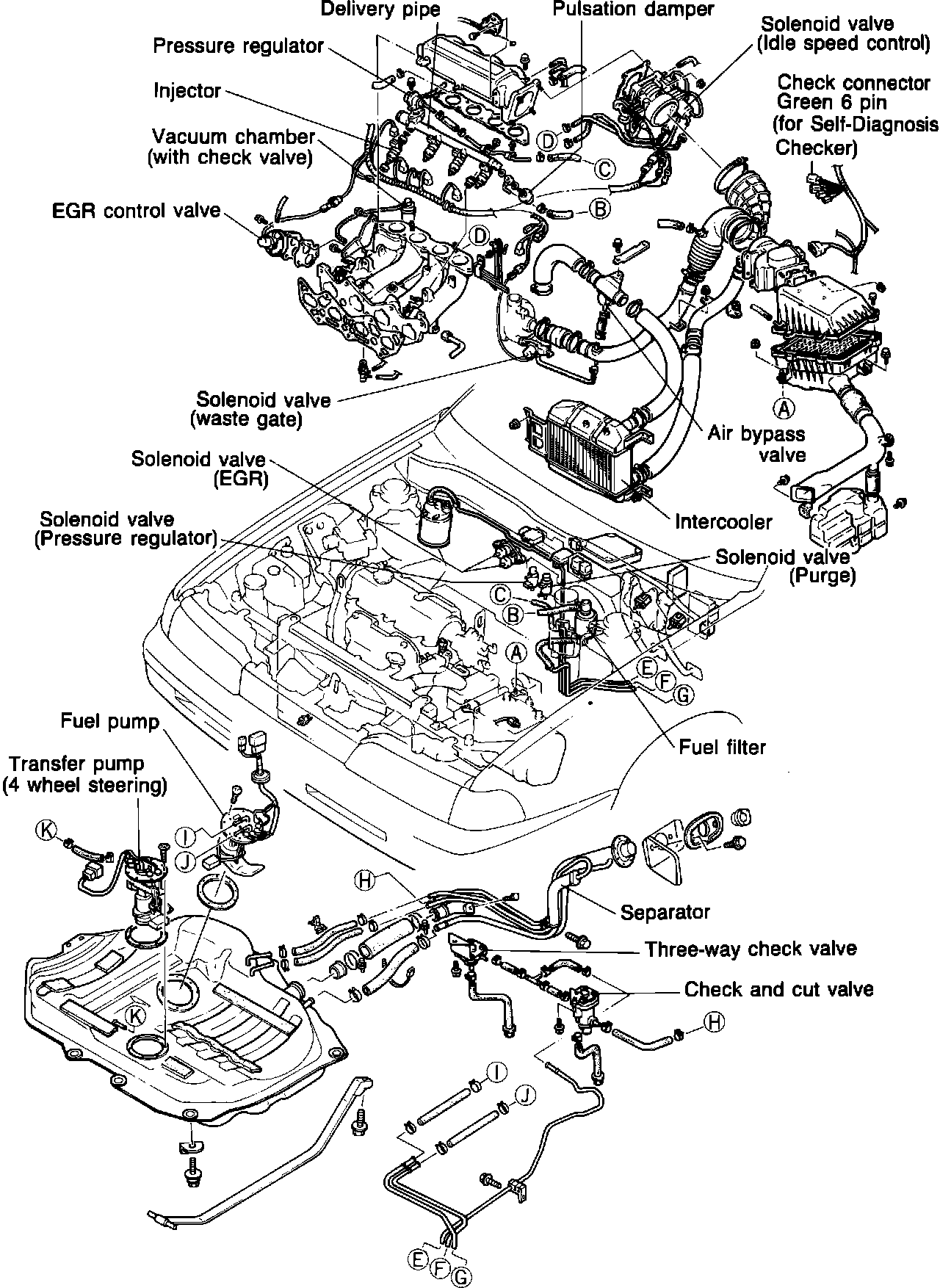
Component Locations

Fig. 14 Component Locations:




Fig. 15 Component Locations:





AIR FLOW METER
Mounted on the air cleaner box.

AIR VALVE
Integrated into the By-Pass Air Control Valve on the throttle chamber.

ATMOSPHERIC PRESSURE SENSOR
Mounted on the firewall at the top next to the relay box.

BY-PASS AIR CONTROL (BAC) VALVE
Integrated into the By-Pass Air Control Valve on the throttle chamber.

CHECK CONNECTOR GREEN 6-PIN (for SST)
Near L.F. strut tower.

CIRCUIT OPENING RELAY
Mounted near the fuse panel behind the left driver's knee bolster.

CLUTCH SWITCH
Mounted on the control pedal assembly.

EC-AT CONTROL UNIT
Mounted under the dash on the driver's side.

EGR SOLENOID
Mounted on the firewall near the top in the center.

EGR POSITION SENSOR
Mounted on the EGR valve on the right side of the intake manifold.

ENGINE CONTROL UNIT
Mounted behind the center of the dash board.

ENGINE LOAD (EL) CONTROL UNIT
Mounted behind the center of the dash board.

FUEL PUMP
Mounted in the top of the fuel tank.

IDLE SPEED SOLENOID VALVE
Integrated into the By-Pass Air Control Valve on the throttle chamber.

IDLE SWITCH
Mounted on the throttle chamber at the throttle valve.

IGNITION SWITCH
Mounted on the steering column.

INHIBITOR SWITCH
Located on the transaxle selector shaft.

INJECTOR
Located in the intake manifold near the cylinder head.

INTAKE AIR THERMOSENSOR
Integrated into the air flow meter.

KNOCK SENSOR
Mounted on the engine block on the firewall side.

KNOCK SENSOR CONTROL UNIT
Mounted on the firewall at the top/middle.

MAIN RELAY
In the relay box at the middle/top of the firewall.

NEUTRAL SWITCH
Screwed into the top of the transaxle.

OXYGEN SENSOR
Screwed into the exhaust manifold.

POWER STEERING PRESSURE SWITCH
Screwed into the steering rack at the hose fittings.

PURGE CONTROL SOLENOID
Mounted on the firewall at the top/middle.

TEST CONNECTOR GREEN 1-PIN (for self-diagnosis checker and idle speed adjustment)
Located near L.F. strut tower.

THROTTLE SENSOR
Mounted on the throttle chamber at the throttle valve.

WASTEGATE DUTY SOLENOID
Mounted on the turbocharger at the inlet side.

WATER THERMOSENSOR
Screwed in the thermostat housing near the upper radiator hose.

WATER THERMOSWITCH
Screwed into the bottom of the radiator.