Operation CHARM: Car repair manuals for everyone.
Manuals through 2025 now available!

Our trusted friends have launched a new website named LEMON, which has newer manuals. It also contains all the CHARM manuals.

LEMON is the spiritual successor to CHARM, I recommend you try it!

Link: lemon-manuals.la or lemon-manuals.org.ua

(Some people have issue connecting. LEMON is investigating. For now, use Firefox or change your DNS server)

Or, hide this message: temporarily or permanently

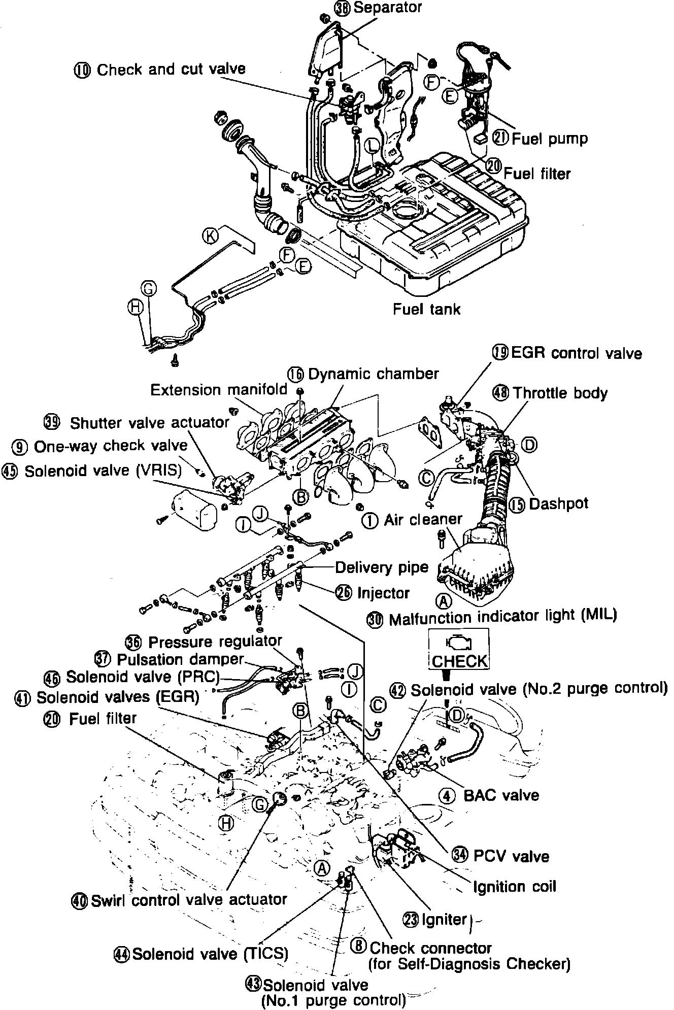
Component Locations

Fig. 17a Engine Compartment Reference Diagram (Part 1 of 2).:




Fig. 17b Engine Compartment Reference Diagram (Part 2 of 2).:





AIR FLOW METER
Mounted on the air cleaner box.

AIR VALVE
Integrated into the By-Pass Air Control (BAC) Valve, mounted to the left valve cover.

ATMOSPHERIC PRESSURE SENSOR
Mounted at the top of the firewall on the R.H. side.

BY-PASS AIR CONTROL (BAC) VALVE
Mounted to the left valve cover.

BRAKE LIGHT SWITCH
Mounted to the control pedal bracket in the drivers compartment.

CHECK CONNECTORS
GREEN 6-Pin connector (for self-diagnosis) L.F. corner of the engine compartment.
YELLOW 2-Pin connector (for fuel pump) L.F. corner of the engine compartment.

CIRCUIT OPENING RELAY
Mounted to the car body in the L.F. kick panel.

CLUTCH SWITCH
Mounted to the control pedal bracket in the drivers compartment.

CRANK ANGLE SENSOR
Integrated into the distributor.

DISTRIBUTOR
Mounted to the front of the left cylinder head.

ELECTRICAL LOAD CONTROL (ELC) UNIT
Mounted to the car body in the L.F. kick panel.

EGI MAIN FUSE
Located in the main fuse block near the battery.

EGI MAIN RELAY
Located in the relay box in the passenger compartment, near the steering column.

EGR POSITION SENSOR
Integrated into the EGR valve.

EGR VALVE
Mounted on the back of the right cylinder head.

EGR SOLENOIDS (2)
Mounted to the right strut tower.

ENGINE CONTROL UNIT
Located in the front passenger's footwell area.

FUEL PUMP
Located in the fuel tank, on top.

IDLE SPEED CONTROL (ISC) VALVE
Integrated into the By-Pass Air Control (BAC) Valve, mounted to the left valve cover.

IDLE SWITCH
Integrated with the throttle sensor. Mounted on the throttle chamber.

IGNITER
Mounted on the inner side of the L.F. fenderwell near theignition coil.

IGNITION SWITCH
Mounted on the steering column.

INHIBITOR SWITCH (A/T ONLY)
Mounted on the transmission at the selector shaft.

INJECTOR
In the intake manifold near the cylinder heads.

INTAKE AIR THERMOSENSOR
Screwed into the left side of the dynamic chamber.

MAIN RELAY
Mounted to the inner fenderwell at the L.F. corner of the engine compartment.

MALFUNCTION INDICATOR LIGHT (MIL)
Located in the instrument cluster.

NEUTRAL SWITCH M/T ONLY)
Screwed int the R.H. side of the transmission tailhousing.

OXYGEN SENSOR
Screwed into the left exhaust manifold below the crossover connection.

OXYGEN SENSOR RELAY
Mounted to the inner fenderwell at the L.F. corner of the engine compartment.

POWER STEERING LOAD SWITCH
Screwed into the high-pressure line at the steering rack.

PURGE CONTROL SOLENOID 1
Mounted to the radiator support in the L.F. corner of the engine compartment.

PURGE CONTROL SOLENOID 2
Mounted below the throttle body assembly.

TEST CONNECTOR
GREEN 1-Pin connector (for self-diagnosis checker,idle speed and timing adjustment) L.F. corner of the engine compartment.

THROTTLE SENSOR
Integrated with the idle switch. Mounted on the throttle chamber.

WATER THERMOSENSOR
Screwed into the thermostat housing near the top radiator hose.

WATER THERMOSWITCH
Screwed into the left side of the lower radiator tank.