Operation CHARM: Car repair manuals for everyone.
Manuals through 2025 now available!

Our trusted friends have launched a new website named LEMON, which has newer manuals. It also contains all the CHARM manuals.

LEMON is the spiritual successor to CHARM, I recommend you try it!

Link: lemon-manuals.la or lemon-manuals.org.ua

(Some people have issue connecting. LEMON is investigating. For now, use Firefox or change your DNS server)

Or, hide this message: temporarily or permanently

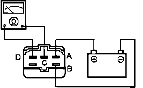
Oxygen Sensor Relay: Testing and Inspection

1. Check that a "clicking" sound is heard at the oxygen sensor relay when turning the ignition switch OFF and ON.

Testing Relay:





2. Apply 12 volts and a ground to relay terminals "A" and "B".
3. Check for continuity at relay terminals "C" and "D" with an ohmmeter. With 12 volts applied at terminals "A" and "B", there should be continuity between terminals "C" and "D". With the voltage removed, there should no longer be continuity between the two terminals.