Operation CHARM: Car repair manuals for everyone.
Manuals through 2025 now available!

Our trusted friends have launched a new website named LEMON, which has newer manuals. It also contains all the CHARM manuals.

LEMON is the spiritual successor to CHARM, I recommend you try it!

Link: lemon-manuals.la or lemon-manuals.org.ua

(Some people have issue connecting. LEMON is investigating. For now, use Firefox or change your DNS server)

Or, hide this message: temporarily or permanently

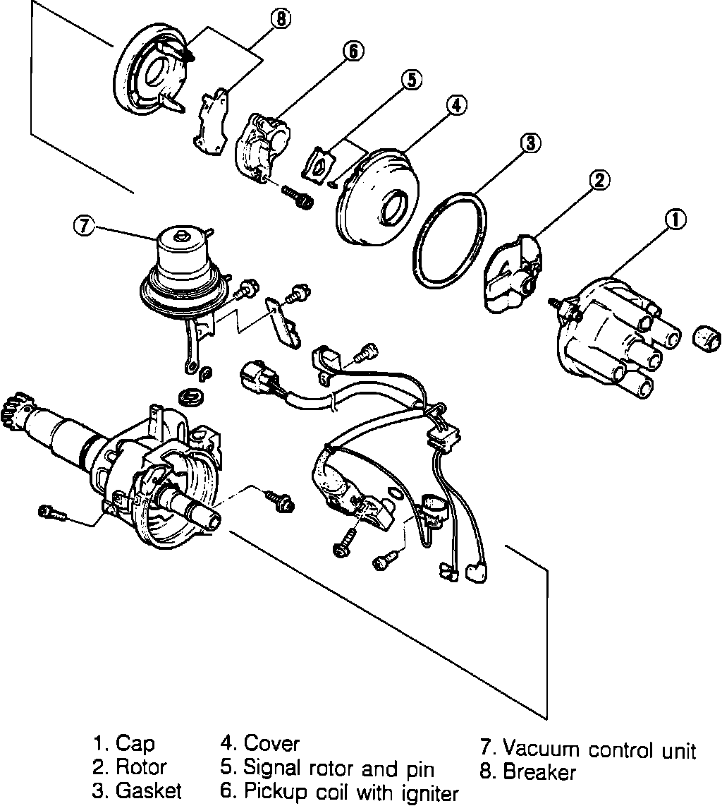
Distributor: Testing and Inspection

Distributor Assembly:






ON-VEHICLE SPARK TEST

1. Disconnect coil lead from distributor cap.
2. With insulated pliers, hold wire approximately 0.20 - 0.39 in (5 - 10 mm).
3. Crank engine and verify that a strong blue spark is visible.

SPARK ADVANCE CONTROL TEST






Centrifugal

1. Warm engine to operating temperature.
2. Check that idle speed and timing are correct. Adjust if necessary.
3. Disconnect hoses from distributor vacuum unit and plug.
4. While gradually increasing engine speed, check timing mark advance on the crank pulley.
a. Excessive advance indicates a weak governor spring. If a spring is broken, advance will be extremely high.
b. Insufficient advance indicates a malfunction such as a frozen shaft or stuck governor weight.











Vacuum

1. Warm engine to operating temperature.
2. Check that idle speed and timing are correct. Adjust if necessary.
3. Disconnect hoses from distributor vacuum unit and plug.
4. Run engine at idle.
5. Alternately attach a hand vacuum pump to distributor vacuum unit chambers "A" and "B." Apply vacuum and note relationship between vacuum applied and degrees of advance or retard. Chamber "A" provides advance and chamber "B" provides retard. Compare to image chart.
6. If vacuum unit leaks down, it is defective and should be replaced.
7. If vacuum unit holds vacuum but advance or retard is not as specified, check for problems such as a frozen breaker plate and repair as needed.